GM Service Manual Online
For 1990-2009 cars only
Makes
🢒
Cadillac
🢒
2009
🢒
SLS
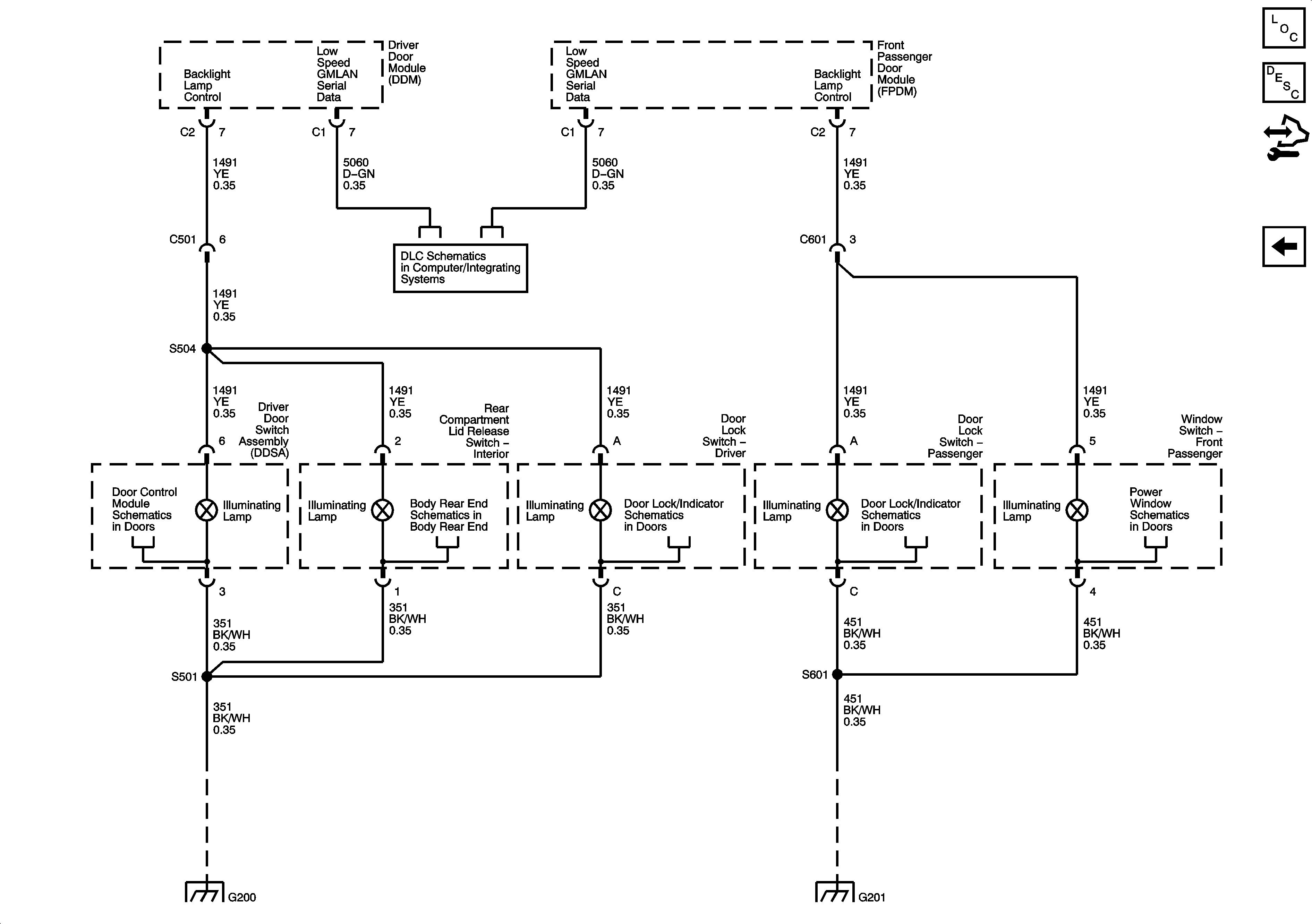
🢒 Dimming Lamps (3 of 3)
Dimming Lamps (3 of 3)
Dimming Lamps 3 of 3
Master Electrical Component List
Interior Lighting Systems Description and Operation
Control Module References
Dimming Lamps (2 of 3)
GMLAN Low Speed (1 of 2)
DDM Power, Ground and DLC
Body Rear End Schematics
Driver Door Lock
Front Passenger Door Lock
Front Passenger Window Switch, Motor
G200 (1 of 2)
G201 (2 of 2)