GM Service Manual Online
For 1990-2009 cars only
Makes
🢒
Cadillac
🢒
2004
🢒
SRX
🢒
Engine
🢒
Engine Electrical
🢒 Starting and Charging Schematics
Figure
1:
Starting System
Master Electrical Component List
Starting System Description and Operation
Charging System
Fuse Block - Underhood B+ Bus Schematic
RIM and THEFT Fuses and Ignition Switch - 2 of 2
ABS, STARTER RLY, STRG CTLS, TCM/IPC, and WASH NOZ Fuses
G104
IGN SW Fuse and Ignition Switch - 1 of 2
G102, G105, G107, G108, G109 and G110
Fuse Block - Underhood B+ Bus Schematic
Class 2 Serial Data - 1 of 2
G104
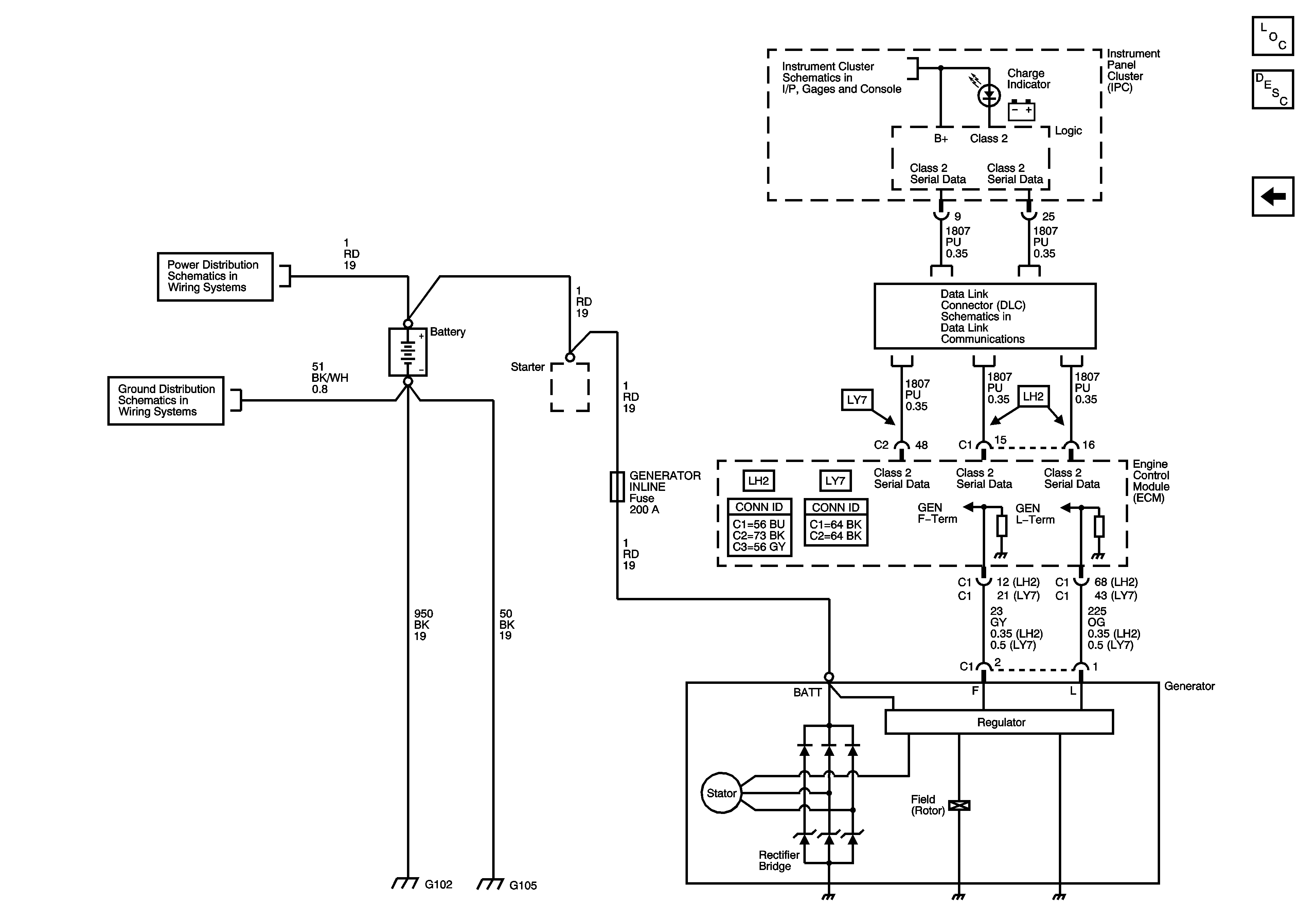
Figure
2:
Charging System
Master Electrical Component List
Charging System Description and Operation
Starting System
Indicators
Fuse Block - Underhood B+ Bus Schematic
G102, G105, G107, G108, G109 and G110
Class 2 Serial Data - 1 of 2