GM Service Manual Online
For 1990-2009 cars only
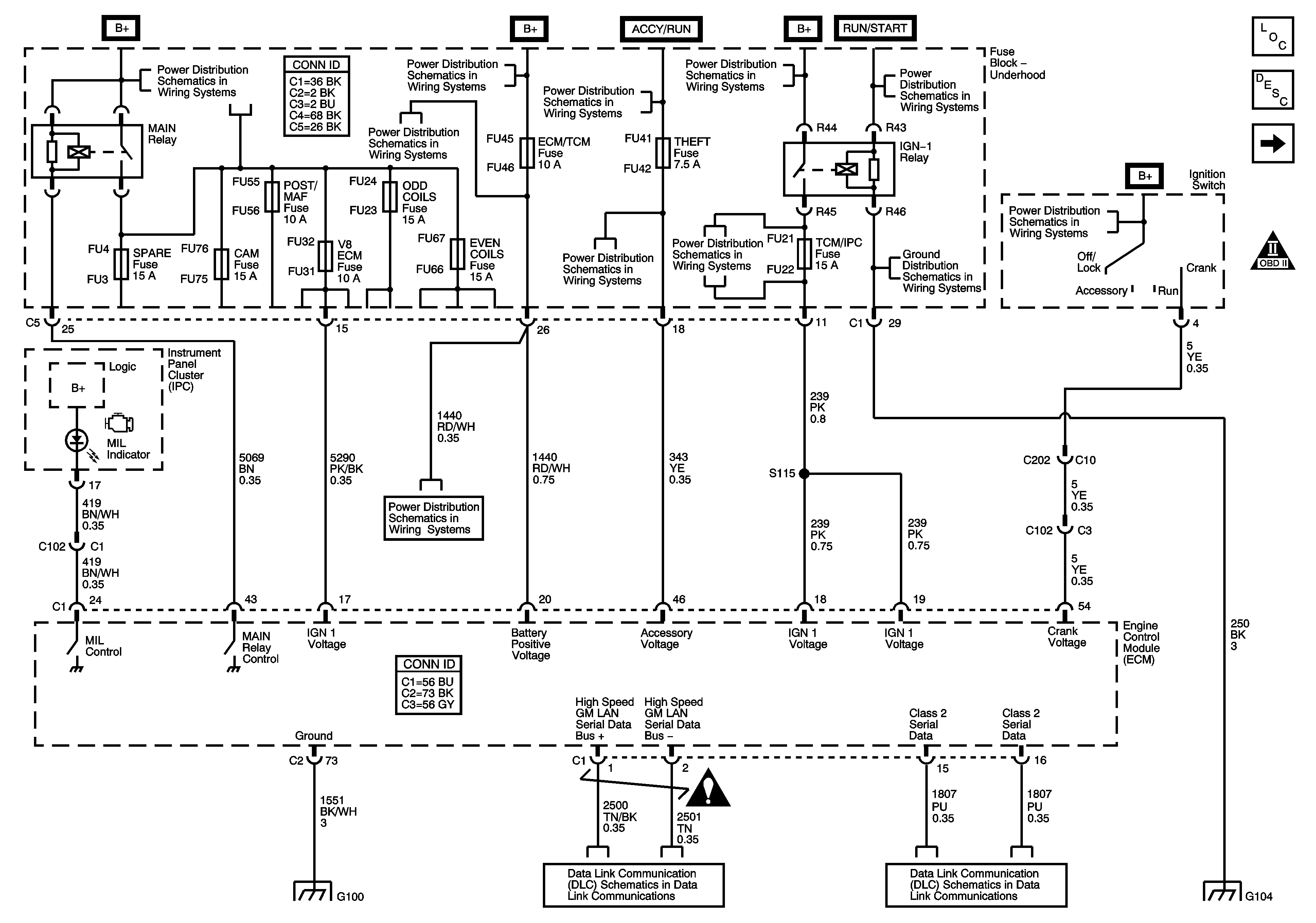
Figure 1:

Module Power, Ground, Serial Data and MIL


Object Number: 1197760  Size: FS
Master Electrical Component List
Engine Control Module Description
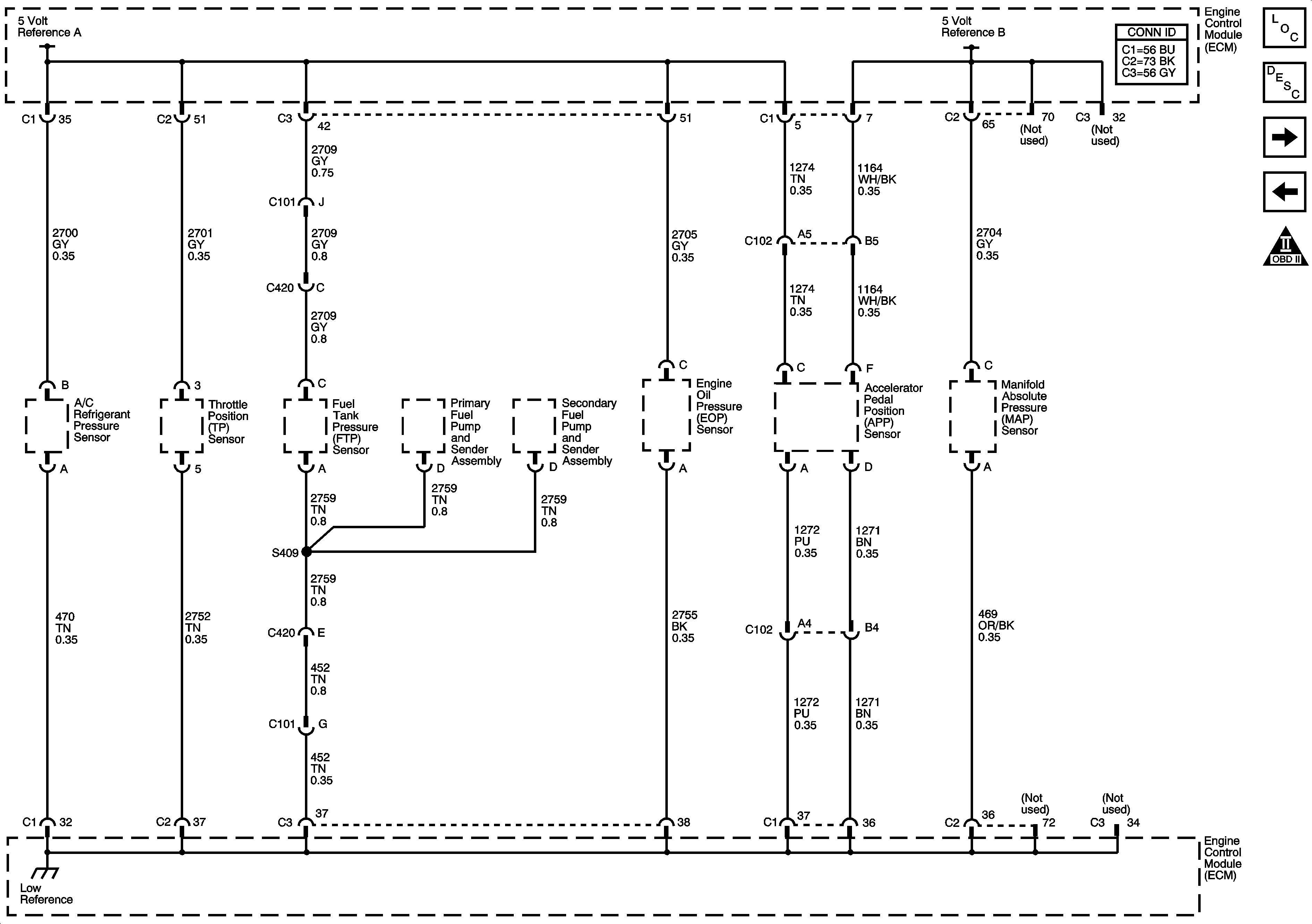
Engine Data Sensors - 5-Volt and Low Reference
OBD II Symbol Description Notice
Fuse Block - Underhood B+ Bus Schematic
CCP (B+), DIM/ALDL, EBCM (B+), ECM/TCM, FLASHER, and VOLT CHECK Fuses
Fuse Block - Underhood B+ Bus Schematic
RIM and THEFT Fuses and Ignition Switch - 2 of 2
Fuse Block - Underhood B+ Bus Schematic
RIM and THEFT Fuses and Ignition Switch - 2 of 2
RIM and THEFT Fuses and Ignition Switch - 2 of 2
ABS, STARTER RLY, STRG CTLS, TCM/IPC, and WASH NOZ Fuses
G104
IGN SW Fuse and Ignition Switch - 1 of 2
CCP (B+), DIM/ALDL, EBCM (B+), ECM/TCM, FLASHER, and VOLT CHECK Fuses
Engine Controls Schematic Icons
G100 - LH2
Class 2 Serial Data - 1 of 2
Class 2 Serial Data - 1 of 2
G104
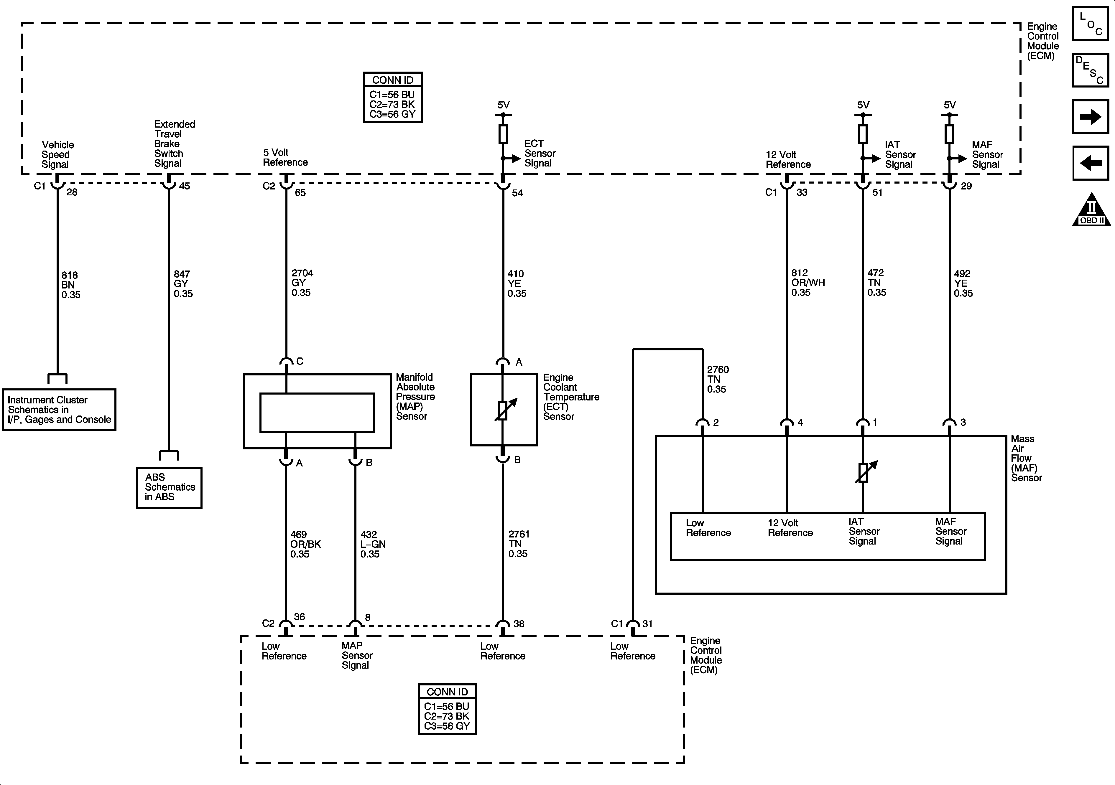
Figure 2:

Engine Data Sensors - 5-Volt and Low Reference


Object Number: 1197763  Size: FS
Master Electrical Component List
Engine Control Module Description
Engine Data Sensors - Pressure, Temperature, MAF, VSS and Extended Travel Brake Switch
Power, Ground, Serial Data and MIL
OBD II Symbol Description Notice
Figure 3:

Engine Data Sensors - Pressure, Temperature, MAF, VSS and Extended Travel Brake Switch


Object Number: 1197764  Size: FS
Master Electrical Component List
Engine Control Module Description
Engine Data Sensors - Oxygen Sensors
Engine Data Sensors - 5-Volt and Low Reference
OBD II Symbol Description Notice
Gages
Indicators, Traction Control, and Brake Pedal Position
Figure 4:

Engine Data Sensors - Oxygen Sensors


Object Number: 1197766  Size: FS
Master Electrical Component List
Engine Control Module Description
Engine Data Sensors - Electronic Throttle Controls
Engine Data Sensors - Pressure, Temperature, MAF, VSS and Extended Travel Brake Switch
OBD II Symbol Description Notice
HFVG, PRE02/CAM, and V8 ECM Fuses
HFVG, PRE02/CAM, and V8 ECM Fuses
Figure 5:

Engine Data Sensors - Electronic Throttle Controls


Object Number: 1197769  Size: FS
Master Electrical Component List
Fuel System Description
Ignition Controls - Bank 1 Ignition Coils
Engine Data Sensors - Oxygen Sensors
OBD II Symbol Description Notice
Engine Controls Schematic Icons
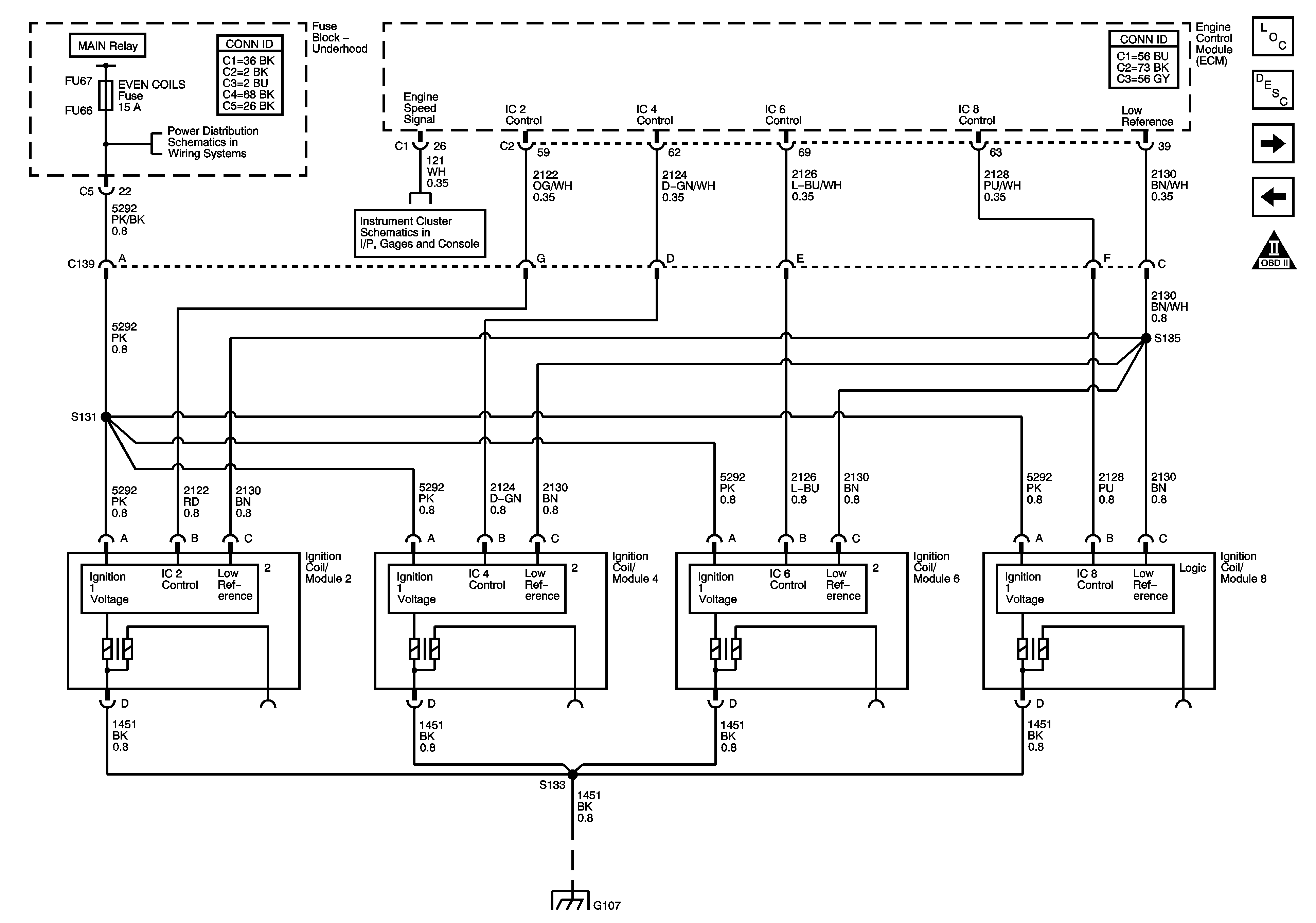
Figure 6:

Ignition Controls - Bank 1 Ignition Coils


Object Number: 1208061  Size: FS
Master Electrical Component List
Electronic Ignition (EI) System Description
Ignition Controls - Bank 2 Ignition Coils
Engine Data Sensors - Electronic Throttle Controls
OBD II Symbol Description Notice
Power, Ground, Serial Data and MIL
EVEN COILS, ODD COILS Fuse and POST O2 Fuses
G102, G105, G107, G108, G109 and G110
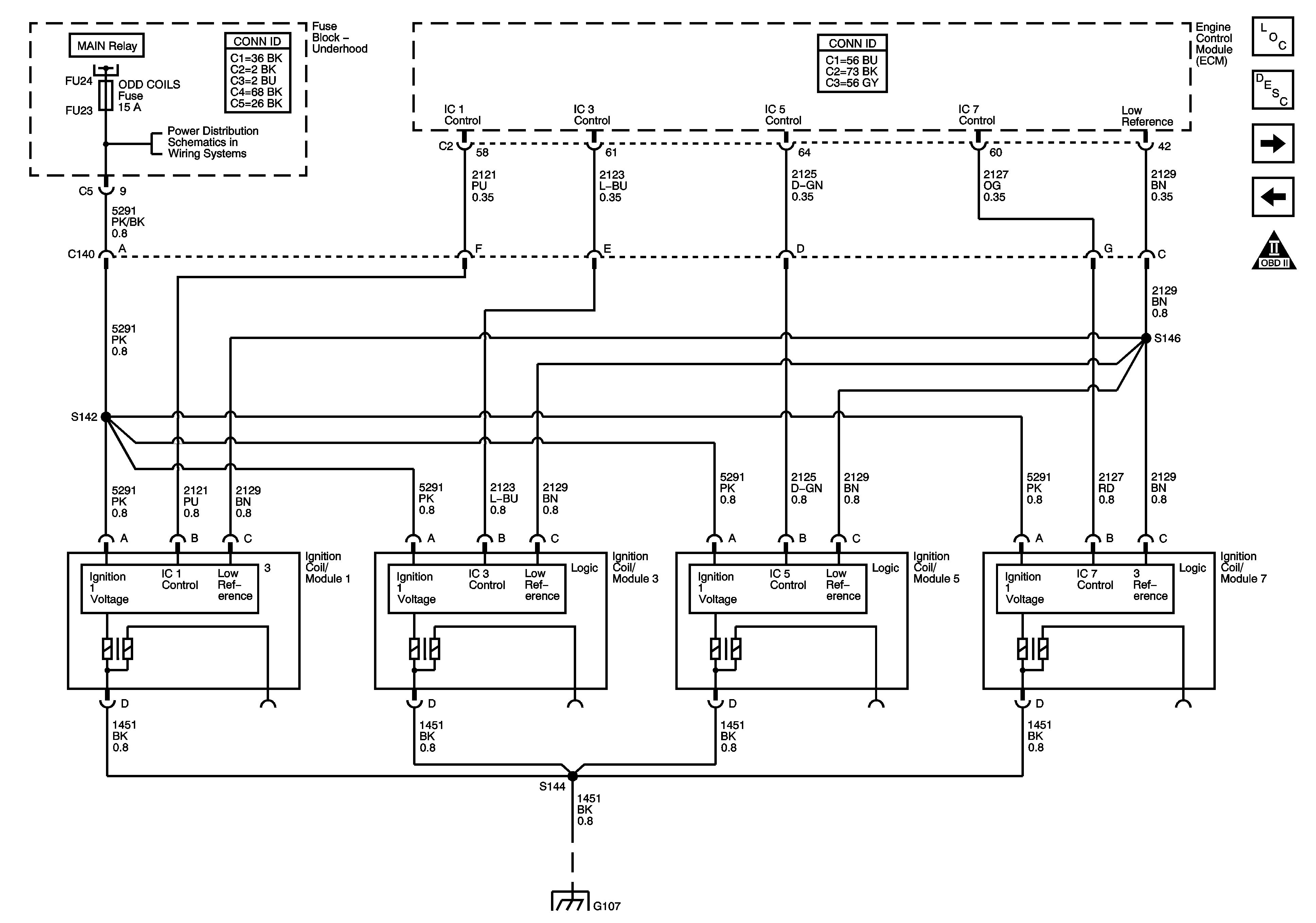
Figure 7:

Ignition Controls - Bank 2 Ignition Coils


Object Number: 1208064  Size: FS
Master Electrical Component List
Electronic Ignition (EI) System Description
Ignition Controls - CMP Sensors and Solenoids
Ignition Controls - Bank 1 Ignition Coils
OBD II Symbol Description Notice
Power, Ground, Serial Data and MIL
EVEN COILS, ODD COILS Fuse and POST O2 Fuses
Gages
G102, G105, G107, G108, G109 and G110
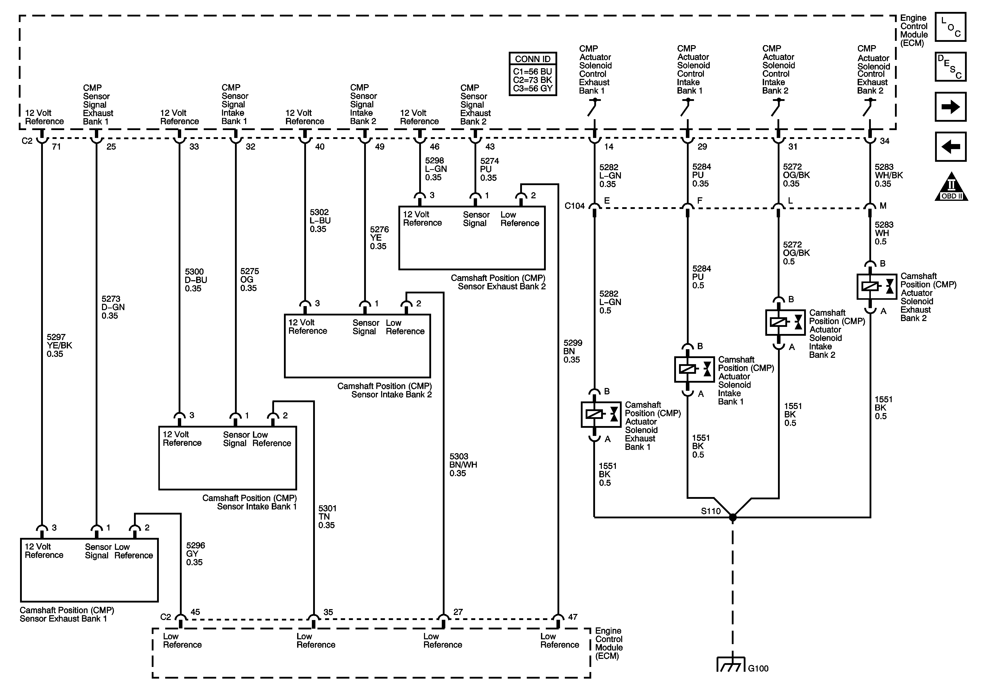
Figure 8:

Ignition Controls - CMP Sensors and Solenoids


Object Number: 1197775  Size: FS
Master Electrical Component List
Camshaft Actuator System Description
Ignition Controls - CKP and Knock Sensors
Ignition Controls - Bank 2 Ignition Coils
OBD II Symbol Description Notice
G100 - LH2
Figure 9:

Ignition Controls - CKP and Knock Sensors


Object Number: 1197776  Size: FS
Master Electrical Component List
Knock Sensor (KS) System Description
Fuel Controls - Fuel Pump and Injectors
Ignition Controls - CMP Sensors and Solenoids
OBD II Symbol Description Notice
Engine Controls Schematic Icons
Engine Controls Schematic Icons
Engine Controls Schematic Icons
Engine Controls Schematic Icons
Engine Controls Schematic Icons
Figure 10:

Fuel Controls - Fuel Pump and Injectors


Object Number: 1197779  Size: FS
Master Electrical Component List
Fuel System Description
Fuel Controls - EVAP Controls
Ignition Controls - CKP and Knock Sensors
OBD II Symbol Description Notice
Power, Ground, Serial Data and MIL
EVEN COILS, ODD COILS Fuse and POST O2 Fuses
EVEN COILS, ODD COILS Fuse and POST O2 Fuses
Fuse Block - Right Rear B+ Bus
G402 - 1 of 2
G401 - 1 of 2
Gages
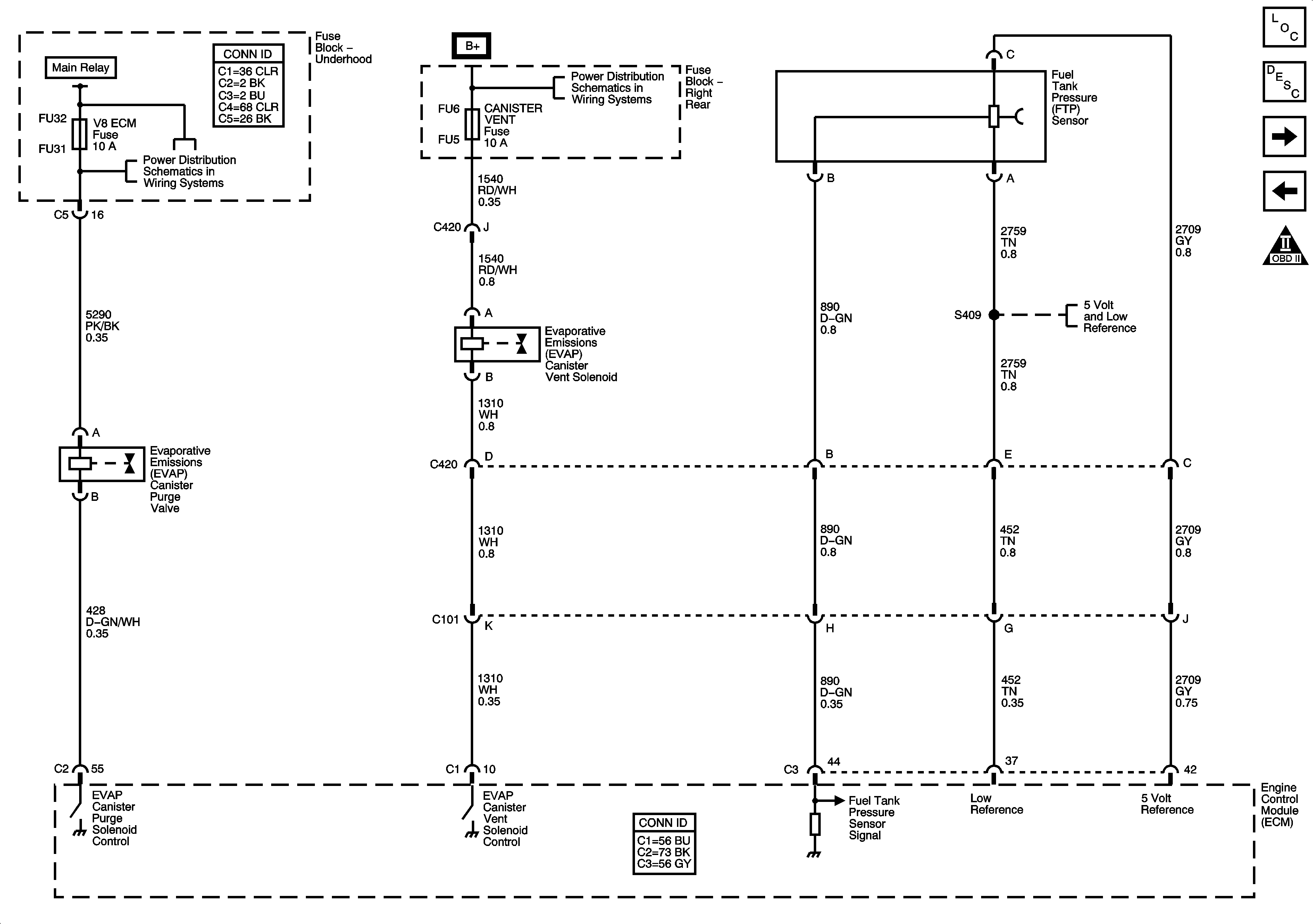
Figure 11:

Fuel Controls - EVAP Controls


Object Number: 1197780  Size: FS
Master Electrical Component List
Evaporative Emission Control System Description
Controlled/Monitored Subsystem References
Fuel Controls - Fuel Pump and Injectors
OBD II Symbol Description Notice
Power, Ground, Serial Data and MIL
HFVG, PRE02/CAM, and V8 ECM Fuses
Fuse Block - Right Rear B+ Bus
Engine Data Sensors - 5-Volt and Low Reference
Figure 12:

Controlled/Monitored Subsystem References


Object Number: 1197781  Size: FS
Master Electrical Component List
Engine Control Module Description
Fuel Controls - EVAP Controls
OBD II Symbol Description Notice
Power, Grounds, Serial Data and Switches
Starting System
Charging System
Indicators, Traction Control, and Brake Pedal Position
Indicators, Traction Control, and Brake Pedal Position
Cooling Fans
Indicators
Serial Data and A/C Compressor Controls
Tail Lamps (Domestic) Schematic
Cruise Control Schematic