GM Service Manual Online
For 1990-2009 cars only
Makes
🢒
Cadillac
🢒
2004
🢒
SRX
🢒
Suspension
🢒
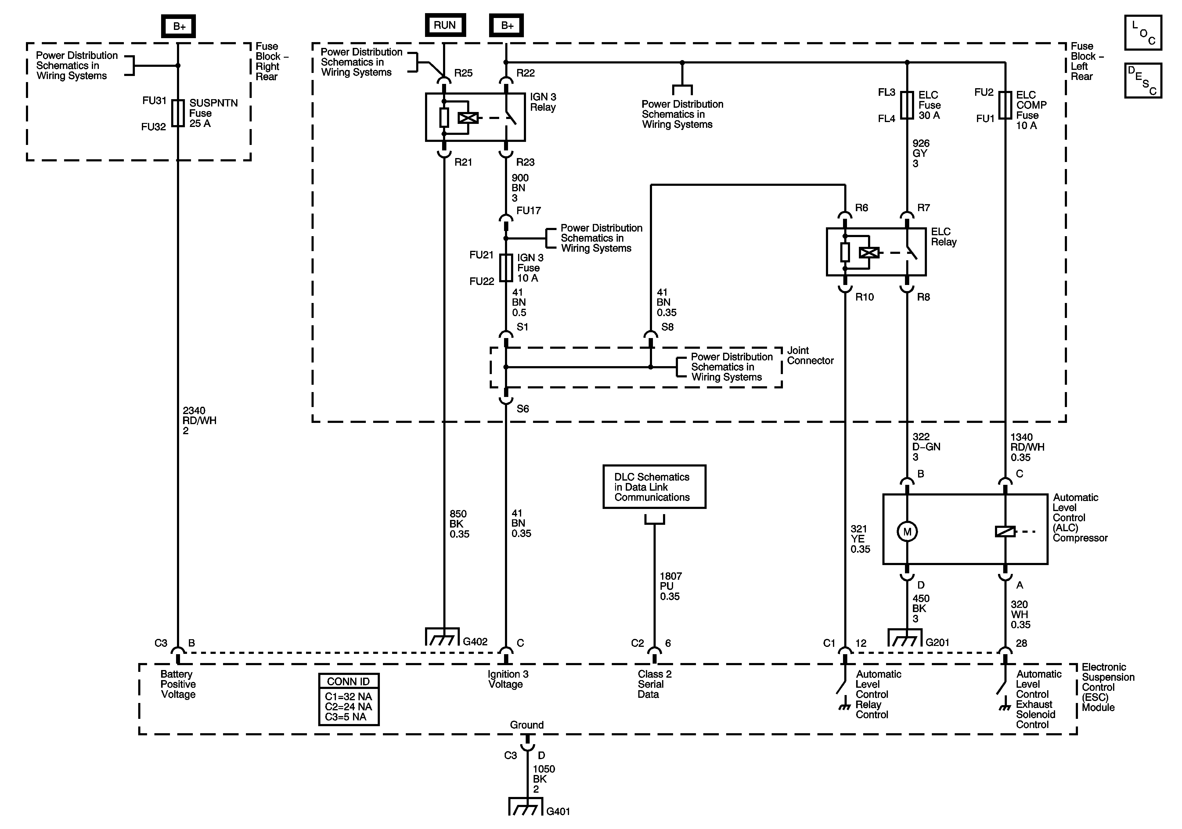
Automatic Level Control
🢒 Automatic Level Control Schematics
Master Electrical Component List
Automatic Level Control Description and Operation
Fuse Block - Right Rear B+ Bus
IGN SW Fuse and Ignition Switch - 1 of 2
Fuse Block - Left Rear B+ Bus
AIRBAG, CCP (RUN), EBCM (RUN), HDLP LEVELING, IGN 1, AND IGN 3 Fuses
AIRBAG, CCP (RUN), EBCM (RUN), HDLP LEVELING, IGN 1, AND IGN 3 Fuses
Class 2 Serial Data - 2 of 2
G402 - 1 of 2
G201
G401 - 2 of 2