GM Service Manual Online
For 1990-2009 cars only
Makes
🢒
Cadillac
🢒
2004
🢒
SRX
🢒
Suspension
🢒
Electronic Suspension Control (ESC)
🢒 Suspension Controls Schematics
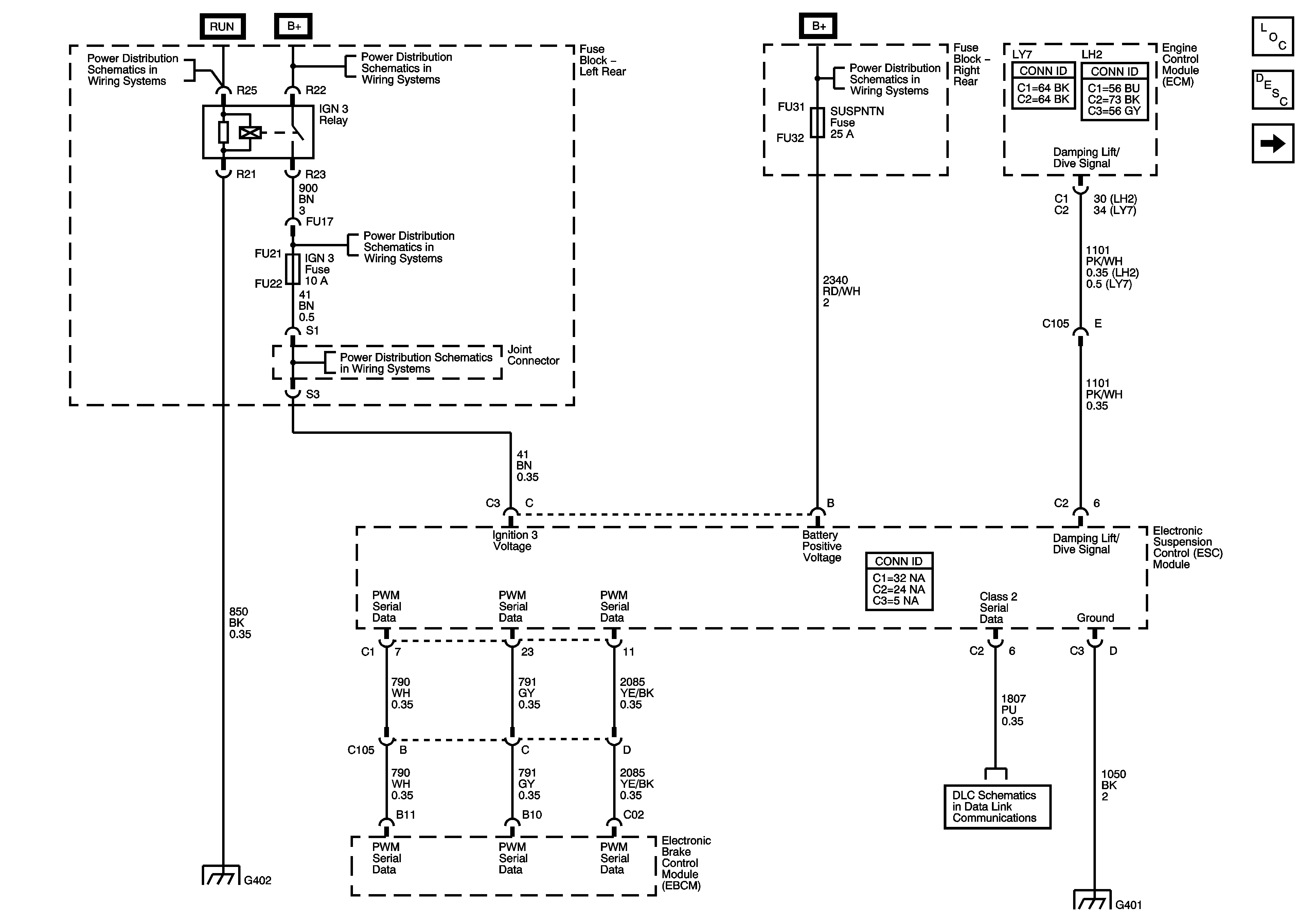
Figure
1:
Power, Grounds, Serial Data, and Controls
Master Electrical Component List
Electronic Suspension Control Description and Operation
Sensors and Dampers
RIM and THEFT Fuses and Ignition Switch - 2 of 2
Fuse Block - Left Rear B+ Bus
Fuse Block - Right Rear B+ Bus
AIRBAG, CCP (RUN), EBCM (RUN), HDLP LEVELING, IGN 1, AND IGN 3 Fuses
AIRBAG, CCP (RUN), EBCM (RUN), HDLP LEVELING, IGN 1, AND IGN 3 Fuses
G402 - 1 of 2
Class 2 Serial Data - 2 of 2
G401 - 2 of 2
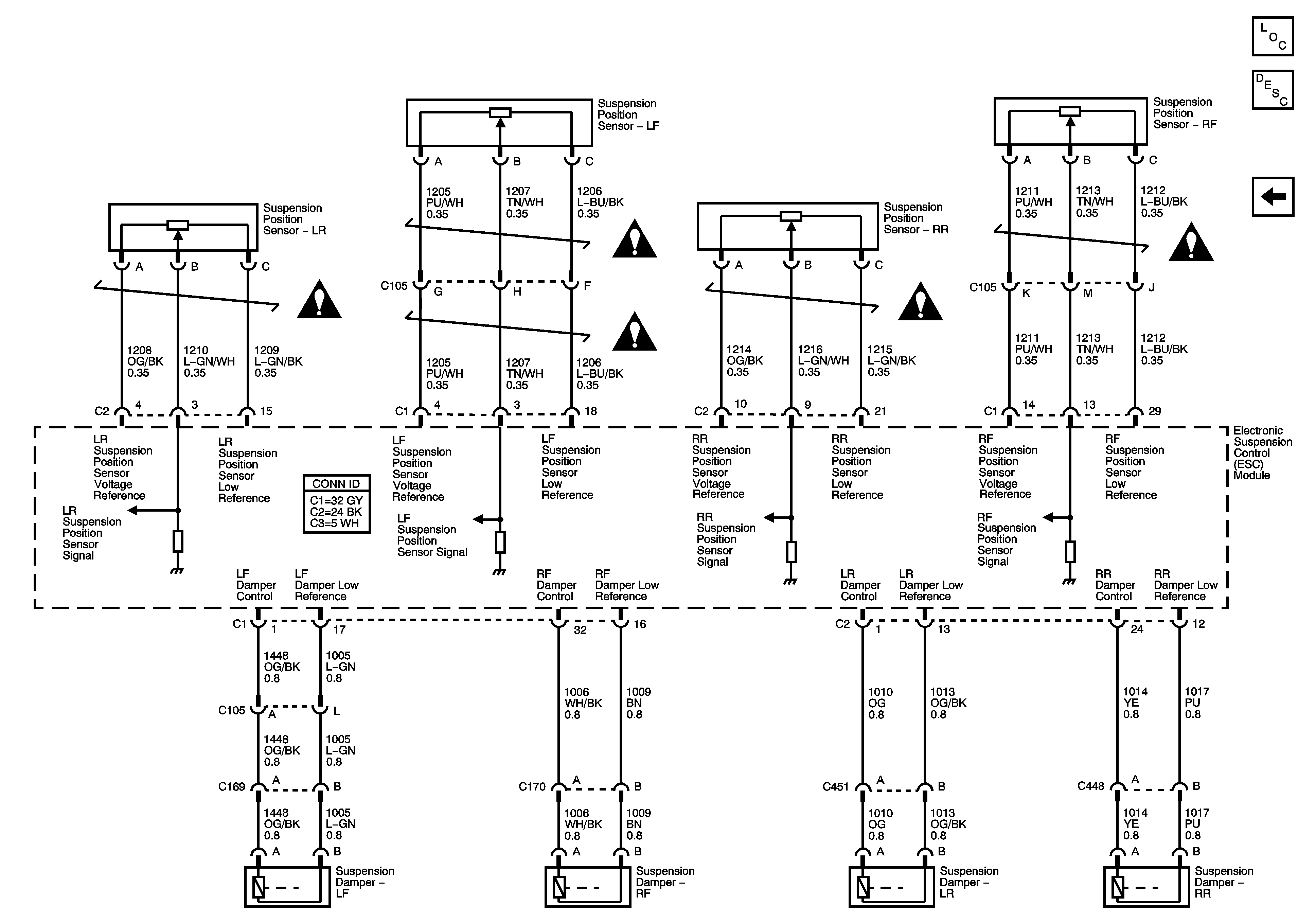
Figure
2:
Sensors and Dampers
Master Electrical Component List
Electronic Suspension Control Description and Operation
Power, Grounds, Serial Data and Controls
Suspension Controls Schematic Icons
Suspension Controls Schematic Icons
Suspension Controls Schematic Icons
Suspension Controls Schematic Icons
Suspension Controls Schematic Icons