GM Service Manual Online
For 1990-2009 cars only
Figure 1:

DDM Power, Ground and Serial Data


Object Number: 1230204  Size: FS
Master Electrical Component List
Power Door Locks Description and Operation
DDM Signals/Controls - 1 of 2
Fuse Block - Left Rear B+ Bus
Fuse Block - Right Rear B+ Bus
CANISTER VENT, DR MOD PWR, R FRT HTD SEAT MOD, and SUNROOF MOD Fuses
Class 2 Serial Data - 1 of 2
G200
Figure 2:

DDM Signals/Controls - 1 of 2


Object Number: 1230207  Size: FS
Master Electrical Component List
Power Door Locks Description and Operation
DDM Signals/Controls - 2 of 2
DDM Power, Ground and Serial Data
Driver and Passenger Power Outside Mirrors (w/o A45)
Inside Rearview Mirror Schematic
Front Power Windows
Dimming Lamps - 2 of 2
Figure 3:

DDM Signals/Controls - 2 of 2


Object Number: 1230208  Size: FS
Master Electrical Component List
Power Door Locks Description and Operation
FPDM Power, Ground and Serial Data
DDM Signals/Controls - 1 of 2
Driver Door Lock
Figure 4:

FPDM Power, Ground and Serial Data


Object Number: 1230211  Size: FS
Master Electrical Component List
Power Door Locks Description and Operation
FPDM Signals/Controls - 1 of 2
DDM Signals/Controls - 2 of 2
Front Passenger Door Lock
Fuse Block - Right Rear B+ Bus
Fuse Block - Right Rear B+ Bus
Class 2 Serial Data - 2 of 2
CANISTER VENT, DR MOD PWR, R FRT HTD SEAT MOD, and SUNROOF MOD Fuses
G201
Front Passenger Door Lock
Front Power Windows
Figure 5:

FPDM Signals/Controls - 1 of 2


Object Number: 1230216  Size: FS
Master Electrical Component List
Power Door Locks Description and Operation
FPDM Signals/Controls - 2 of 2
FPDM Power, Ground and Serial Data
Front Power Windows
Front Passenger Door Lock
Dimming Lamps - 2 of 2
Figure 6:

FPDM Signals/Controls - 2 of 2


Object Number: 1230220  Size: FS
Master Electrical Component List
Power Door Locks Description and Operation
LRDM Power, Ground and Serial Data
FPDM Signals/Controls - 1 of 2
Driver and Passenger Power Outside Mirrors (w/o A45)
Figure 7:

LRDM Power, Ground and Serial Data


Object Number: 1230222  Size: FS
Master Electrical Component List
Power Door Locks Description and Operation
LRDM Signals/Controls
FPDM Signals/Controls - 2 of 2
Fuse Block - Left Rear B+ Bus
Fuse Block - Right Rear B+ Bus
Class 2 Serial Data - 1 of 2
AMP, AUDIO, DRIVER DR MOD ELC COMP, L FRT HTD SEAT MOD, MEM/ADAPT SEAT, and REAR DR MOD Fuses
CANISTER VENT, DR MOD PWR, R FRT HTD SEAT MOD, and SUNROOF MOD Fuses
Rear Power Windows
G200
Figure 8:

LRDM Signals/Controls


Object Number: 1230225  Size: FS
Master Electrical Component List
Power Door Locks Description and Operation
RRDM Power, Ground and Serial Data
LRDM Power, Ground and Serial Data
Left Rear and Right Rear Door Lock
Rear Power Windows
Dimming Lamps - 2 of 2
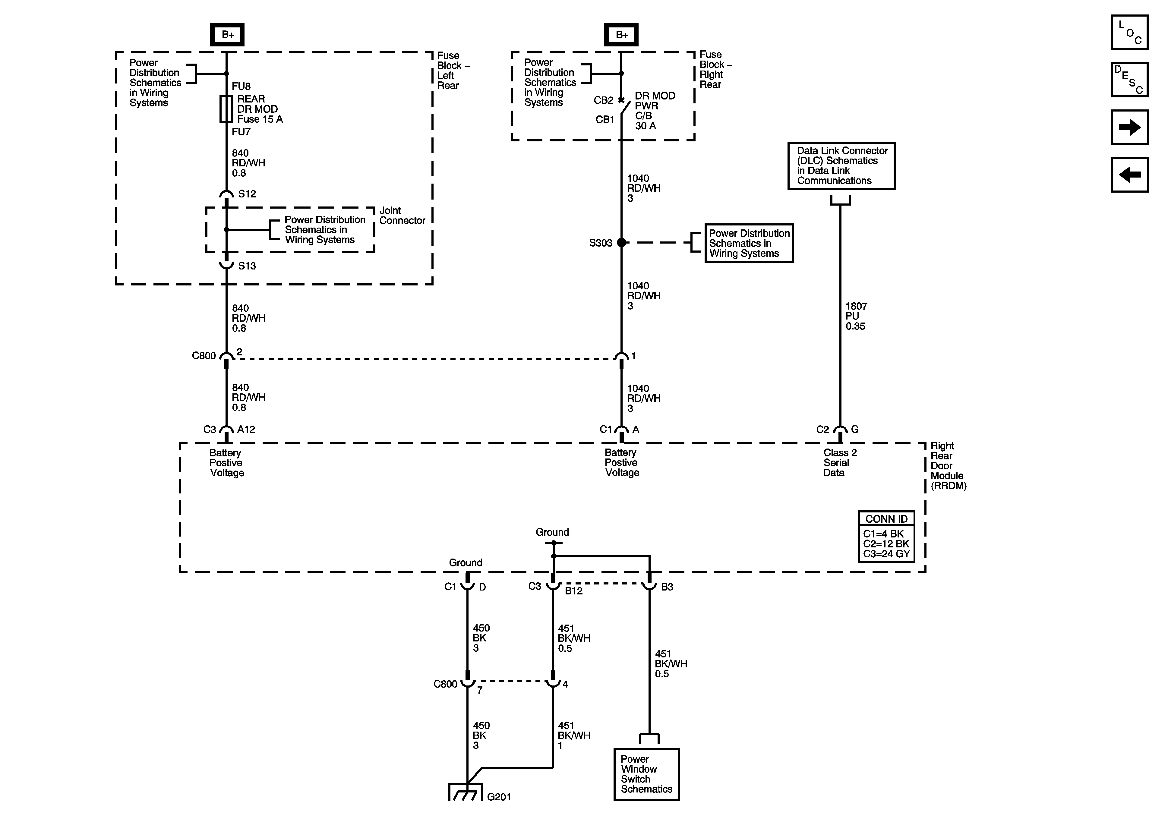
Figure 9:

RRDM Power, Ground and Serial Data


Object Number: 1230227  Size: FS
Master Electrical Component List
Power Door Locks Description and Operation
RRDM Signals/Controls
LRDM Signals/Controls
Fuse Block - Left Rear B+ Bus
Fuse Block - Right Rear B+ Bus
AMP, AUDIO, DRIVER DR MOD ELC COMP, L FRT HTD SEAT MOD, MEM/ADAPT SEAT, and REAR DR MOD Fuses
CANISTER VENT, DR MOD PWR, R FRT HTD SEAT MOD, and SUNROOF MOD Fuses
Class 2 Serial Data - 2 of 2
G201
Rear Power Windows
Figure 10:

RRDM Signals/Controls


Object Number: 1230228  Size: FS
Master Electrical Component List
Power Door Locks Description and Operation
RRDM Power, Ground and Serial Data
Left Rear and Right Rear Door Lock
Rear Power Windows
Dimming Lamps - 2 of 2