GM Service Manual Online
For 1990-2009 cars only
Figure 1:

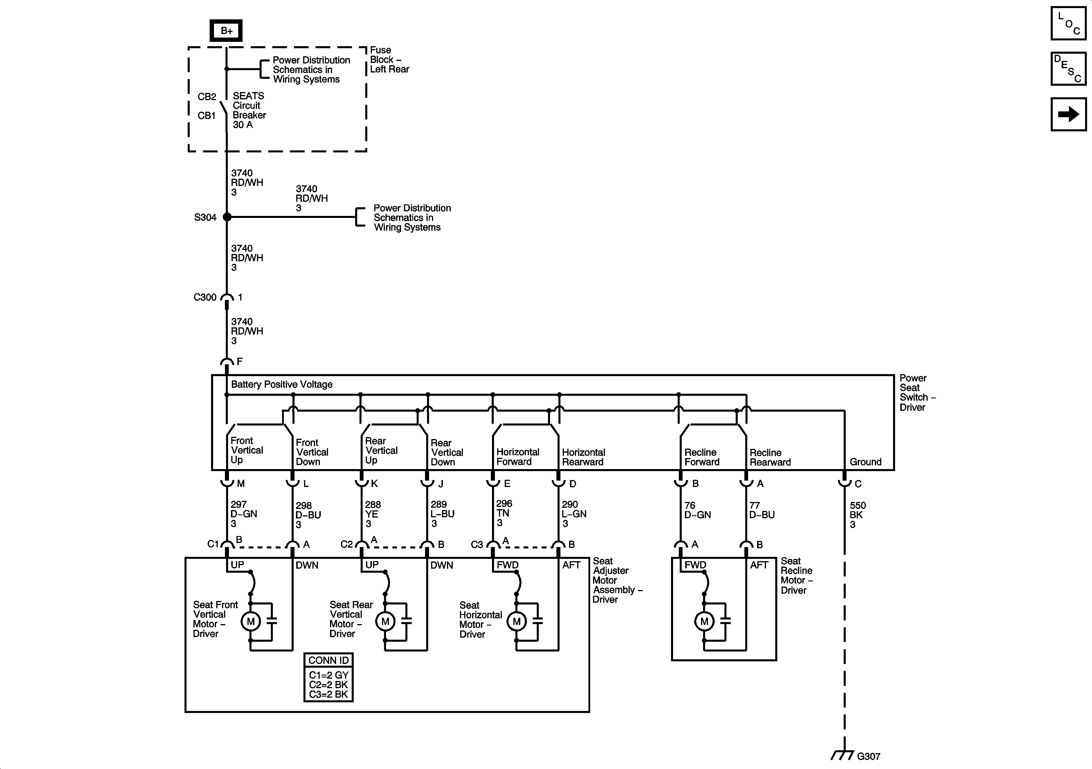
Power Seat (w/o A45)


Object Number: 1234078  Size: FS
Master Electrical Component List
Power Seats System Description and Operation Front Seat
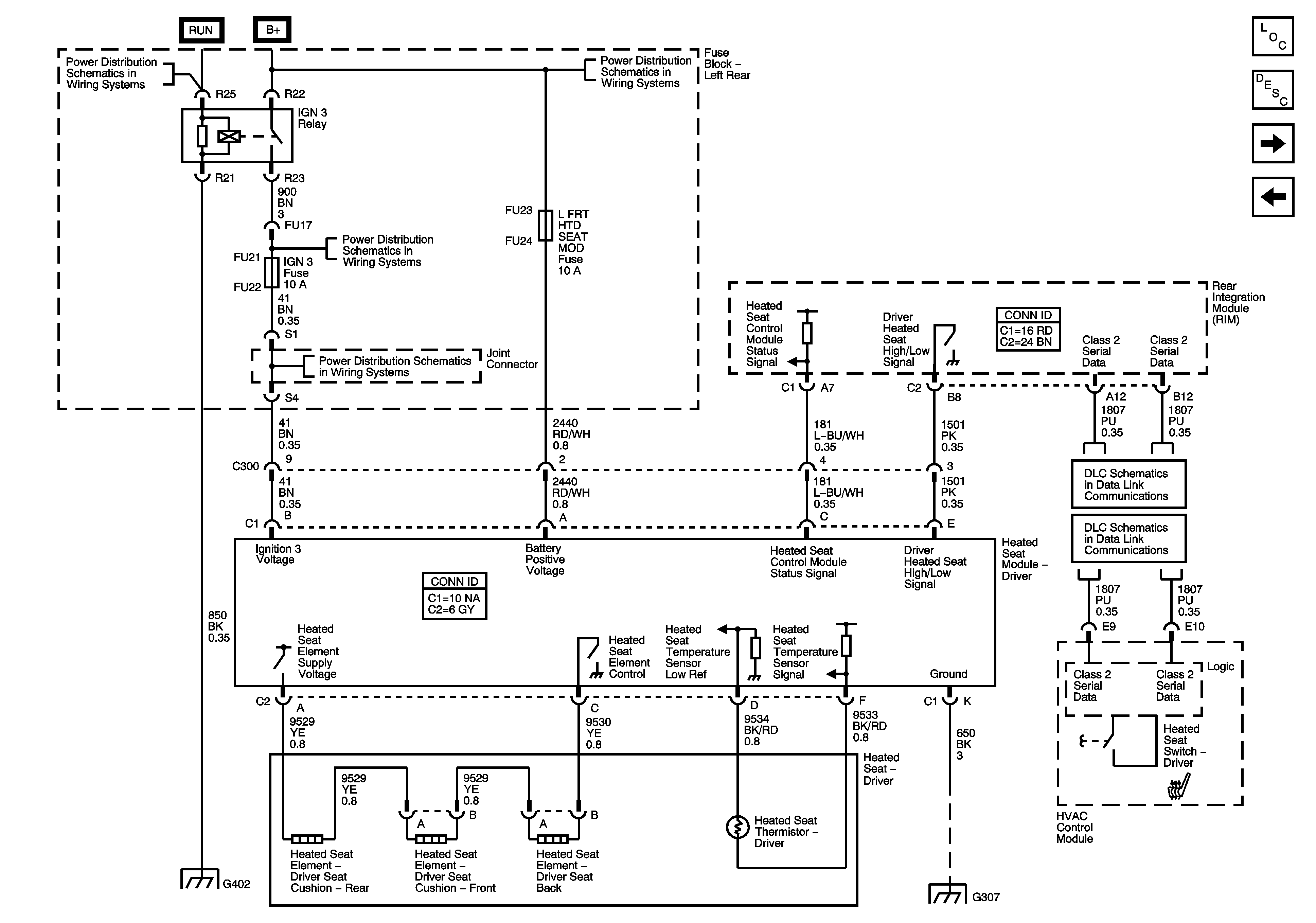
Heated Seats (KA1)
Fuse Block - Left Rear B+ Bus
FFSM, FFS SW. and THEFT Fuses and SEAT Circuit Breaker
G307
Figure 2:

Heated Seat (KA1)


Object Number: 1234085  Size: FS
Master Electrical Component List
Heated Seats Description and Operation
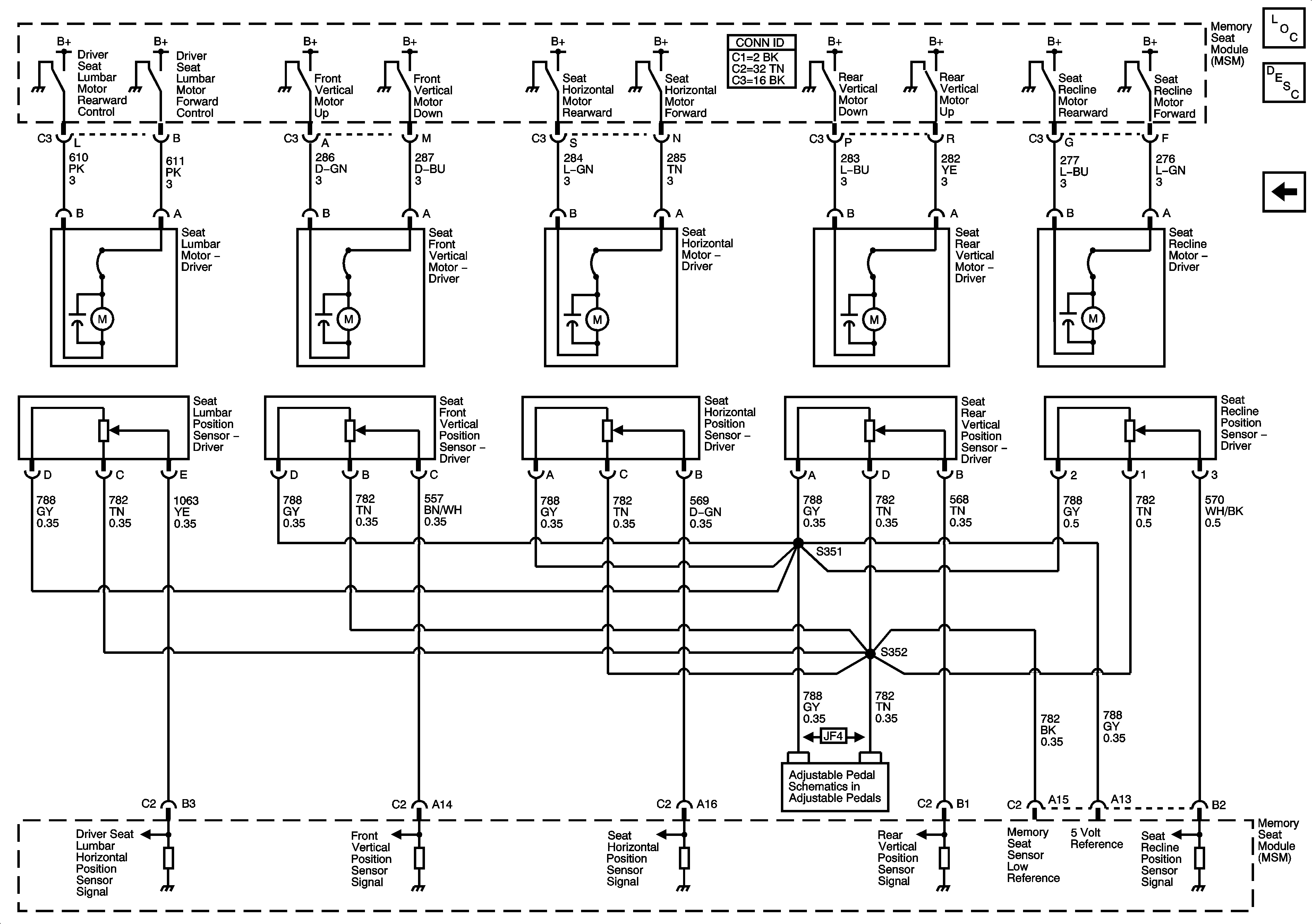
Memory Seat Module Power, Ground, and Seat Adjuster Switches (A45)
Power Seat (w/o A45)
IGN SW Fuse and Ignition Switch - 1 of 2
Fuse Block - Left Rear B+ Bus
AIRBAG, CCP (RUN), EBCM (RUN), HDLP LEVELING, IGN 1, AND IGN 3 Fuses
AIRBAG, CCP (RUN), EBCM (RUN), HDLP LEVELING, IGN 1, AND IGN 3 Fuses
Class 2 Serial Data - 2 of 2
Class 2 Serial Data - 1 of 2
G402 - 1 of 2
G307
Figure 3:

Memory Seat Module Power, Ground, and Seat Adjuster Switches (A45)


Object Number: 1234067  Size: FS
Master Electrical Component List
Memory Seats Description and Operation
Memory Seat Controls (A45)
Heated Seats (KA1)
Fuse Block - Left Rear B+ Bus
Fuse Block - Left Rear B+ Bus
FFSM, FFS SW. and THEFT Fuses and SEAT Circuit Breaker
Adjustable Pedals Schematic
G307
Figure 4:

Memory Seat Controls (A45)


Object Number: 1234069  Size: FS
Master Electrical Component List
Memory Seats Description and Operation
Memory Seat Position Sensors and Motors (A45)
Memory Seat Module Power, Ground, and Seat Adjuster Switches (A45)
Dimming Lamps - 2 of 2
DDM Power, Ground and Serial Data
Class 2 Serial Data - 1 of 2
Figure 5:

Memory Seat Position Sensors and Motors (A45)


Object Number: 1234074  Size: FS
Master Electrical Component List
Memory Seats Description and Operation
Memory Seat Controls (A45)
Adjustable Pedals Schematic