GM Service Manual Online
For 1990-2009 cars only
Figure 1:

Radio and Audio Amplifier (U2R/U2S)


Object Number: 1260332  Size: FS
Master Electrical Component List
Radio/Audio System Description and Operation
Radio and CD Changer (U2V/U2X/U2Y)
Fuse Block - Left Rear B+ Bus
AMP, AUDIO, DRIVER DR MOD ELC COMP, L FRT HTD SEAT MOD, MEM/ADAPT SEAT, and REAR DR MOD Fuses
Class 2 Serial Data - 1 of 2
Entertainment Schematic Icons
Entertainment Schematic Icons
Entertainment Schematic Icons
Entertainment Schematic Icons
G402 - 1 of 2
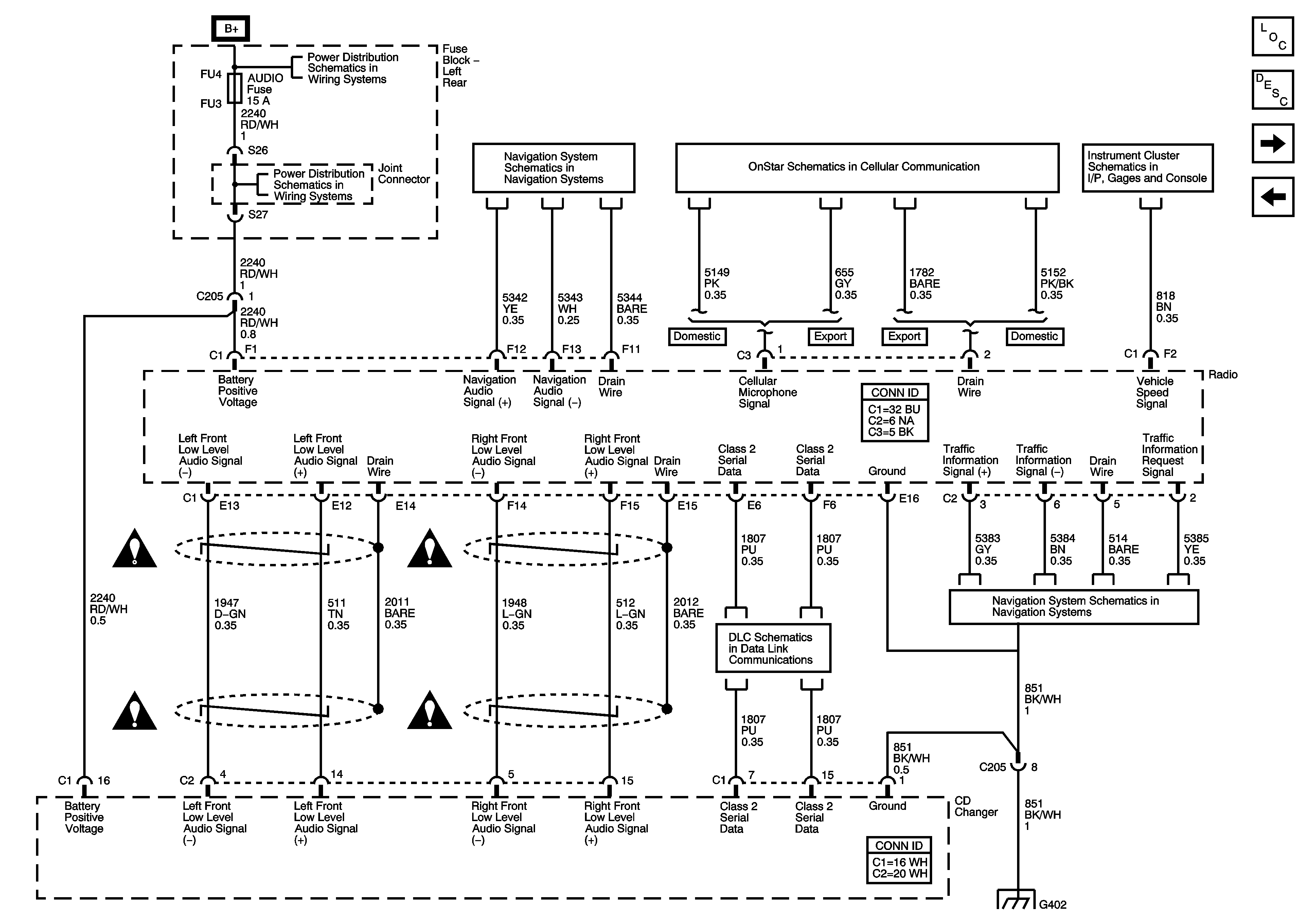
Figure 2:

Radio and CD Changer (U2V/U2X/U2Y)


Object Number: 1260392  Size: FS
Master Electrical Component List
Radio/Audio System Description and Operation
CD Player to Audio Amplifier (U2V/U2X/U2Y)
Radio and Audio Amplifier (U2R/U2S)
Fuse Block - Left Rear B+ Bus
AMP, AUDIO, DRIVER DR MOD ELC COMP, L FRT HTD SEAT MOD, MEM/ADAPT SEAT, and REAR DR MOD Fuses
Navigation Controls (U2V/U2X/U2Y)
Onstar Schematic
Gages
Entertainment Schematic Icons
Entertainment Schematic Icons
Entertainment Schematic Icons
Entertainment Schematic Icons
Traffic Information Receiver (U2X)
Class 2 Serial Data - 1 of 2
G402 - 1 of 2
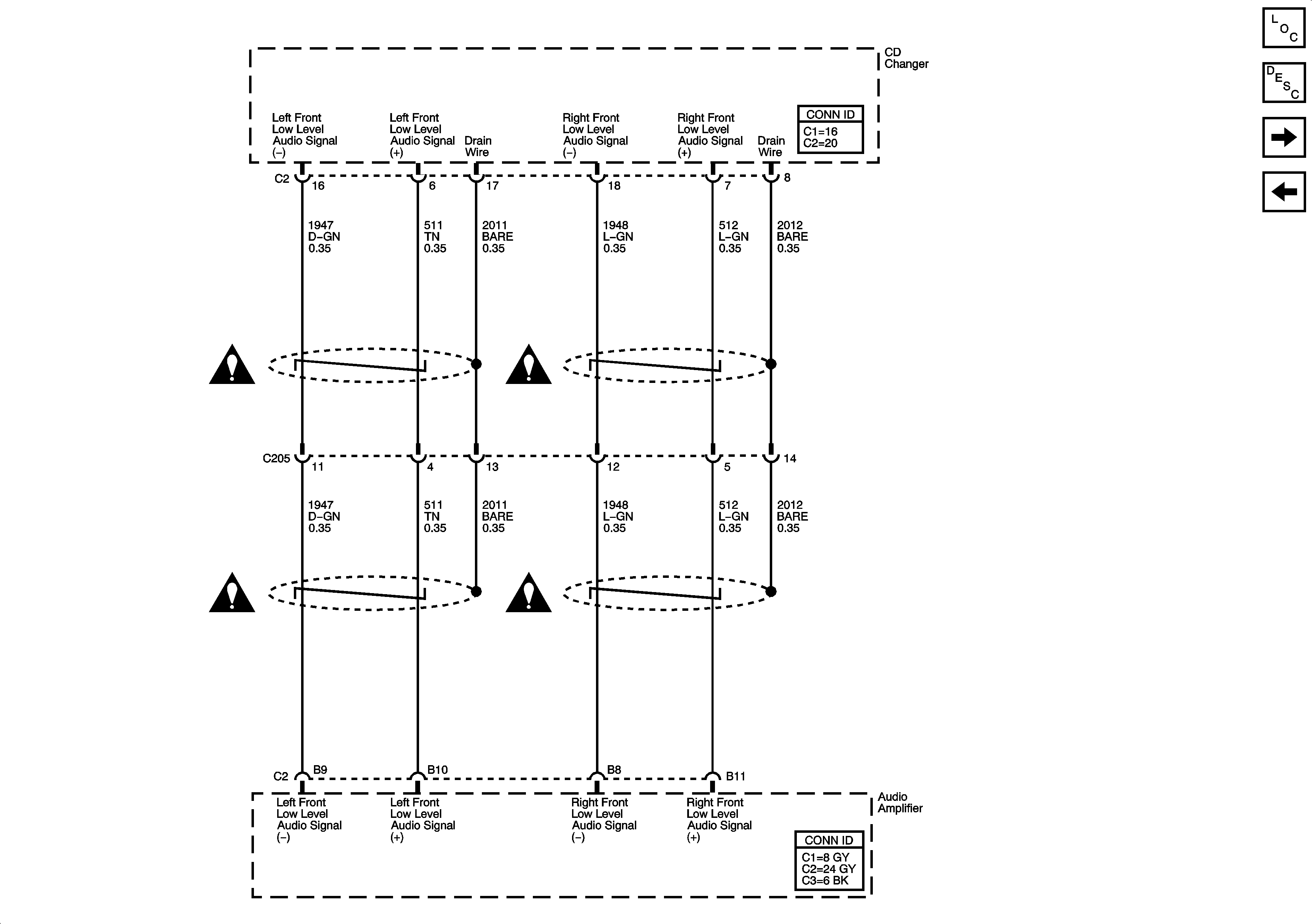
Figure 3:

CD Player to Audio Amplifier (U2V/U2X/U2Y)


Object Number: 1260397  Size: FS
Master Electrical Component List
Radio/Audio System Description and Operation
Speaker (U66)
Radio and CD Changer (U2V/U2X/U2Y)
Entertainment Schematic Icons
Entertainment Schematic Icons
Entertainment Schematic Icons
Entertainment Schematic Icons
Figure 4:

Speakers (U66)


Object Number: 1260401  Size: FS
Master Electrical Component List
Radio/Audio System Description and Operation
Speaker (V57)
CD Player to Audio Amplifier (U2V/U2X/U2Y)
Onstar Schematic
Entertainment Schematic Icons
Entertainment Schematic Icons
Entertainment Schematic Icons
Entertainment Schematic Icons
Entertainment Schematic Icons
Entertainment Schematic Icons
Entertainment Schematic Icons
Entertainment Schematic Icons
Entertainment Schematic Icons
Entertainment Schematic Icons
Entertainment Schematic Icons
Entertainment Schematic Icons
Entertainment Schematic Icons
Entertainment Schematic Icons
Entertainment Schematic Icons
Entertainment Schematic Icons
Figure 5:

Speakers (V57)


Object Number: 1260454  Size: FS
Master Electrical Component List
Radio/Audio System Description and Operation
Radio Antenna
Speaker (U66)
Onstar Schematic
Navigation Controls (U2V/U2X/U2Y)
Entertainment Schematic Icons
Entertainment Schematic Icons
Entertainment Schematic Icons
Entertainment Schematic Icons
Entertainment Schematic Icons
Entertainment Schematic Icons
Entertainment Schematic Icons
Entertainment Schematic Icons
Entertainment Schematic Icons
Entertainment Schematic Icons
Entertainment Schematic Icons
Entertainment Schematic Icons
Entertainment Schematic Icons
Entertainment Schematic Icons
Entertainment Schematic Icons
Figure 6:

Radio Antenna


Object Number: 1260474  Size: FS
Master Electrical Component List
Radio/Audio System Description and Operation
Digital Radio (U2K)
Speaker (V57)
Fuse Block - Left Rear B+ Bus
FFSM, FFS SW. and THEFT Fuses and SEAT Circuit Breaker
Class 2 Serial Data - 2 of 2
Traffic Information Receiver (U2X)
Figure 7:

Digital Radio (U2K)


Object Number: 1260495  Size: FS
Master Electrical Component List
Radio/Audio System Description and Operation
Radio Antenna
Fuse Block - Left Rear B+ Bus
AMP, AUDIO, DRIVER DR MOD ELC COMP, L FRT HTD SEAT MOD, MEM/ADAPT SEAT, and REAR DR MOD Fuses
Class 2 Serial Data - 2 of 2
G402 - 1 of 2
Entertainment Schematic Icons
Entertainment Schematic Icons
Entertainment Schematic Icons