GM Service Manual Online
For 1990-2009 cars only
Makes
🢒
Cadillac
🢒
2004
🢒
SRX
🢒
Accessories
🢒
Entertainment
🢒 Video System Schematics
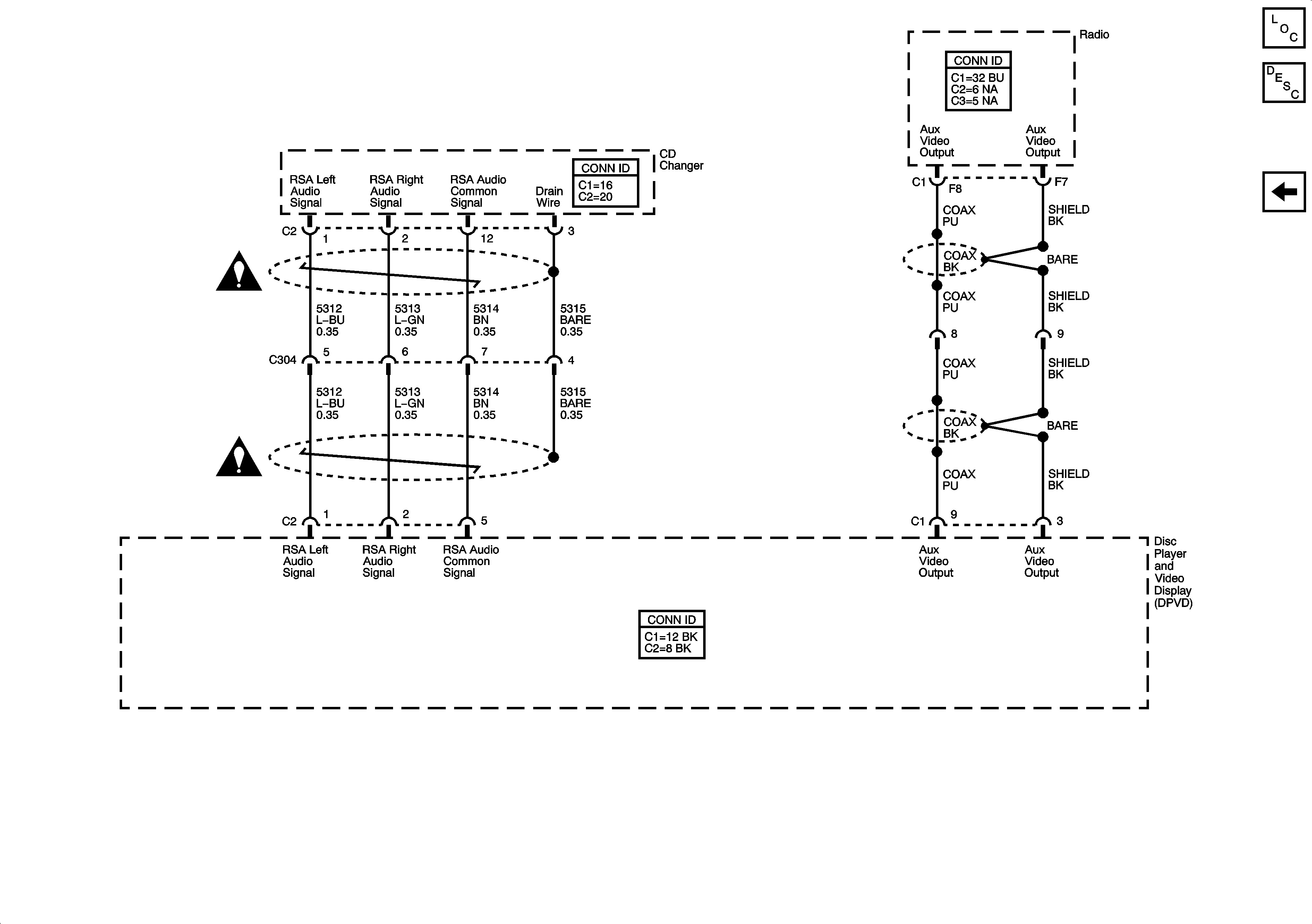
Video System Schematics U2X/U2Y
Master Electrical Component List
Radio/Audio System Description and Operation
DVD Player and Display Module Schematic
Fuse Block - Left Rear B+ Bus
AMP, AUDIO, DRIVER DR MOD ELC COMP, L FRT HTD SEAT MOD, MEM/ADAPT SEAT, and REAR DR MOD Fuses
Class 2 Serial Data - 2 of 2
Fuse Block - Right Rear B+ Bus
POWER SOUNDER, RIM, RT FRT DR MOD, SUSPNTN, and VICS/RAP Fuses
Entertainment Schematic Icons
Entertainment Schematic Icons
Entertainment Schematic Icons
Entertainment Schematic Icons
Class 2 Serial Data - 1 of 2
G402 - 1 of 2
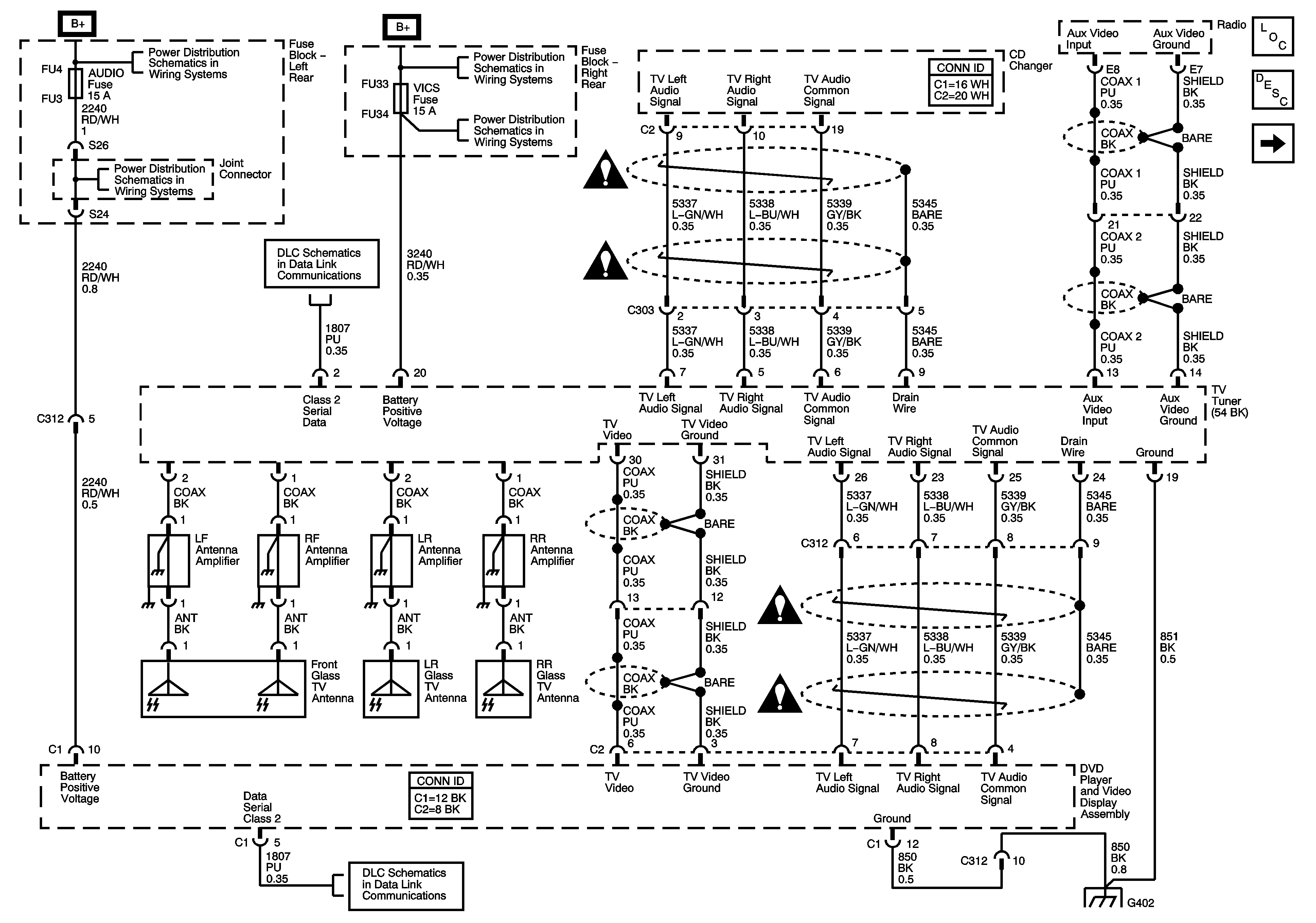
Video System Schematics U2V
Master Electrical Component List
Radio/Audio System Description and Operation
TV and DVD Power, Ground and Serial Data Schematic
Entertainment Schematic Icons
Entertainment Schematic Icons