GM Service Manual Online
For 1990-2009 cars only
Makes
🢒
Cadillac
🢒
2004
🢒
SRX
🢒
Accessories
🢒
Navigation Systems
🢒 Navigation System Schematics
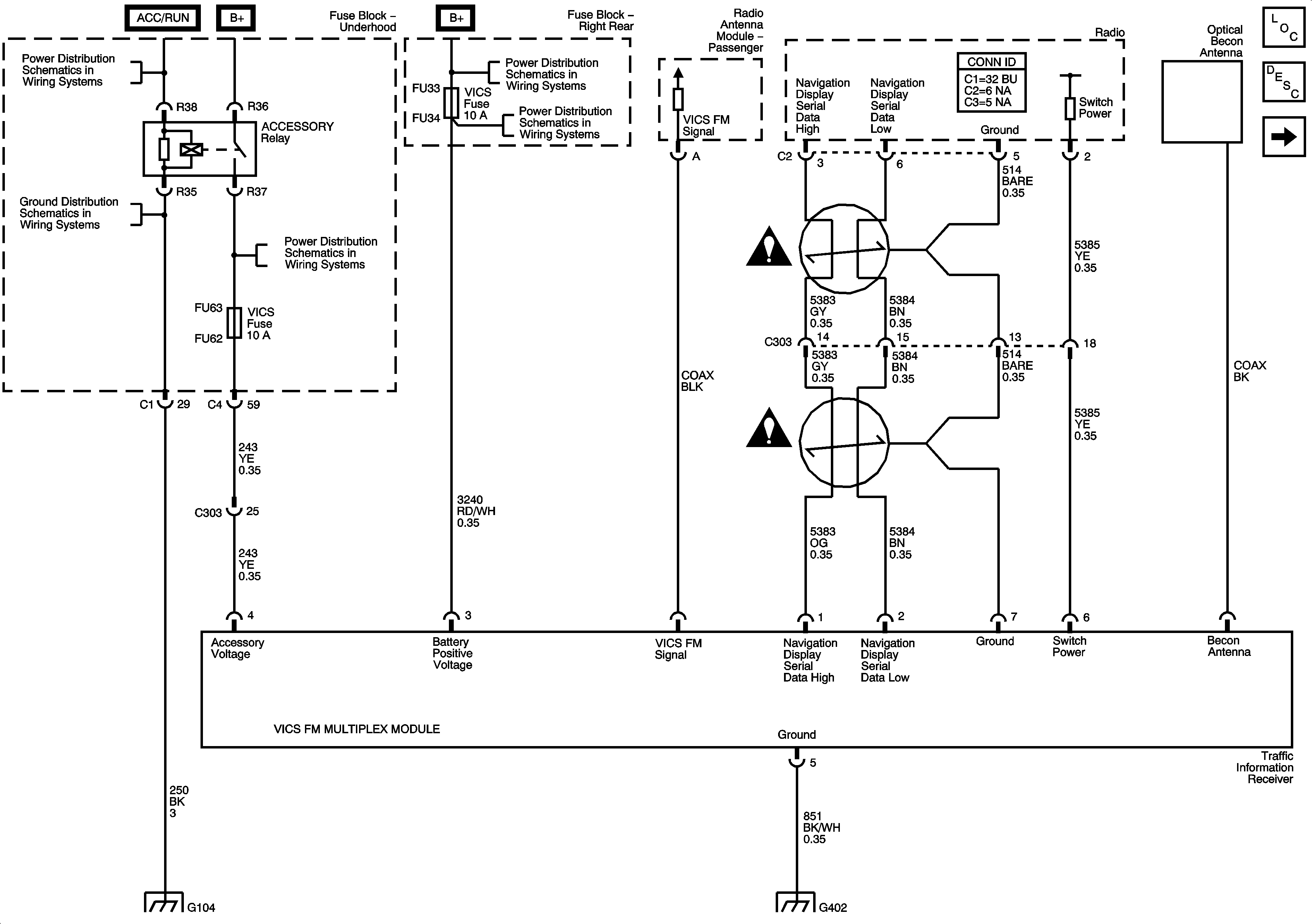
Figure
1:
Traffic Information Receiver (U2X)
Master Electrical Component List
Navigation System Description and Operation
Navigation Controls (U2V/U2X/U2Y)
RIM and THEFT Fuses and Ignition Switch - 2 of 2
G104
POWER SOUNDER, RIM, RT FRT DR MOD, SUSPNTN, and VICS/RAP Fuses
Fuse Block - Right Rear B+ Bus
POWER SOUNDER, RIM, RT FRT DR MOD, SUSPNTN, and VICS/RAP Fuses
Navigation System Schematic Icons
Navigation System Schematic Icons
G104
G402 - 1 of 2
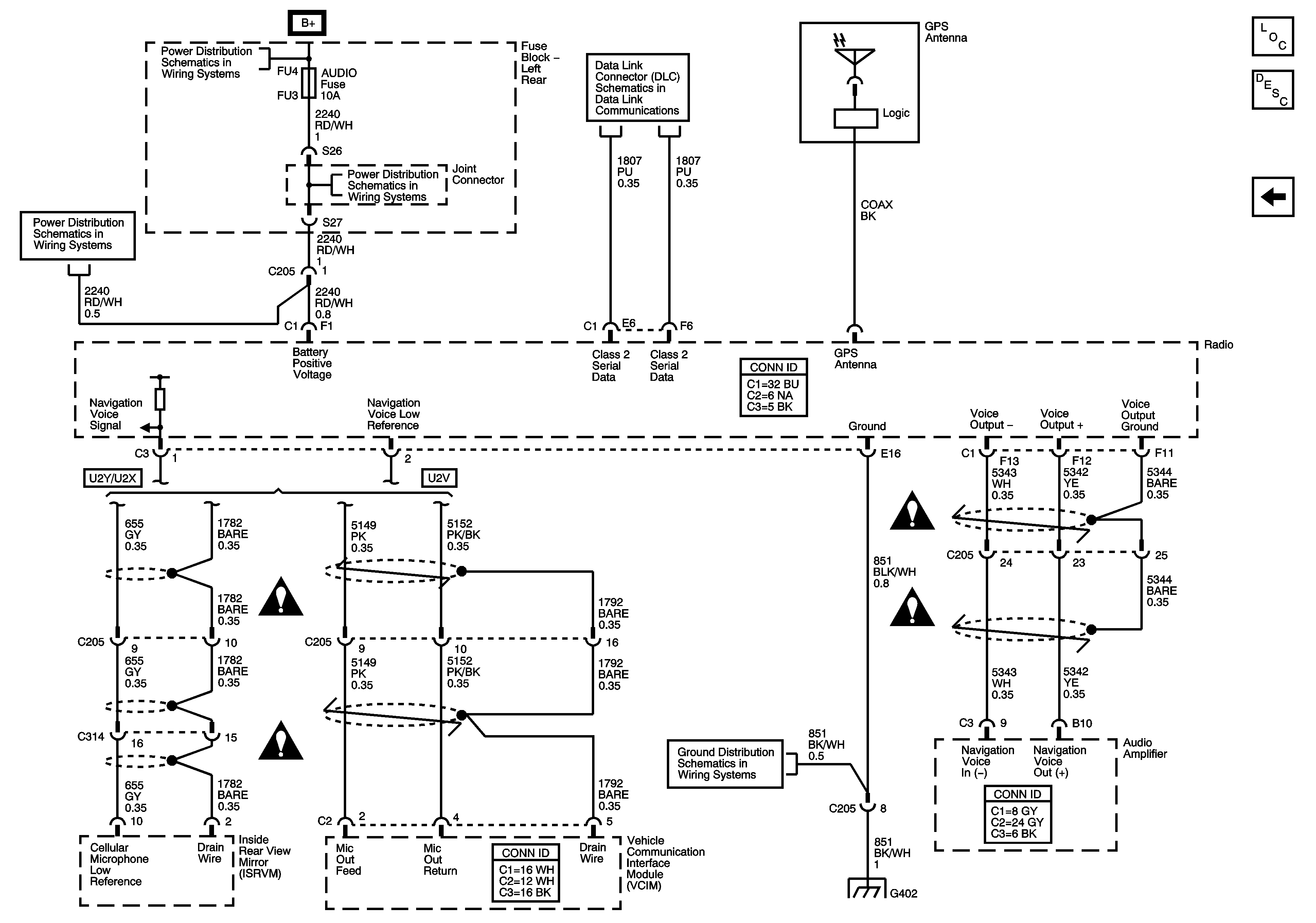
Figure
2:
Navigation Controls (U2V/U2X/U2Y)
Master Electrical Component List
Navigation System Description and Operation
Traffic Information Receiver (U2X)
Fuse Block - Left Rear B+ Bus
AMP, AUDIO, DRIVER DR MOD ELC COMP, L FRT HTD SEAT MOD, MEM/ADAPT SEAT, and REAR DR MOD Fuses
Class 2 Serial Data - 1 of 2
AMP, AUDIO, DRIVER DR MOD ELC COMP, L FRT HTD SEAT MOD, MEM/ADAPT SEAT, and REAR DR MOD Fuses
Navigation System Schematic Icons
Navigation System Schematic Icons
Navigation System Schematic Icons
Navigation System Schematic Icons
G402 - 1 of 2
G402 - 1 of 2