GM Service Manual Online
For 1990-2009 cars only
Figure 1:

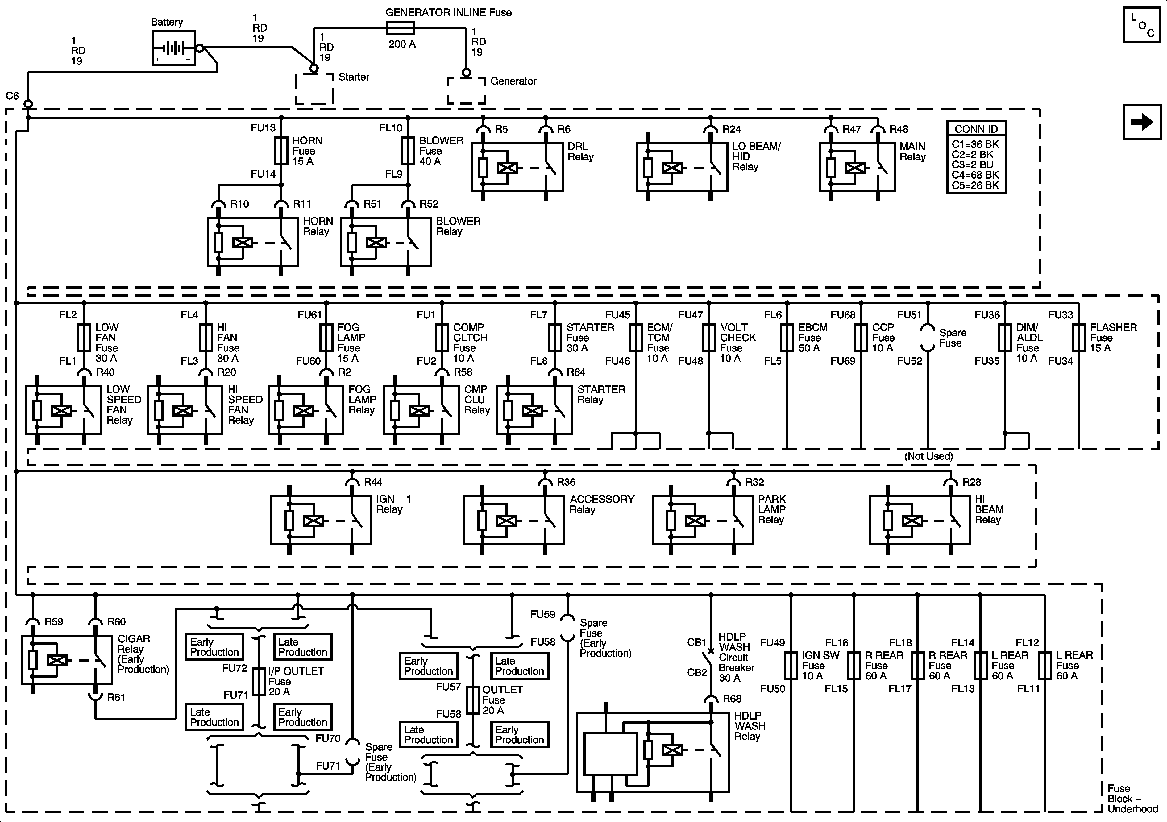
Fuse Block - Underhood B+ Bus


Object Number: 928627  Size: FS
Master Electrical Component List
Fuse Block - Right Rear B+ Bus
Figure 2:

Fuse Block - Right Rear B+ Bus


Object Number: 928636  Size: FS
Master Electrical Component List
Fuse Block - Left Rear B+ Bus
Fuse Block - Underhood B+ Bus Schematic
Fuse Block - Underhood B+ Bus Schematic
Figure 3:

Fuse Block - Left Rear B+ Bus


Object Number: 928637  Size: FS
Master Electrical Component List
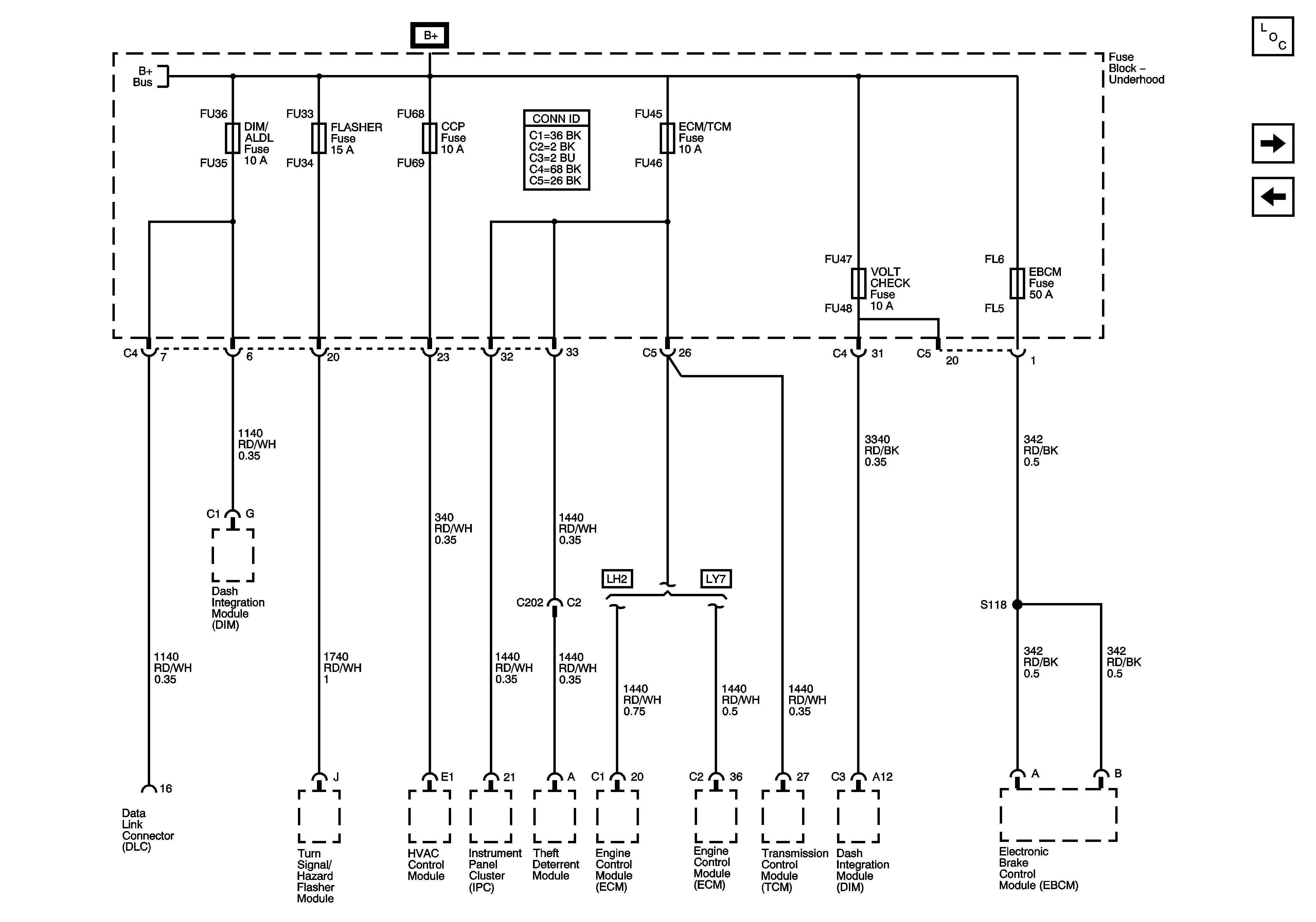
CCP (B+), DIM/ALDL, EBCM (B+), ECM/TCM, FLASHER, and VOLT CHECK Fuses
Fuse Block - Right Rear B+ Bus
Fuse Block - Underhood B+ Bus Schematic
Figure 4:

CCP (B+) DIM/ALDL, EBCM (B+) ECM/TCM, FLASHER, and VOLT CHECK Fuses


Object Number: 928653  Size: FS
Master Electrical Component List
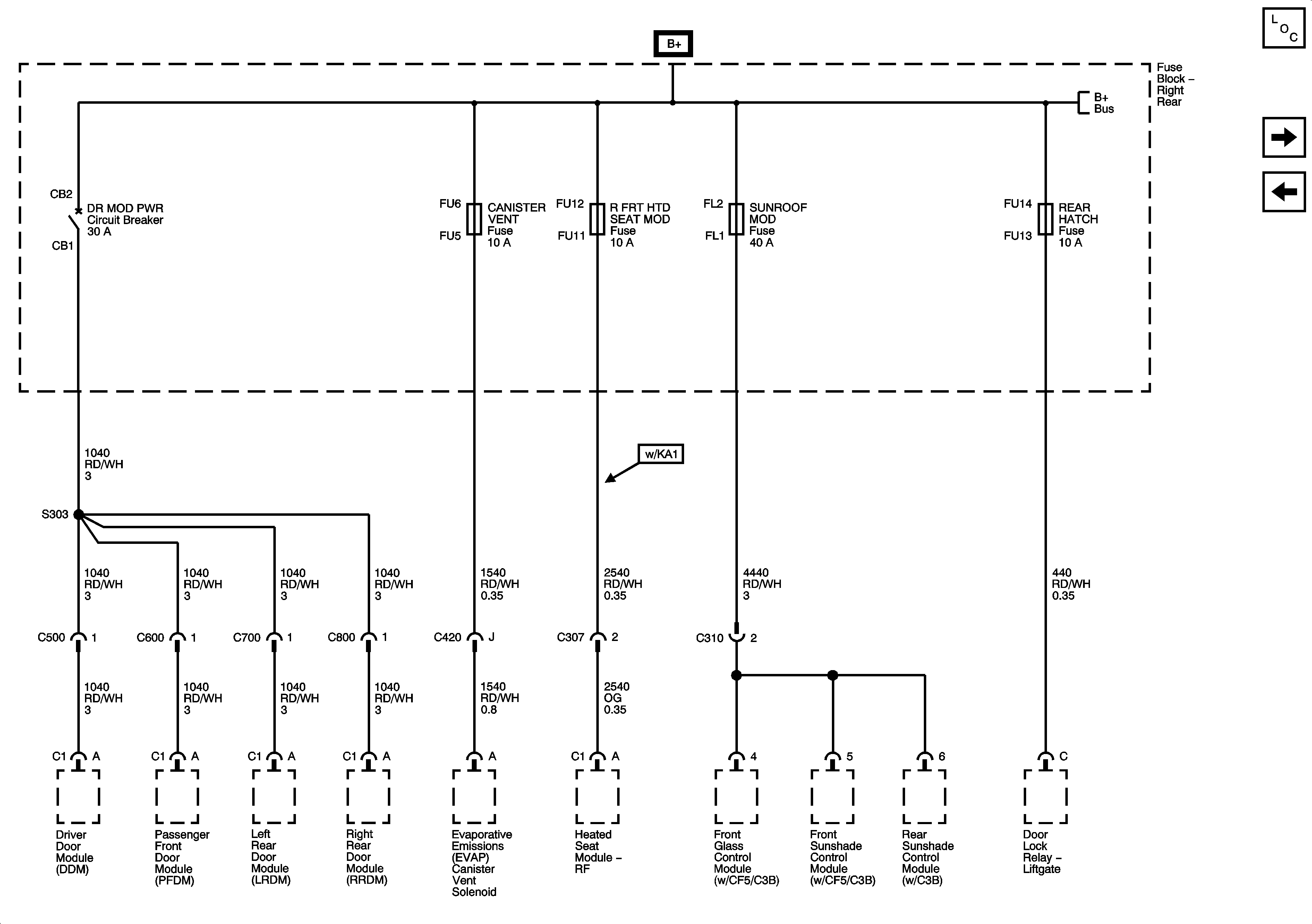
CANISTER VENT, DR MOD PWR, R FRT HTD SEAT MOD, and SUNROOF MOD Fuses
Fuse Block - Left Rear B+ Bus
Fuse Block - Underhood B+ Bus Schematic
Figure 5:

CANISTER VENT, DR MOD PWR, REARHATCH, R FRT HTD SEAT MOD, and SUNROOF MOD Fuses


Object Number: 928804  Size: FS
Master Electrical Component List
POWER SOUNDER, RIM, RT FRT DR MOD, SUSPNTN, and VICS/RAP Fuses
CCP (B+), DIM/ALDL, EBCM (B+), ECM/TCM, FLASHER, and VOLT CHECK Fuses
Fuse Block - Underhood B+ Bus Schematic
Figure 6:

POWER SOUNDER, RIM RT FRT DR MOD, SUSPNTN, and VICS/RAP Fuses


Object Number: 928783  Size: FS
Master Electrical Component List
AMP, AUDIO, DRIVER DR MOD ELC COMP, L FRT HTD SEAT MOD, MEM/ADAPT SEAT, and REAR DR MOD Fuses
CANISTER VENT, DR MOD PWR, R FRT HTD SEAT MOD, and SUNROOF MOD Fuses
Fuse Block - Underhood B+ Bus Schematic
Fuse Block - Underhood B+ Bus Schematic
Figure 7:

AMP, AUDIO, DRIVER DR MOD, ELC COMP, L FRT HTD SEAT MOD, MEM/ADAPT SEAT, and REAR DR MOD Fuses


Object Number: 928745  Size: FS
Master Electrical Component List
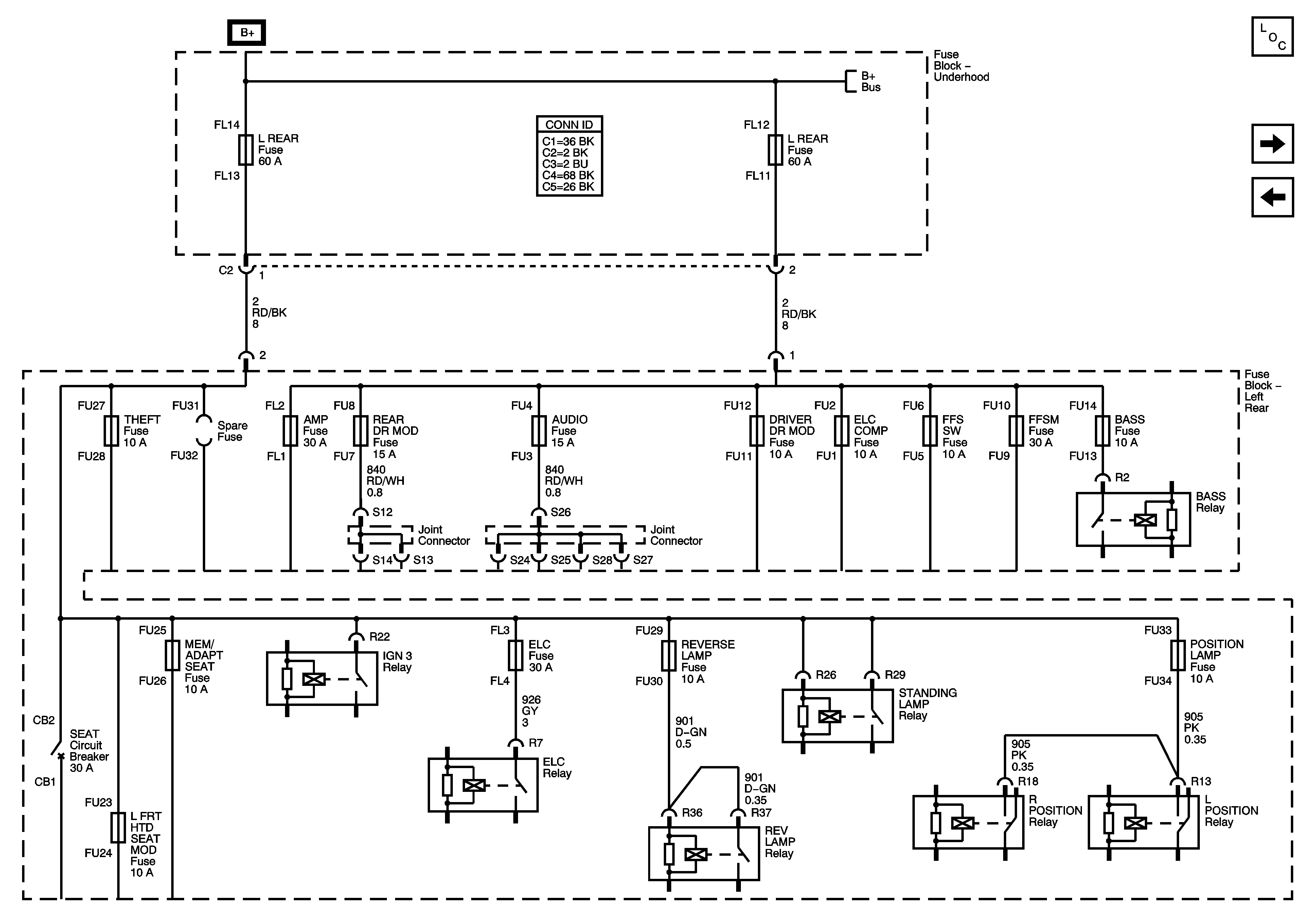
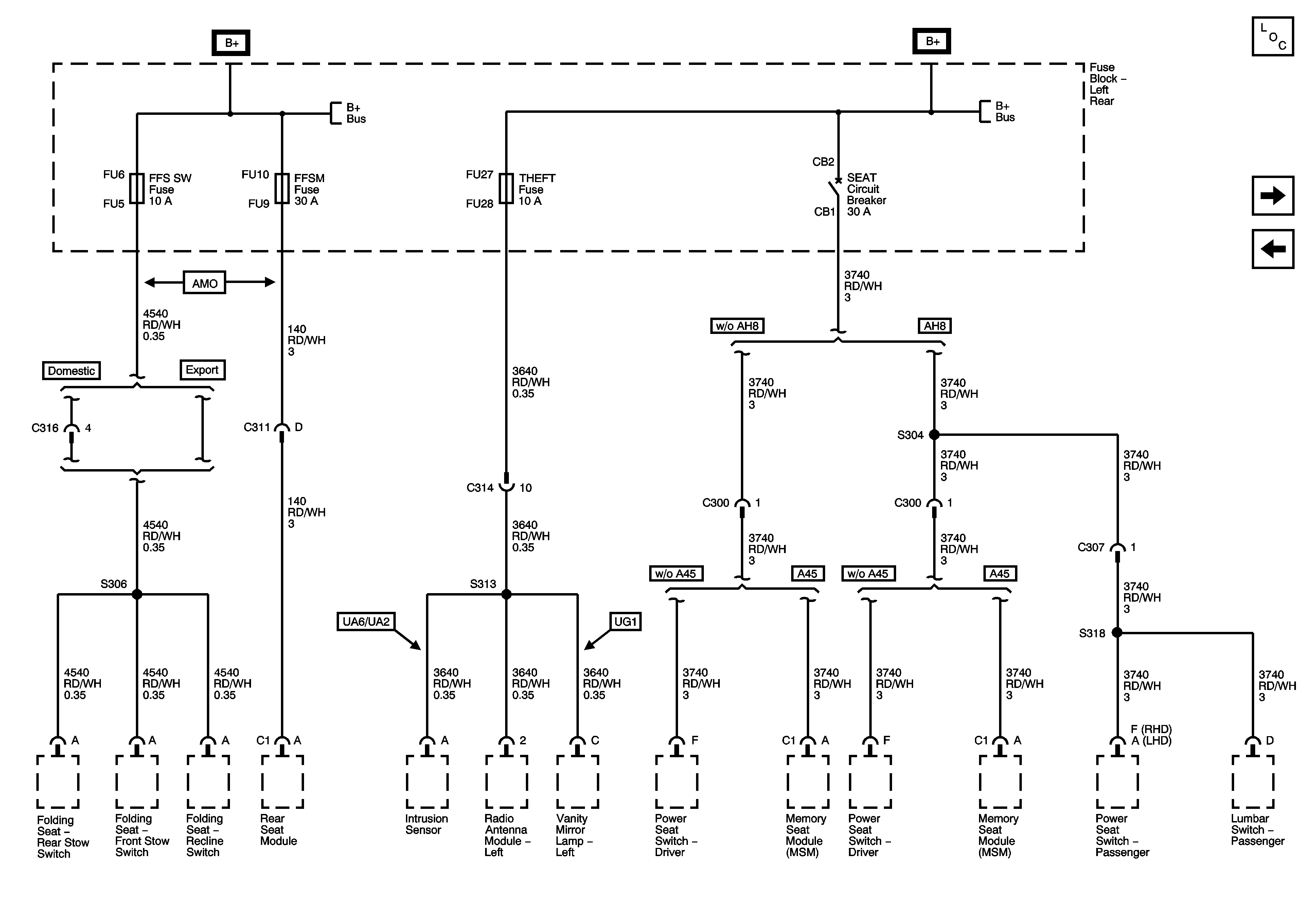
FFSM, FFS SW. and THEFT Fuses and SEAT Circuit Breaker
POWER SOUNDER, RIM, RT FRT DR MOD, SUSPNTN, and VICS/RAP Fuses
Fuse Block - Underhood B+ Bus Schematic
Fuse Block - Underhood B+ Bus Schematic
Figure 8:

FFSM, FFS SW, and THEFT Fuses and SEAT Circuit Breaker


Object Number: 928762  Size: FS
Master Electrical Component List
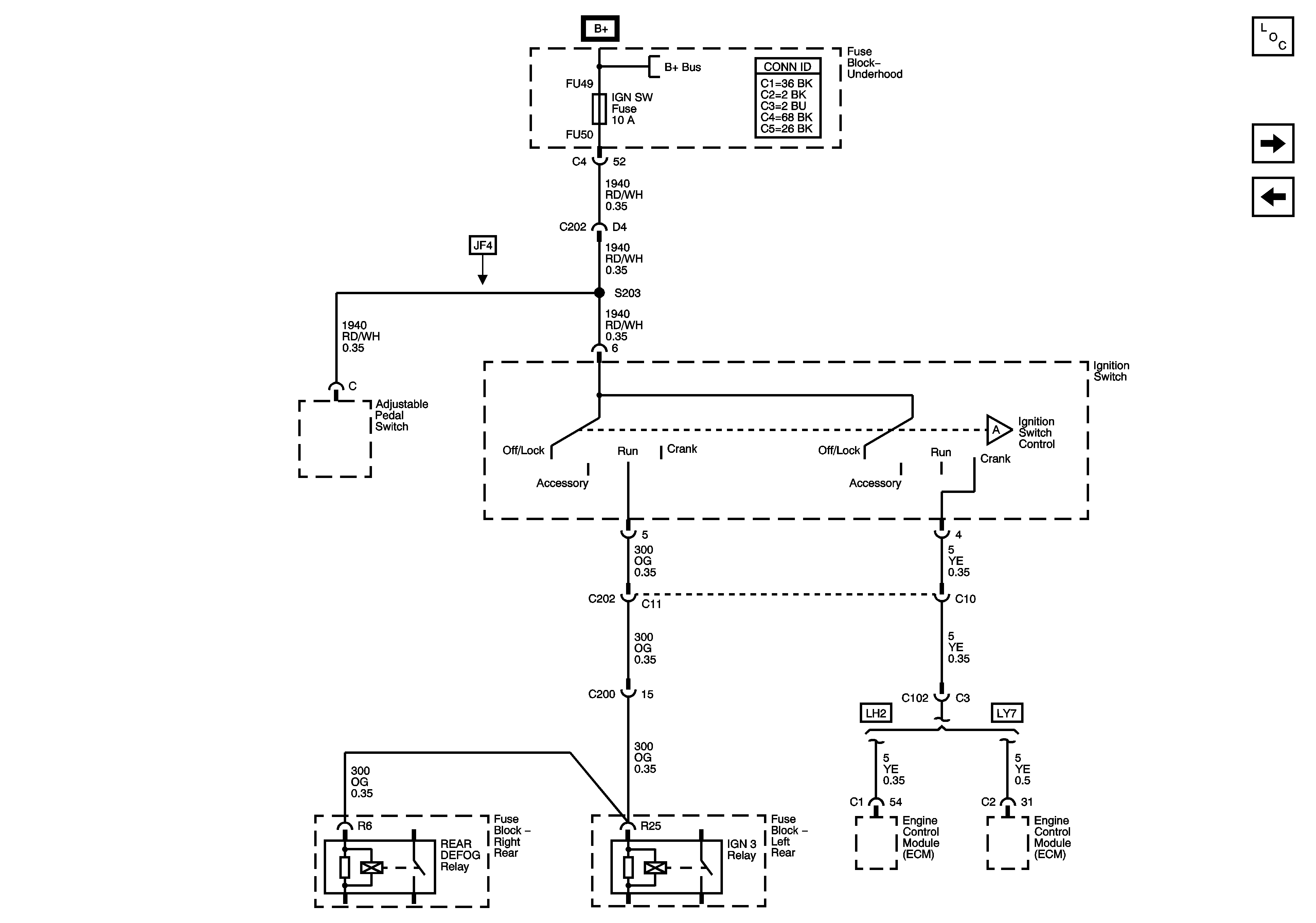
IGN SW Fuse and Ignition Switch - 1 of 2
AMP, AUDIO, DRIVER DR MOD ELC COMP, L FRT HTD SEAT MOD, MEM/ADAPT SEAT, and REAR DR MOD Fuses
Fuse Block - Left Rear B+ Bus
Fuse Block - Left Rear B+ Bus
Figure 9:

IGN SW Fuse and Ignition Switch - 1 of 2


Object Number: 928638  Size: FS
Master Electrical Component List
RIM and THEFT Fuses and Ignition Switch - 2 of 2
FFSM, FFS SW. and THEFT Fuses and SEAT Circuit Breaker
Fuse Block - Underhood B+ Bus Schematic
RIM and THEFT Fuses and Ignition Switch - 2 of 2
Figure 10:

RTM and THEFT Fuses and Ignition Switch - 2 of 2


Object Number: 928639  Size: FS
Master Electrical Component List
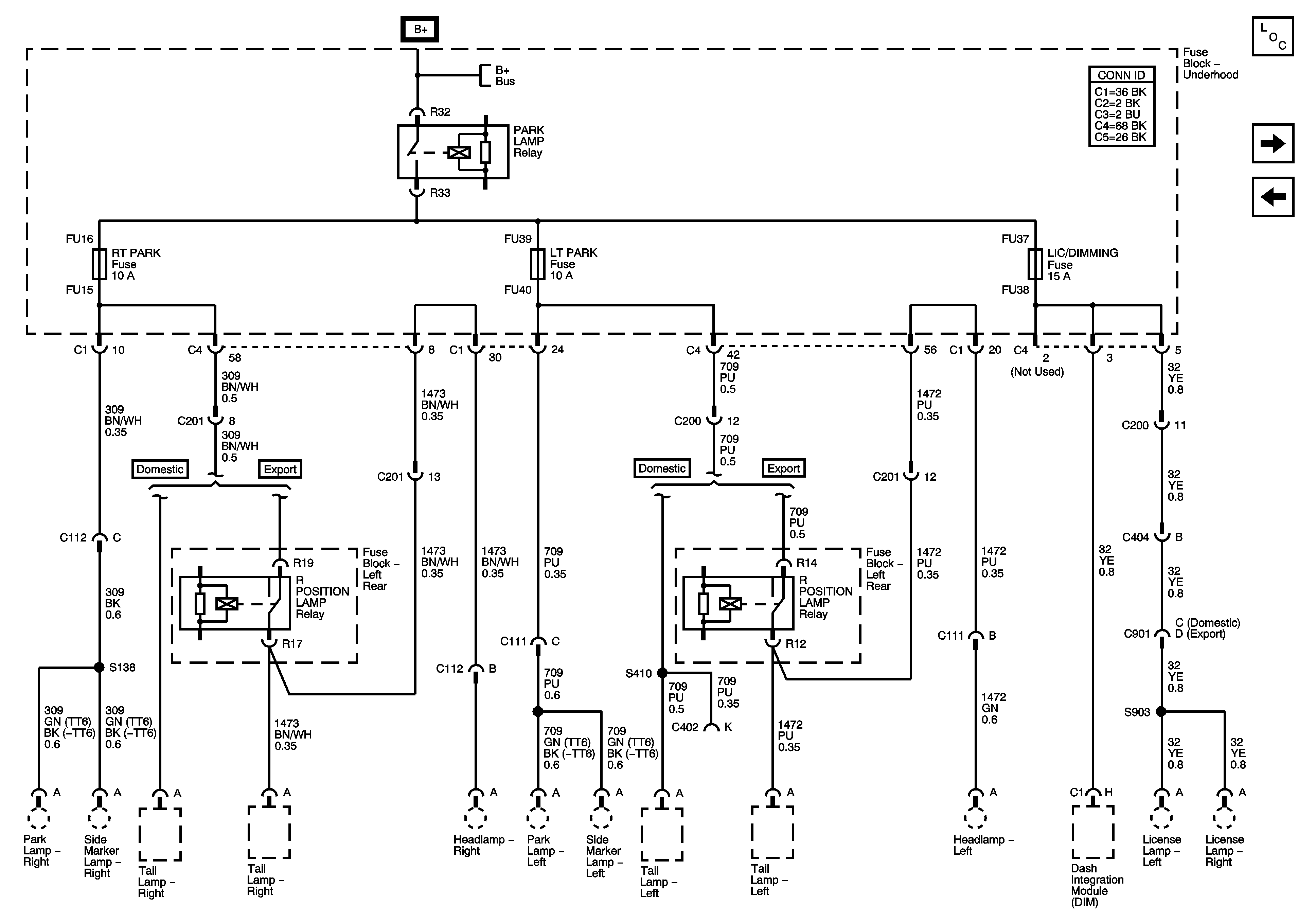
LIC/DIMMING , LT PARK, and RT PARK Fuses
IGN SW Fuse and Ignition Switch - 1 of 2
Fuse Block - Right Rear B+ Bus
IGN SW Fuse and Ignition Switch - 1 of 2
Figure 11:

LIC/DIMMING, LT PARK, and RT PARK Fuses


Object Number: 928640  Size: FS
Master Electrical Component List
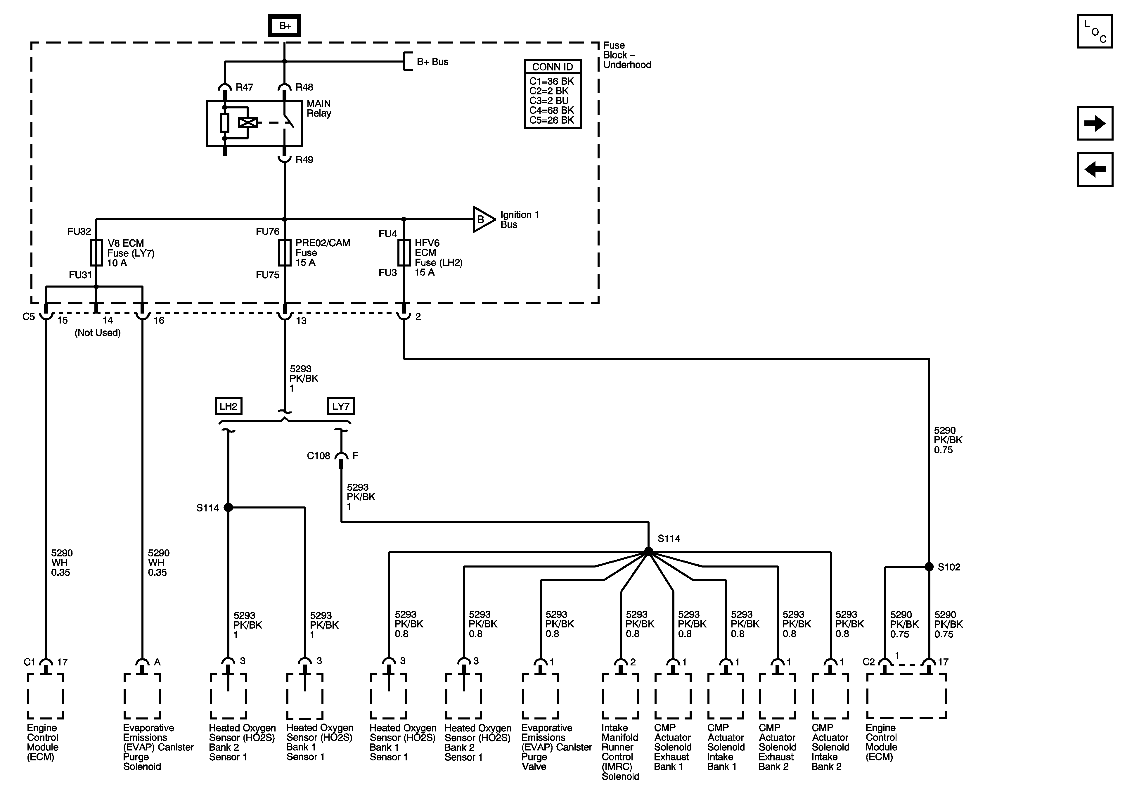
HFVG, PRE02/CAM, and V8 ECM Fuses
RIM and THEFT Fuses and Ignition Switch - 2 of 2
Fuse Block - Underhood B+ Bus Schematic
Figure 12:

HFVG, PRE 02/CAM, and V8 ECM Fuses


Object Number: 928642  Size: FS
Master Electrical Component List
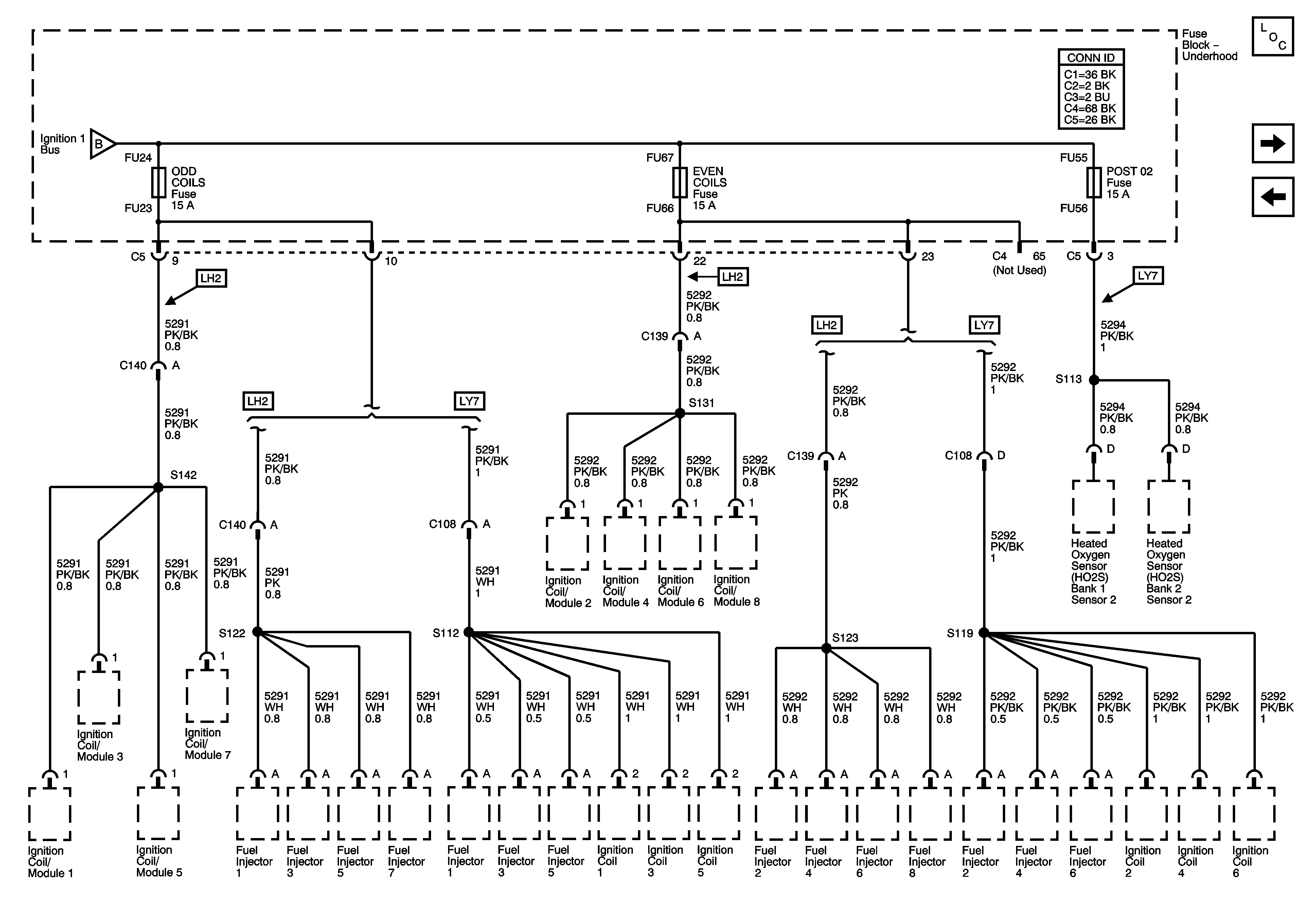
EVEN COILS, ODD COILS Fuse and POST O2 Fuses
LIC/DIMMING , LT PARK, and RT PARK Fuses
Fuse Block - Underhood B+ Bus Schematic
EVEN COILS, ODD COILS Fuse and POST O2 Fuses
Figure 13:

EVEN COILS, ODD COILS, and POST 02 Fuses


Object Number: 928649  Size: FS
Master Electrical Component List
AIRBAG, CCP (RUN), EBCM (RUN), HDLP LEVELING, IGN 1, AND IGN 3 Fuses
HFVG, PRE02/CAM, and V8 ECM Fuses
HFVG, PRE02/CAM, and V8 ECM Fuses
Figure 14:

AIRBAG, CCP (RUN), EBCM (RUN), HDLP LEVELING, IGN 1, and IGN 3 Fuses


Object Number: 928726  Size: FS
Master Electrical Component List
ABS, STARTER RLY, STRG CTLS, TCM/IPC, and WASH NOZ Fuses
EVEN COILS, ODD COILS Fuse and POST O2 Fuses
Fuse Block - Right Rear B+ Bus
Fuse Block - Left Rear B+ Bus
Figure 15:

ABS, STARTER RLY, STRG CTLS, TCM/IPC, and WASH NOZ Fuses


Object Number: 928673  Size: FS
Master Electrical Component List
I/P OUTLET, LT HI BEAM, LT LOW BEAM, OUTLET, RT HI BEAM, and RT LOW BEAM Fuses
AIRBAG, CCP (RUN), EBCM (RUN), HDLP LEVELING, IGN 1, AND IGN 3 Fuses
Fuse Block - Underhood B+ Bus Schematic
Figure 16:

I/P OUTLET, LT HI BEAM, LT LOW BEAM, OUTLET, RT HI BEAM, and RT LOW BEAM Fuses


Object Number: 928658  Size: FS
Master Electrical Component List
ABS, STARTER RLY, STRG CTLS, TCM/IPC, and WASH NOZ Fuses
Fuse Block - Underhood B+ Bus Schematic