GM Service Manual Online
For 1990-2009 cars only

Removal Procedure

  1. Remove the right closeout panel. Refer to Instrument Panel Insulator Panel Replacement - Right Side in Instrument Panel, Gages and Console.

  2. Object Number: 1378959  Size: SH
  3. Remove the instrument panel compartment. Refer to Instrument Panel Compartment Replacement in Instrument Panel, Gages and Console.
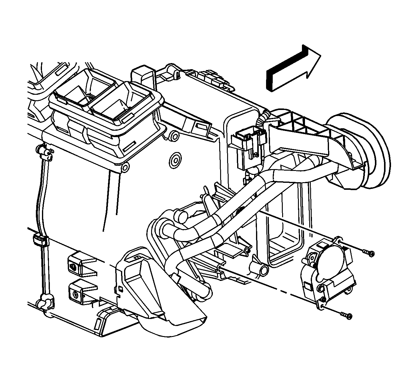
  4. Disconnect the right air temperature actuator electrical connector.

  5. Object Number: 1378956  Size: SH
  6. Remove the right air temperature actuator screws.
  7. Remove the right air temperature actuator.

Installation Procedure


    Object Number: 1378956  Size: SH
  1. Install the right air temperature actuator.
  2. Notice: Use the correct fastener in the correct location. Replacement fasteners must be the correct part number for that application. Fasteners requiring replacement or fasteners requiring the use of thread locking compound or sealant are identified in the service procedure. Do not use paints, lubricants, or corrosion inhibitors on fasteners or fastener joint surfaces unless specified. These coatings affect fastener torque and joint clamping force and may damage the fastener. Use the correct tightening sequence and specifications when installing fasteners in order to avoid damage to parts and systems.

  3. Install the right air temperature actuator screws.
  4. Tighten
    Tighten the screws to 1 N·m (9 lb in).


    Object Number: 1378959  Size: SH
  5. Connect the right air temperature actuator electrical connector.
  6. Install the instrument panel compartment. Refer to Instrument Panel Compartment Replacement in Instrument Panel, Gages and Console.
  7. Install the right closeout panel. Refer to Instrument Panel Insulator Panel Replacement - Right Side in Instrument Panel, Gages and Console.