GM Service Manual Online
For 1990-2009 cars only
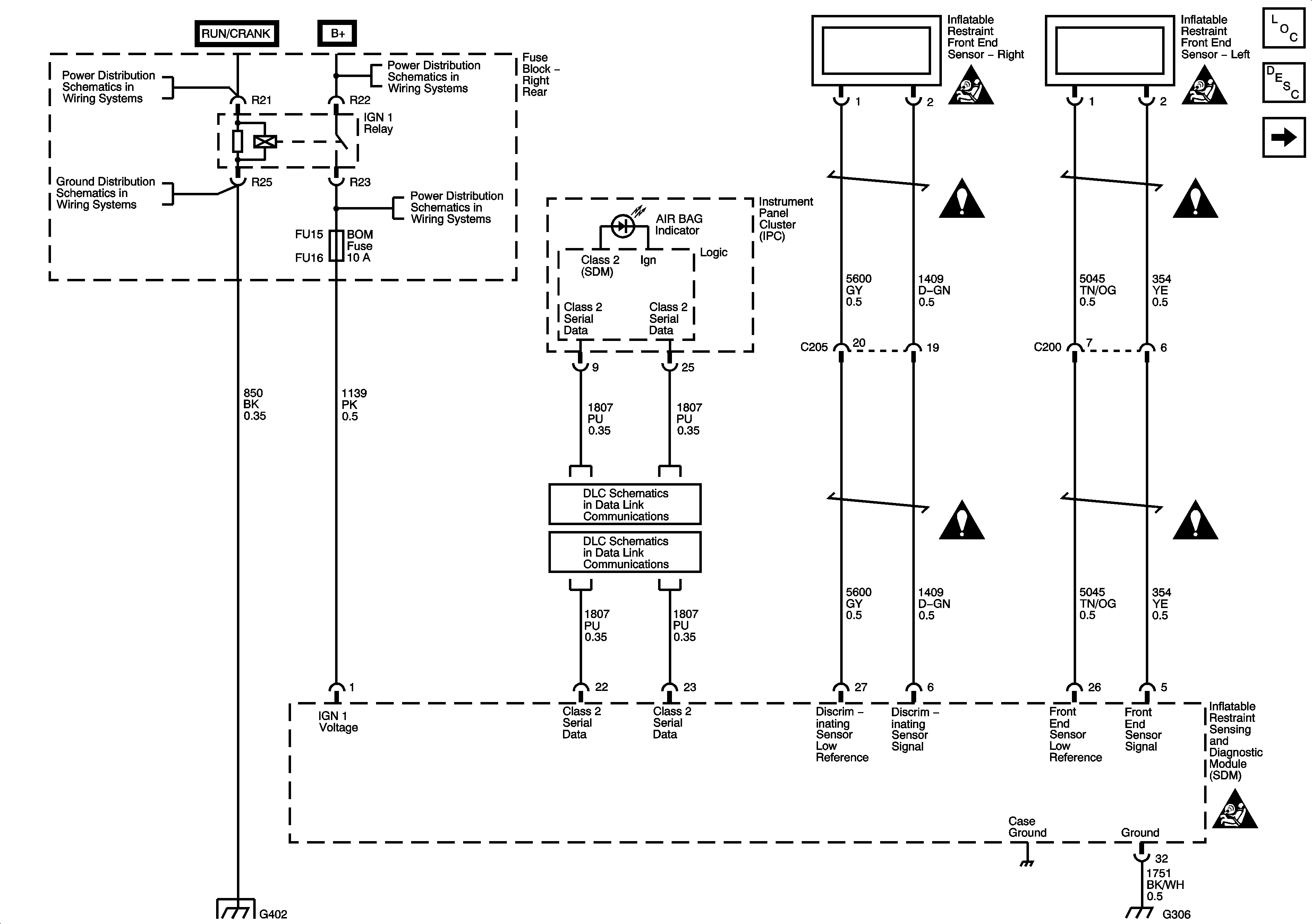
Figure 1:

Power, Ground, Class 2, Indicator and Front End Sensors


Object Number: 1225350  Size: FS
Master Electrical Component List
SIR System Description and Operation
Left Side Modules and Sensor
RIM and THEFT Fuses and Ignition Switch - 2 of 2
Fuse Block - Right Rear B+ Bus
G402 - 1 of 2
AIRBAG, CCP (RUN), EBCM (RUN), HDLP LEVELING, IGN 1, AND IGN 3 Fuses
SIR Caution for Zoning
SIR Caution for Zoning
SIR Schematic Icons
SIR Schematic Icons
Class 2 Serial Data - 1 of 2
Class 2 Serial Data - 2 of 2
SIR Schematic Icons
SIR Schematic Icons
SIR Caution for Zoning
G402 - 1 of 2
G111, G112, G113, G114 and G306
Figure 2:

Left Side Modules and Sensor


Object Number: 1225361  Size: FS
Master Electrical Component List
SIR System Description and Operation
Right Side Modules and Sensor
Power, Ground, Class 2, Indicator and Front End Sensor
SIR Caution for Zoning
SIR Schematic Icons
SIR Schematic Icons
SIR Schematic Icons
SIR Schematic Icons
SIR Schematic Icons
SIR Schematic Icons
Seat Belt
Figure 3:

Right Side Modules and Sensors


Object Number: 1225373  Size: FS
Master Electrical Component List
SIR System Description and Operation
Left Side Modules and Sensor
SIR Caution for Zoning
SIR Schematic Icons
SIR Schematic Icons
SIR Schematic Icons
SIR Schematic Icons
SIR Schematic Icons
SIR Schematic Icons