GM Service Manual Online
For 1990-2009 cars only
Makes
🢒
Cadillac
🢒
2004
🢒
SRX
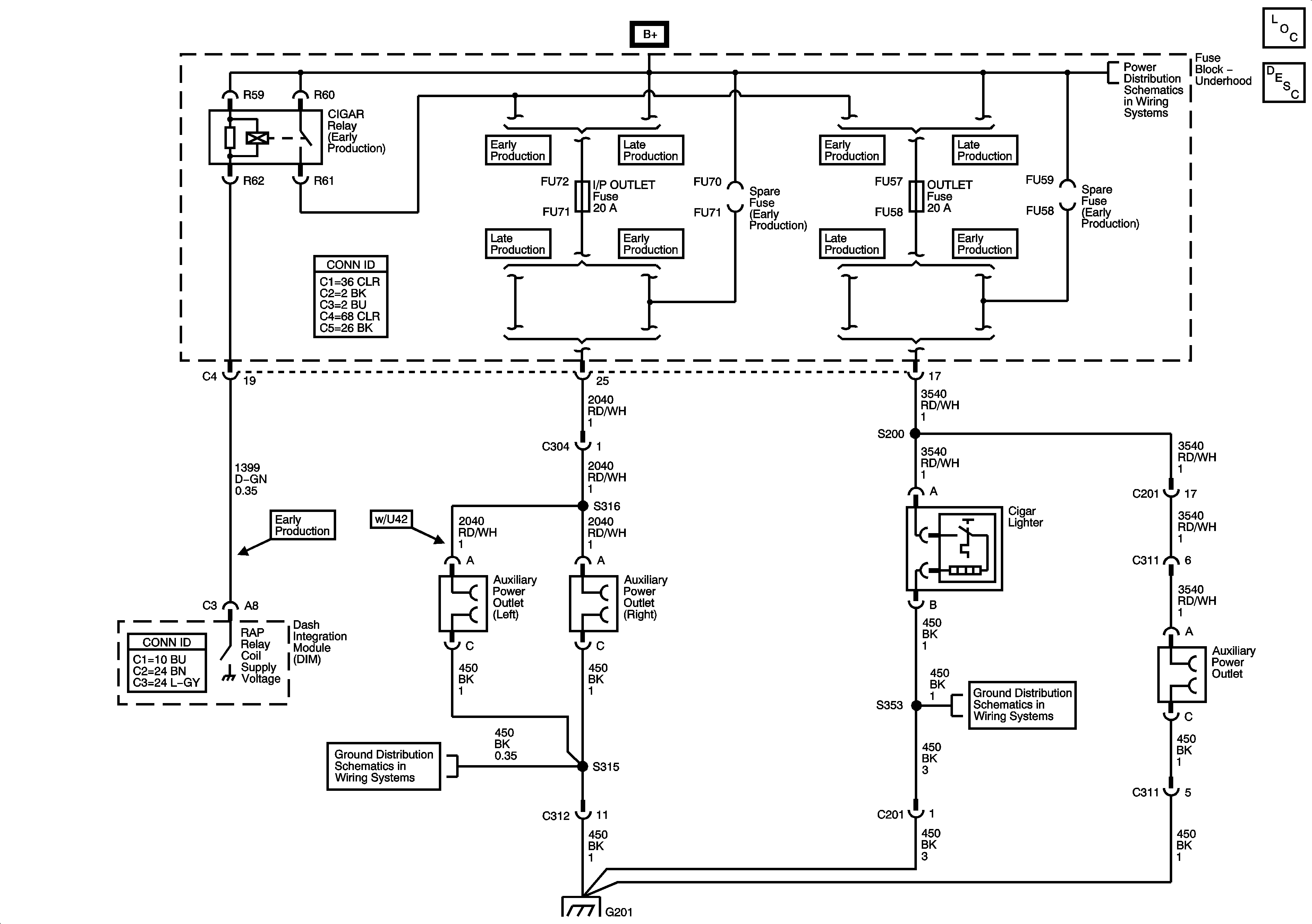
🢒 Cigar Lighter/Auxiliary Outlets Schematics
Cigar Lighter/Auxiliary Outlets Schematics
Cigar Lighter/Auxiliary Outlets
Master Electrical Component List
G201
G201
G201