GM Service Manual Online
For 1990-2009 cars only
Makes
🢒
Cadillac
🢒
2004
🢒
SRX
🢒 Headlamps - Domestic
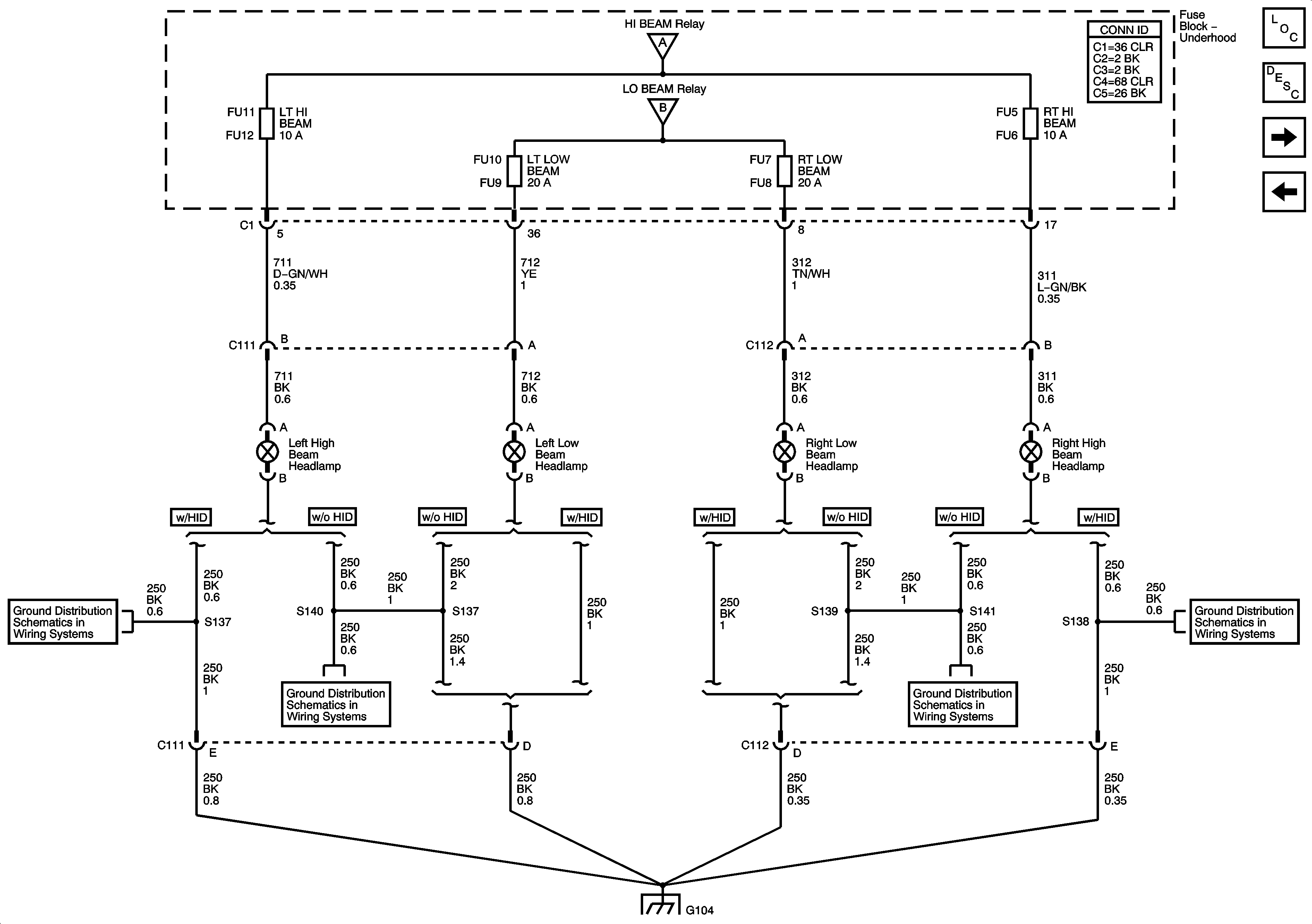
Headlamps - Domestic
Headlamps - Domestic
Master Electrical Component List
Exterior Lighting Systems Description and Operation
Headlamps - Export
Headlamp Controls
Headlamp Controls
Headlamp Controls
G104
G104
G104
G104
G104