GM Service Manual Online
For 1990-2009 cars only
Makes
🢒
Cadillac
🢒
2005
🢒
SRX
🢒
Engine
🢒
Engine Cooling
🢒 Engine Cooling Schematics
Figure
1:
Indicators and Pump
Master Electrical Component List
Cooling System Description and Operation
Control Module References
Cooling Fans
Fuse Block - Left Rear B+ Bus
Class 2 Serial Data - 1 of 2
G101
G100 - LH2
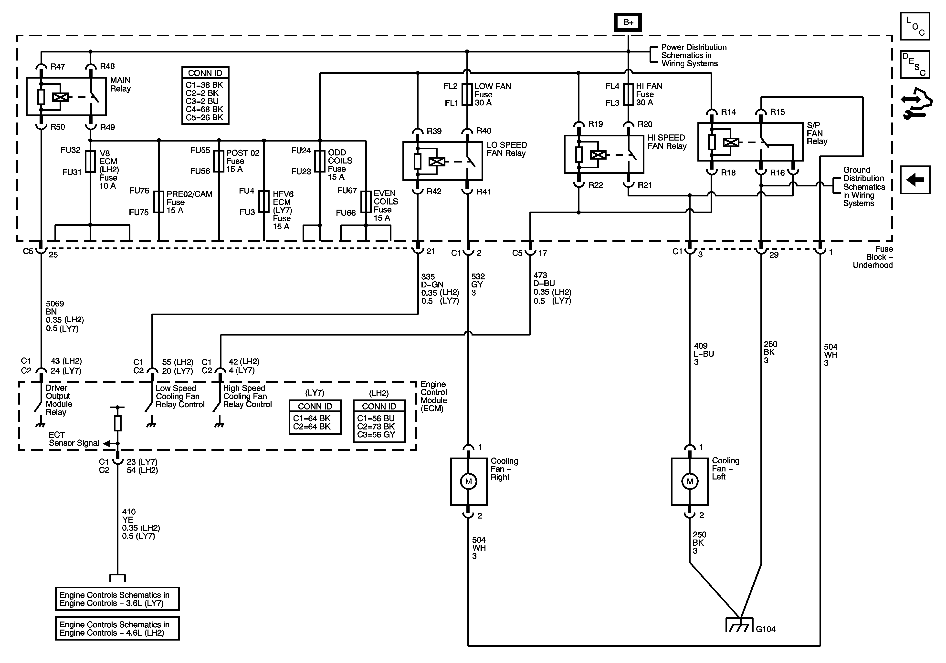
Figure
2:
Cooling Fans
Master Electrical Component List
Cooling System Description and Operation
Control Module References
Indicators and Pump
Fuse Block - Underhood B+ Bus Schematic
G104
Engine Data Sensors - Pressure, Temperature, MAF, VSS and Extended Travel Brake Switch
Engine Data Sensors - Pressure, Temperature, MAF, VSS, and Extended Travel Brake Switch
G104