GM Service Manual Online
For 1990-2009 cars only
Figure 1:

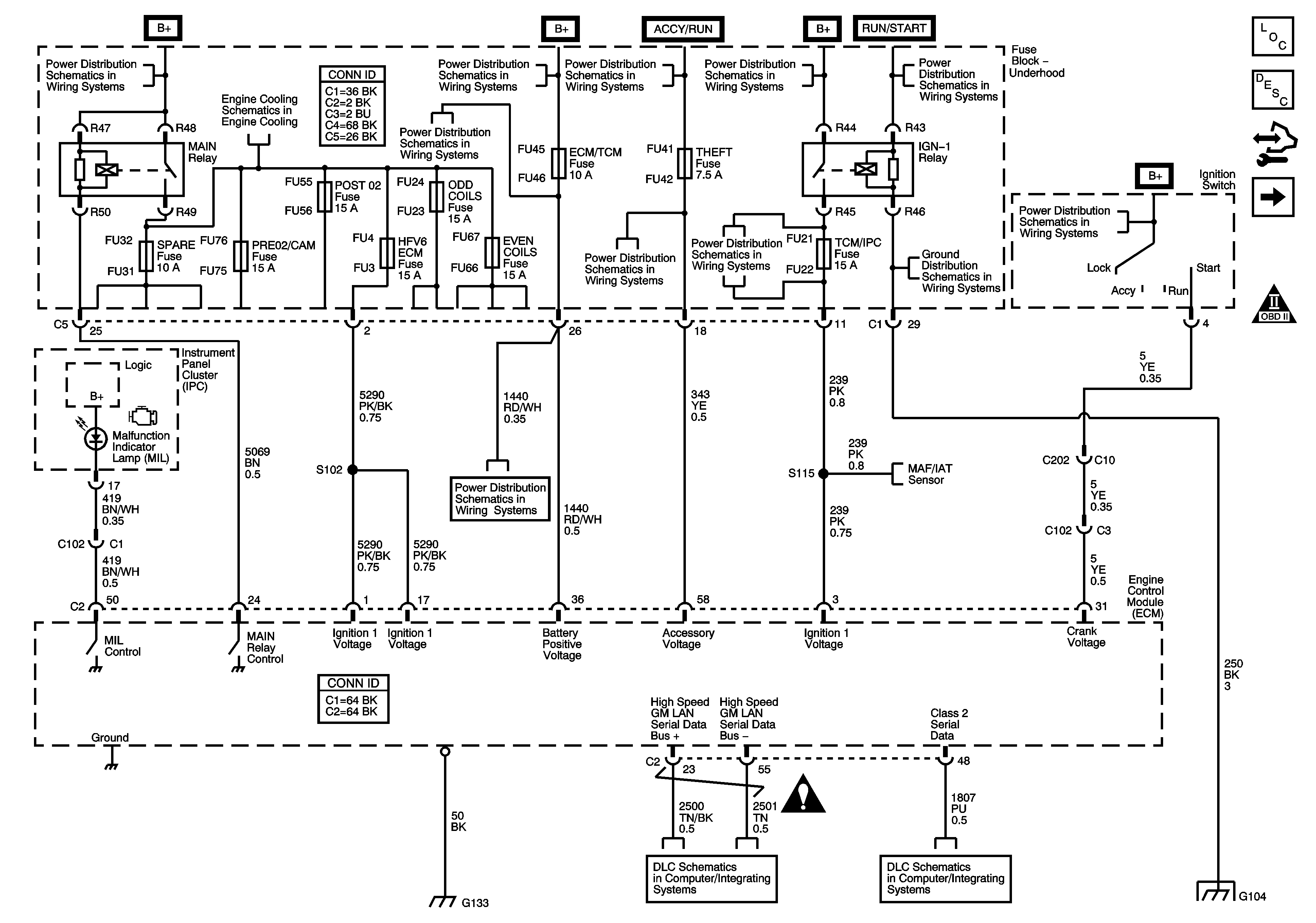
Module Power, Ground, Serial Data and MIL


Object Number: 1442211  Size: FS
Master Electrical Component List
Engine Control Module Description
Control Module References
Engine Data Sensors - 5-Volt Reference
Engine Controls Schematic Icons
Fuse Block - Underhood B+ Bus Schematic
Fuse Block - Underhood B+ Bus Schematic
RIM and THEFT Fuses and Ignition Switch - 2 of 2
Fuse Block - Underhood B+ Bus Schematic
RIM and THEFT Fuses and Ignition Switch - 2 of 2
Cooling Fans
CCP (B+), DIM/ALDL, EBCM (B+), ECM/TCM, Flasher, and VOLT CHECK Fuses
RIM and THEFT Fuses and Ignition Switch - 2 of 2
ABS, STARTER RLY, STRG CTLS, TCM/IPC, and WASH NOZ Fuses
G104
IGN SW Fuse and Ignition Switch - 1 of 2
CCP (B+), DIM/ALDL, EBCM (B+), ECM/TCM, Flasher, and VOLT CHECK Fuses
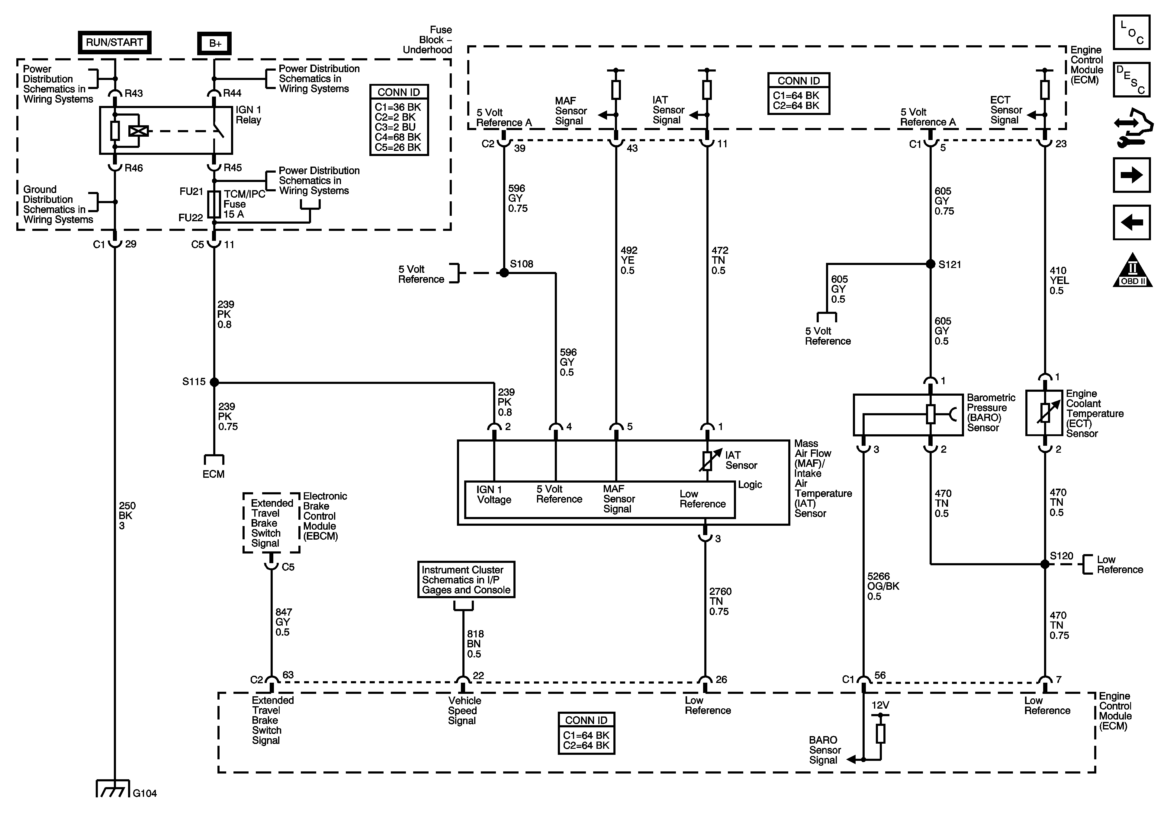
Engine Data Sensors - Pressure, Temperature, MAF, VSS and Extended Travel Brake Switch
Engine Controls Schematic Icons
Power, Ground, GMLAN and Key Word 2000 Serial Data
Class 2 Serial Data - 1 of 2
G104
Figure 2:

Engine Data Sensors - 5-Volt Reference


Object Number: 1442218  Size: FS
Master Electrical Component List
Engine Control Module Description
Control Module References
Engine Data Sensors - Low Reference
Module Power, Ground, Serial Data and MIL
Engine Controls Schematic Icons
Figure 3:

Engine Data Sensors - Low Reference


Object Number: 1442221  Size: FS
Master Electrical Component List
Engine Control Module Description
Control Module References
Engine Data Sensors - Pressure, Temperature, MAF, VSS and Extended Travel Brake Switch
Engine Data Sensors - 5-Volt Reference
Engine Controls Schematic Icons
Figure 4:

Engine Data Sensors - Pressure, Temperature, MAF, VSS, and Extended Travel Brake Switch


Object Number: 1442223  Size: FS
Master Electrical Component List
Air Intake System Description
Control Module References
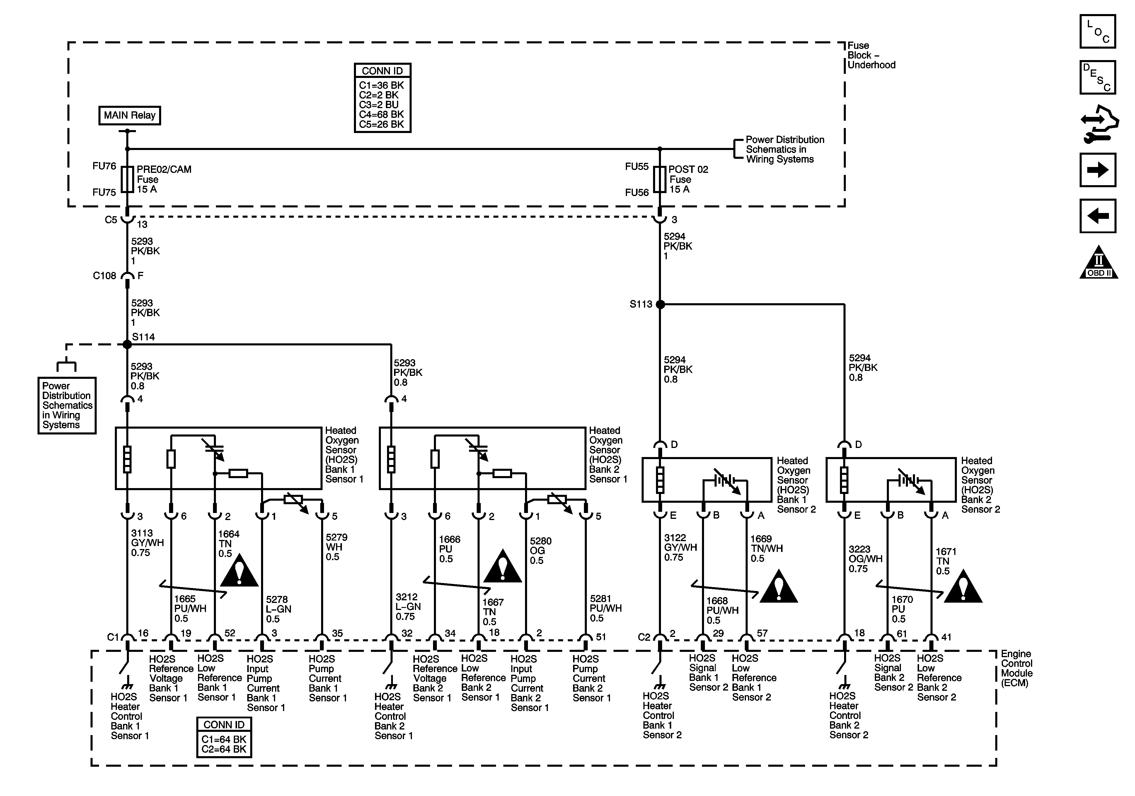
Engine Data Sensors - Oxygen Sensors
Engine Data Sensors - Low Reference
Engine Controls Schematic Icons
RIM and THEFT Fuses and Ignition Switch - 2 of 2
G104
Fuse Block - Underhood B+ Bus Schematic
ABS, STARTER RLY, STRG CTLS, TCM/IPC, and WASH NOZ Fuses
Engine Data Sensors - 5-Volt Reference
Engine Data Sensors - 5-Volt Reference
Module Power, Ground, Serial Data and MIL
G104
Gages
Engine Data Sensors - Low Reference
Figure 5:

Engine Data Sensors - Oxygen Sensors


Object Number: 1442226  Size: FS
Master Electrical Component List
Engine Control Module Description
Control Module References
Engine Data Sensors - Throttle Actuator Controls
Engine Data Sensors - Pressure, Temperature, MAF, VSS and Extended Travel Brake Switch
Engine Controls Schematic Icons
Cooling Fans
Fuse Block - Underhood B+ Bus Schematic
HFVG, PRE 02/CAM, and V8 ECM Fuses
Engine Controls Schematic Icons
Engine Controls Schematic Icons
Engine Controls Schematic Icons
Engine Controls Schematic Icons
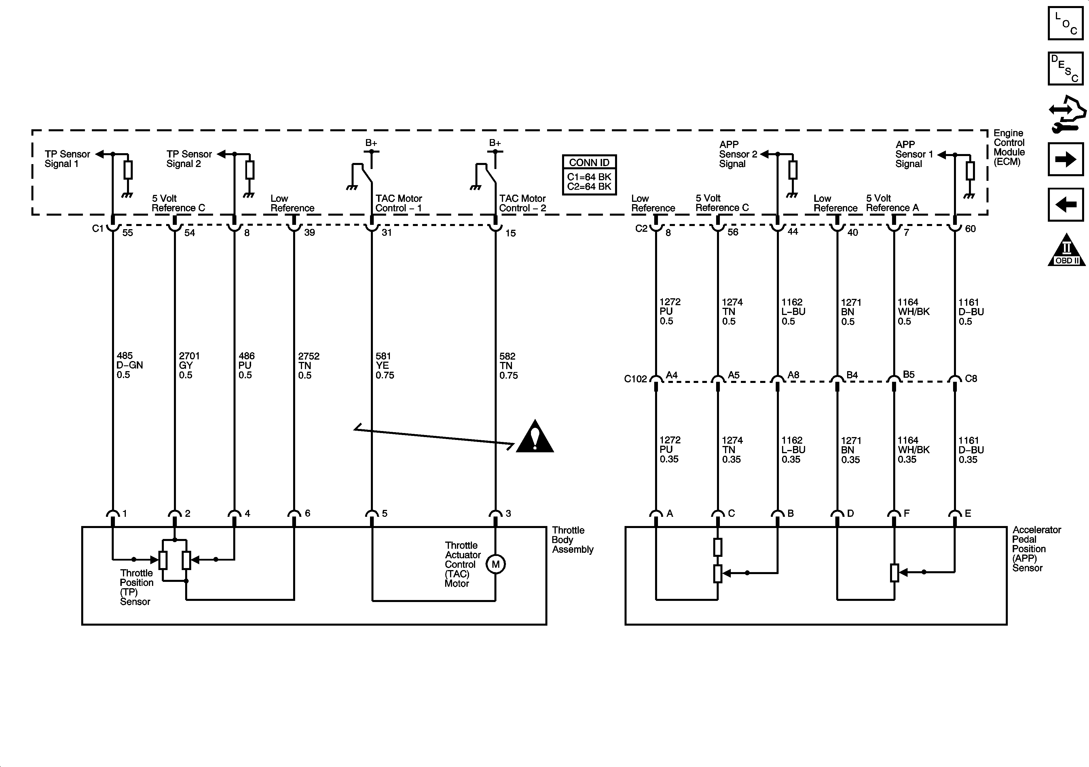
Figure 6:

Engine Data Sensors - Throttle Actuator Controls


Object Number: 1442227  Size: FS
Master Electrical Component List
Throttle Actuator Control (TAC) System Description
Control Module References
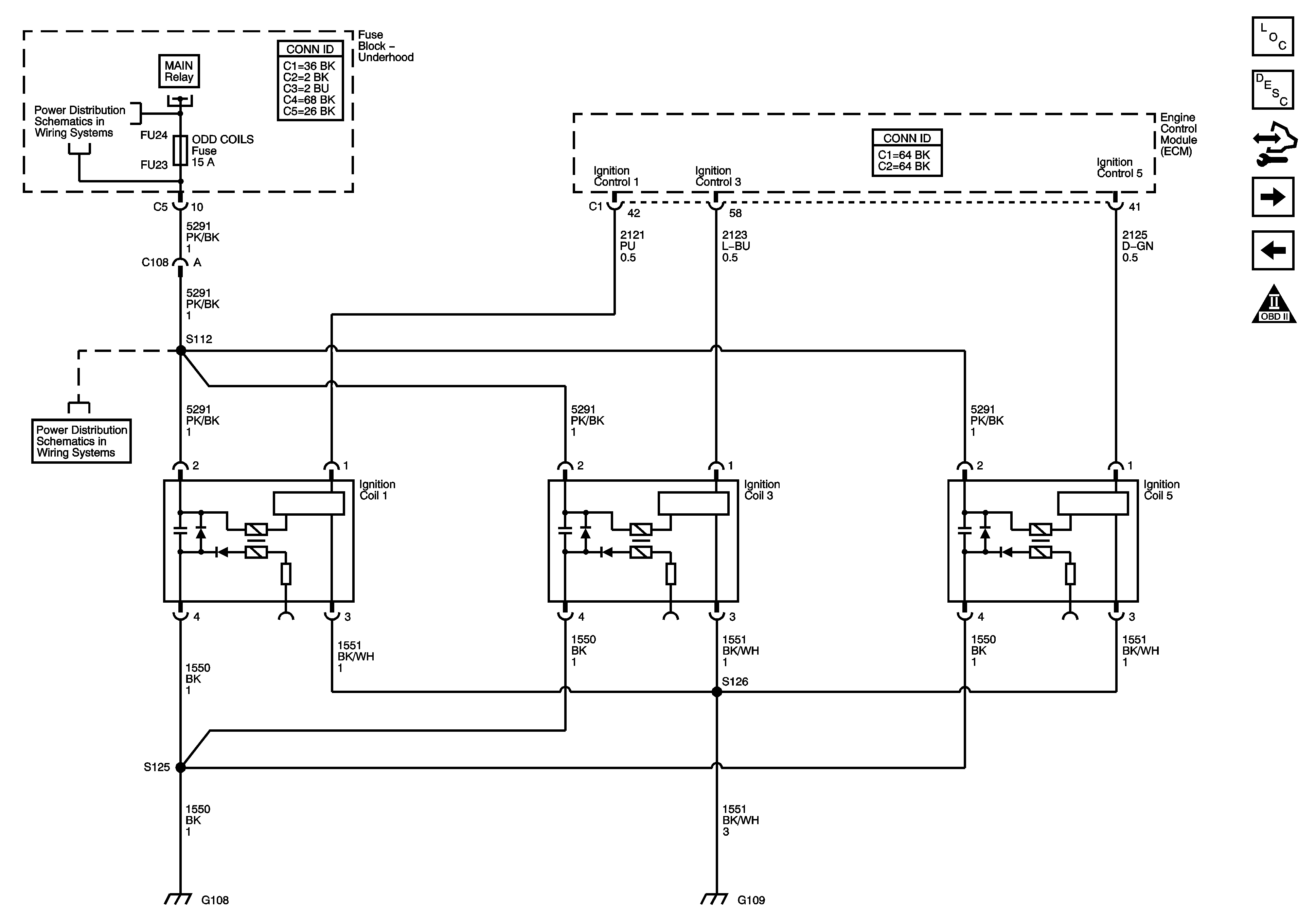
Ignition Controls - Bank 1 Ignition Coils
Engine Data Sensors - Oxygen Sensors
Engine Controls Schematic Icons
Engine Controls Schematic Icons
Figure 7:

Ignition Controls - Bank 1 Ignition Controls


Object Number: 1442233  Size: FS
Master Electrical Component List
Electronic Ignition (EI) System Description
Control Module References
Ignition Controls - Bank 2 Ignition Coils
Engine Data Sensors - Throttle Actuator Controls
Engine Controls Schematic Icons
EVEN COILS, ODD COILS, and POST 02 FUSES
Cooling Fans
EVEN COILS, ODD COILS, and POST 02 FUSES
Figure 8:

Ignition Controls - Bank 2 Ignition Coils


Object Number: 1442263  Size: FS
Master Electrical Component List
Electronic Ignition (EI) System Description
Control Module References
Ignition Controls - CMP Sensors and Solenoids
Ignition Controls - Bank 1 Ignition Coils
Engine Controls Schematic Icons
EVEN COILS, ODD COILS, and POST 02 FUSES
Cooling Fans
EVEN COILS, ODD COILS, and POST 02 FUSES
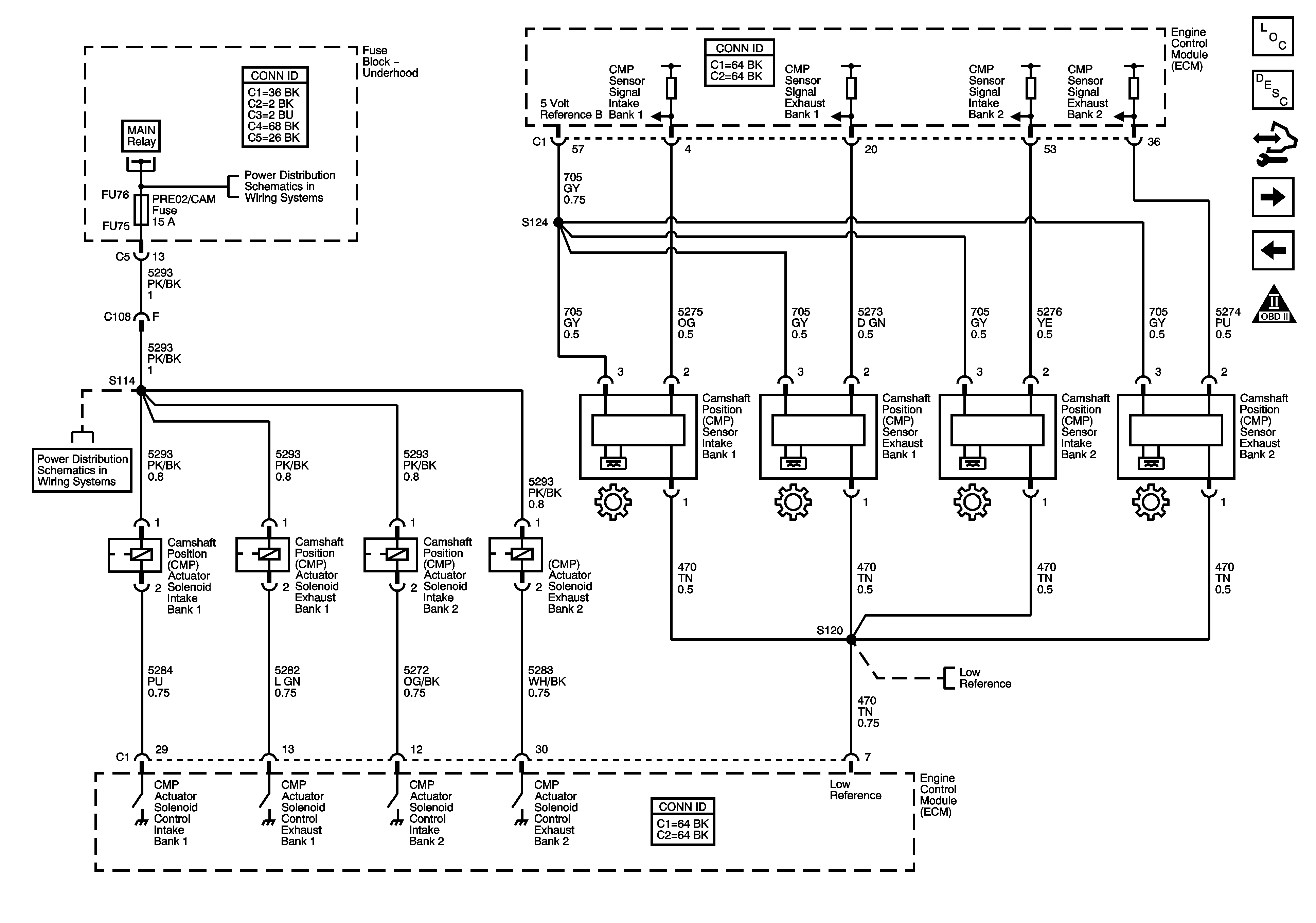
Figure 9:

Ignition Controls - CMP Sensors and Solenoids


Object Number: 1442298  Size: FS
Master Electrical Component List
Camshaft Actuator System Description
Control Module References
Ignition Controls - Engine Speed, CKP and Knock Sensors
Ignition Controls - Bank 2 Ignition Coils
Engine Controls Schematic Icons
Cooling Fans
HFVG, PRE 02/CAM, and V8 ECM Fuses
HFVG, PRE 02/CAM, and V8 ECM Fuses
Engine Data Sensors - Low Reference
Figure 10:

Ignition Controls - Engine Speed, CKP and Knock Sensors


Object Number: 1442325  Size: FS
Master Electrical Component List
Knock Sensor (KS) System Description
Control Module References
Fuel Controls - Fuel Pump and Injectors
Ignition Controls - CMP Sensors and Solenoids
Engine Controls Schematic Icons
Gages
Engine Controls Schematic Icons
Engine Controls Schematic Icons
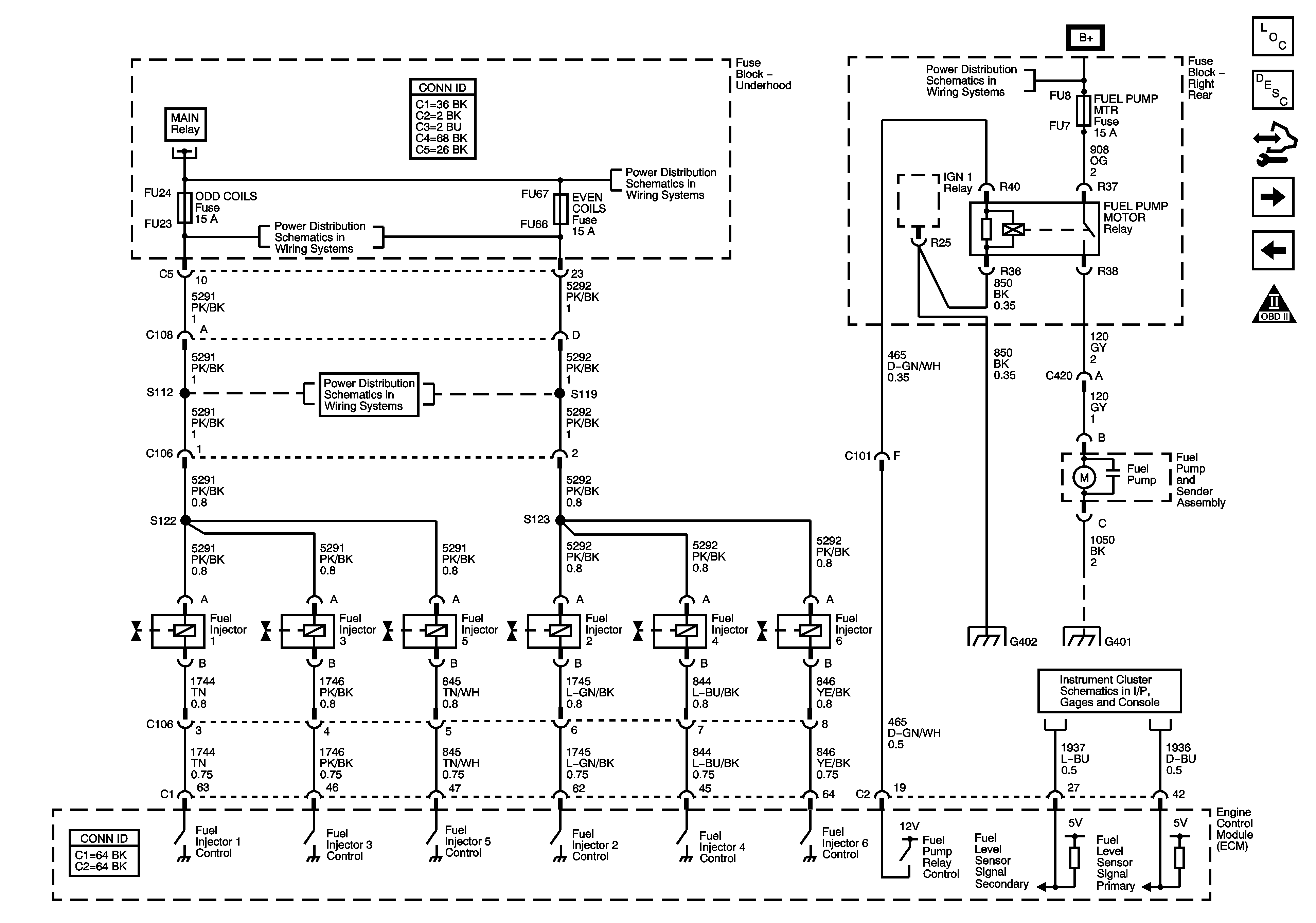
Figure 11:

Fuel Controls - Fuel Pump and Injectors


Object Number: 1442341  Size: FS
Master Electrical Component List
Fuel System Description
Control Module References
Fuel Controls - EVAP Controls
Ignition Controls - Engine Speed, CKP and Knock Sensors
Engine Controls Schematic Icons
Cooling Fans
Fuse Block - Right Rear B+ Bus
EVEN COILS, ODD COILS, and POST 02 FUSES
EVEN COILS, ODD COILS, and POST 02 FUSES
EVEN COILS, ODD COILS, and POST 02 FUSES
G402 - 1 of 2
G401 - 1 of 2
Gages
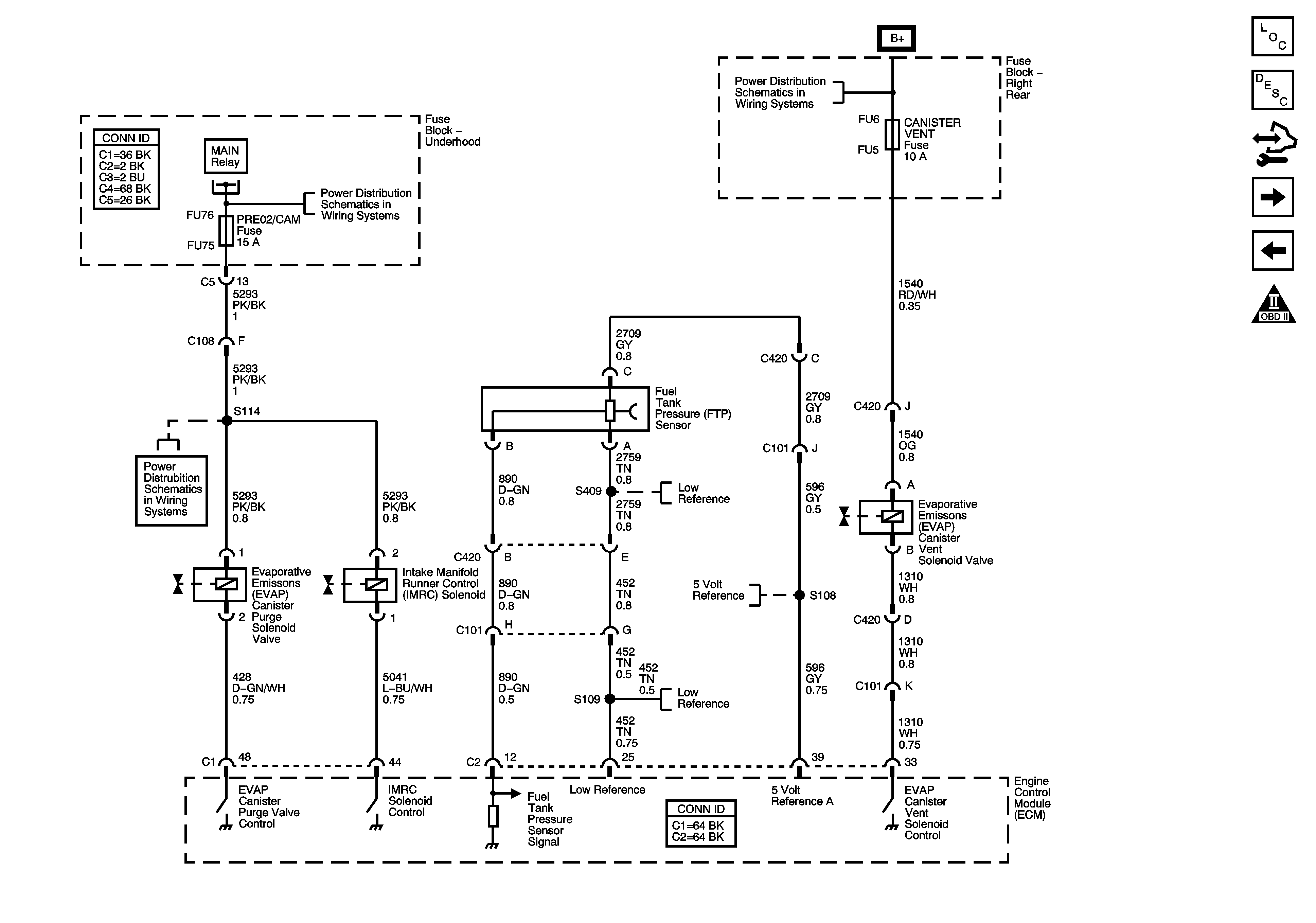
Figure 12:

Fuel Controls - EVAP Controls


Object Number: 1442343  Size: FS
Master Electrical Component List
Evaporative Emission Control System Description
Control Module References
Controlled/Monitored Subsystem References
Fuel Controls - Fuel Pump and Injectors
Engine Controls Schematic Icons
Cooling Fans
HFVG, PRE 02/CAM, and V8 ECM Fuses
Fuse Block - Right Rear B+ Bus
HFVG, PRE 02/CAM, and V8 ECM Fuses
Engine Data Sensors - Low Reference
Engine Data Sensors - 5-Volt Reference
Engine Data Sensors - Low Reference
Figure 13:

Controlled/Monitored Subsystem References


Object Number: 1442346  Size: FS
Master Electrical Component List
Engine Control Module Description
Control Module References
Fuel Controls - EVAP Controls
Engine Controls Schematic Icons
Starting System
Charging System
Indicator,Traction Control, and Brake Pedal Position
Indicator,Traction Control, and Brake Pedal Position
Cooling Fans
Cruise Control Schematic
Indicators
Serial Data and A/C Compressor Controls
Tail Lamps and Stop Lamps - Domestic
Power, Ground, Serial Data and Switches