| Figure 1: |
Power, Ground, Serial Data and MIL
|
| Figure 2: |
Engine Data Sensors - 5-Volt and Low Reference
|
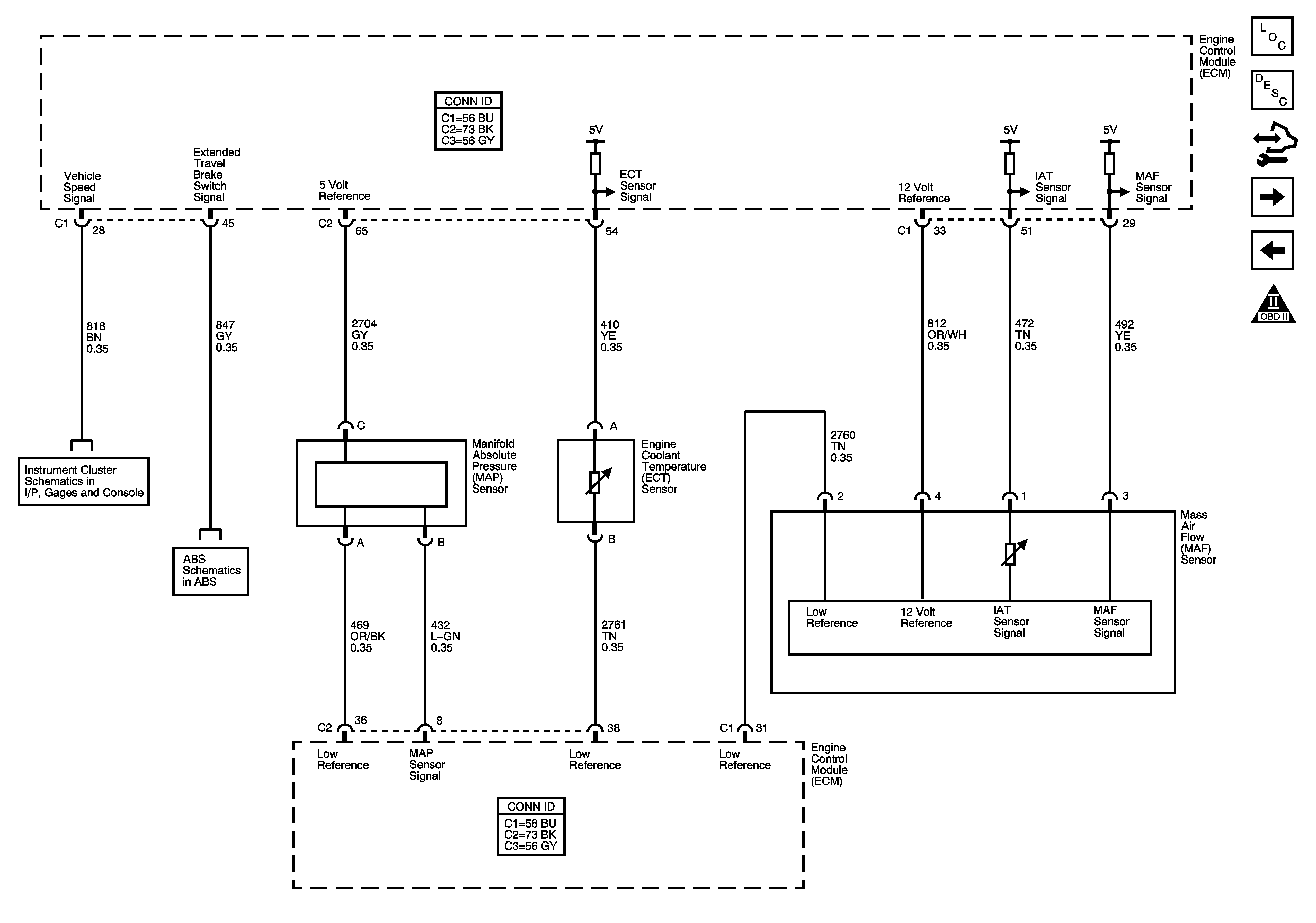
| Figure 3: |
Engine Data Sensors - Pressure, Temperature, MAF, VSS and Extended Travel Brake Switch
|
| Figure 4: |
Engine Data Sensors - Oxygen Sensors
|
| Figure 5: |
Engine Data Sensors - Electronic Throttle Controls
|
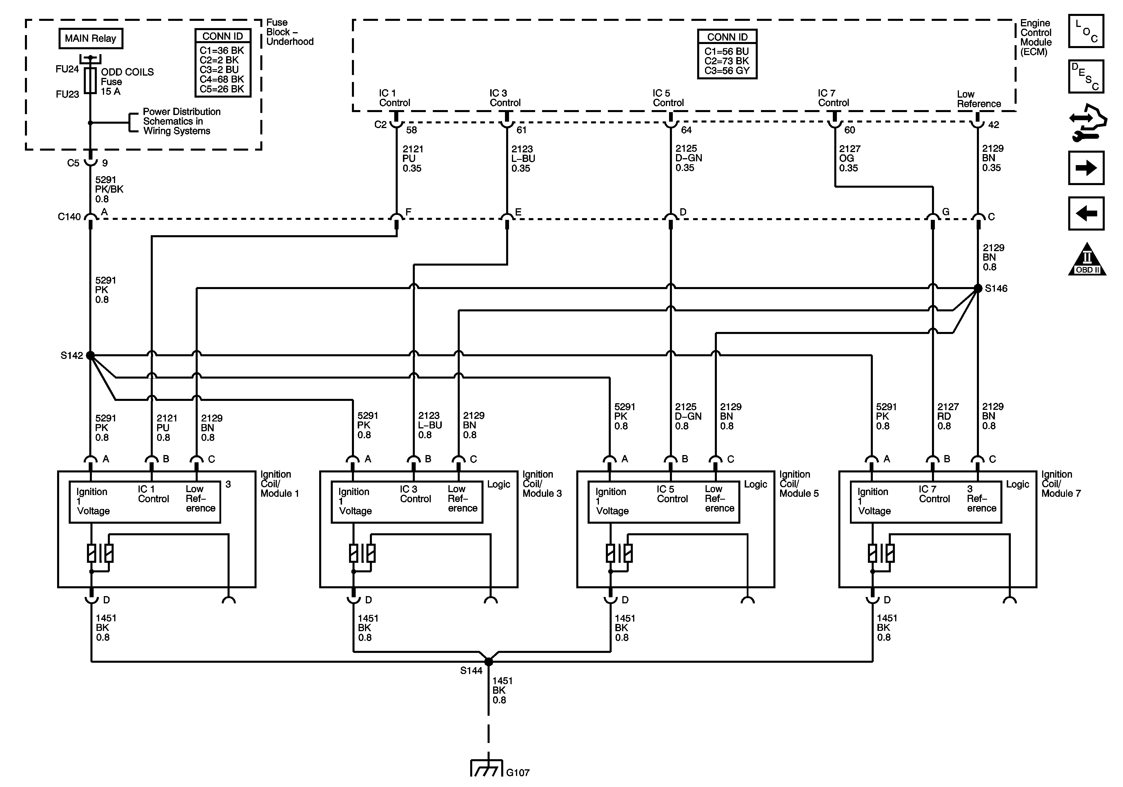
| Figure 6: |
Ignition Controls - Bank 1 Ignition Coils
|
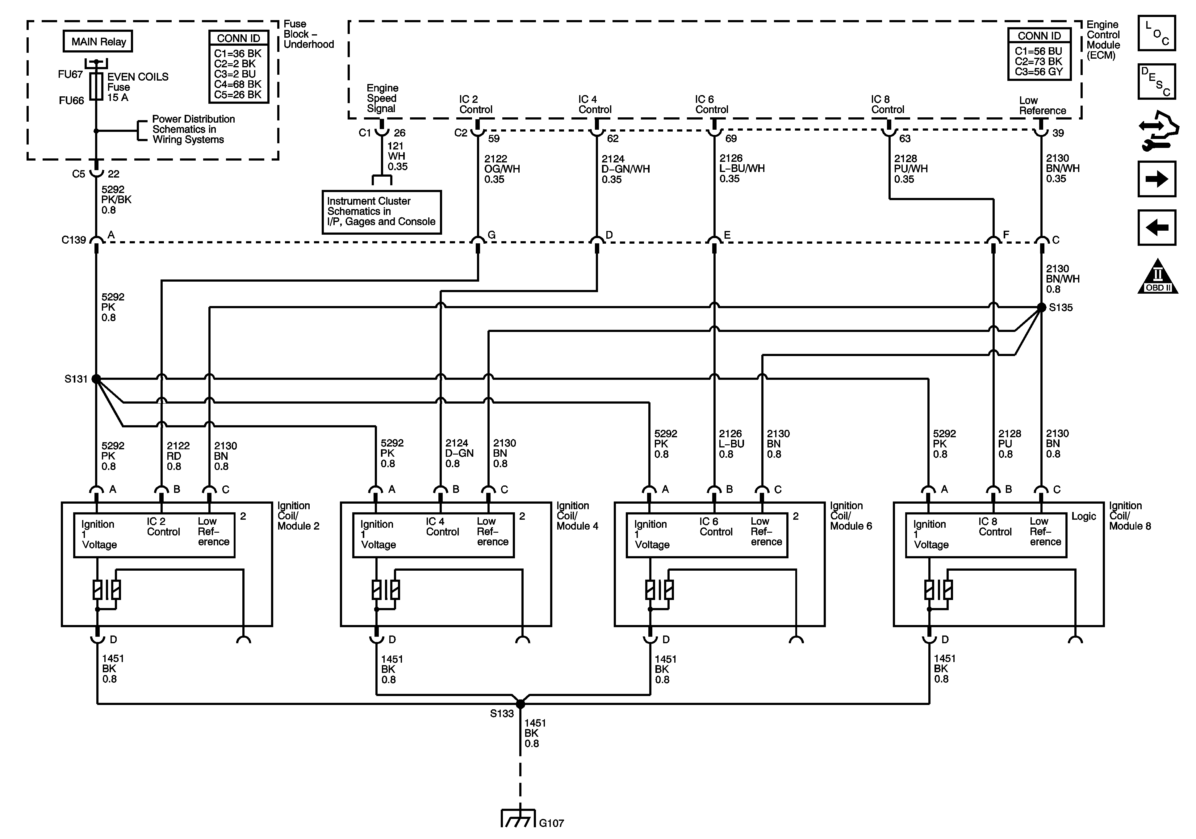
| Figure 7: |
Ignition Controls - Bank 2 Ignition Coils
|
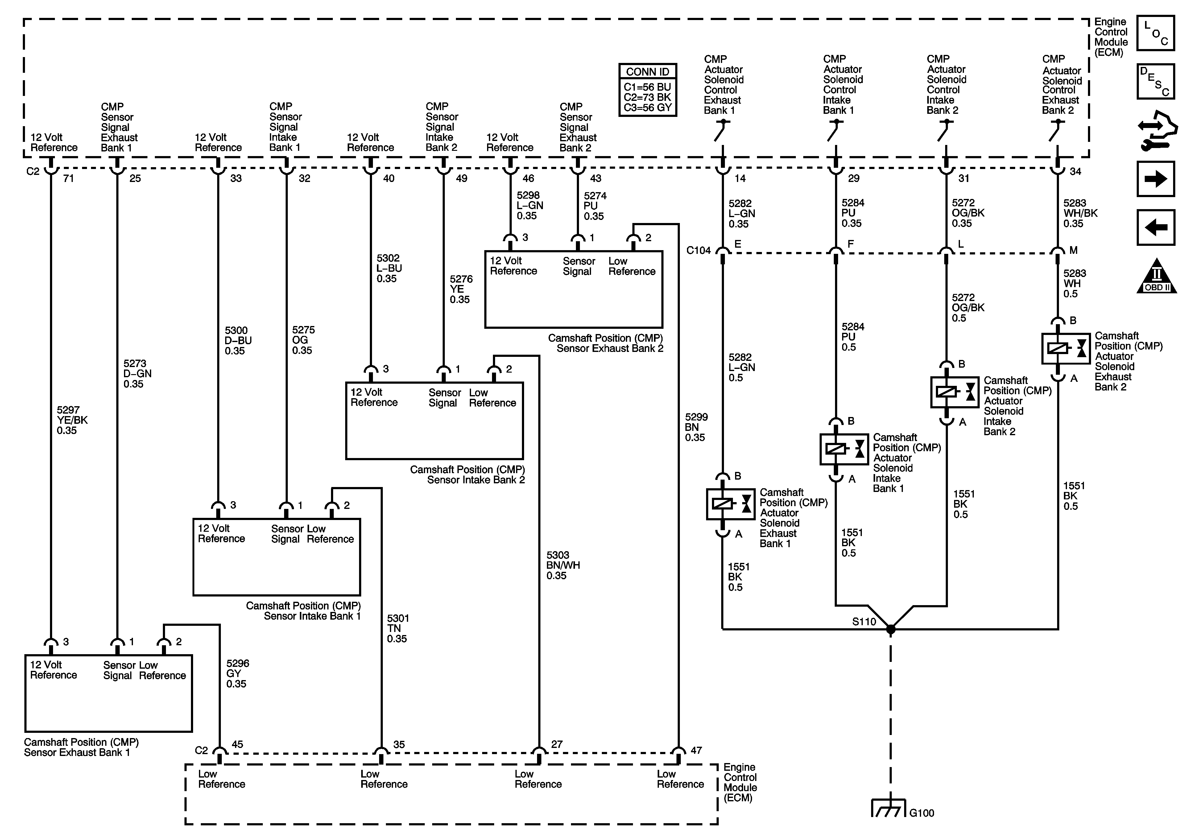
| Figure 8: |
Ignition Controls - CMP Sensors and Solenoids
|
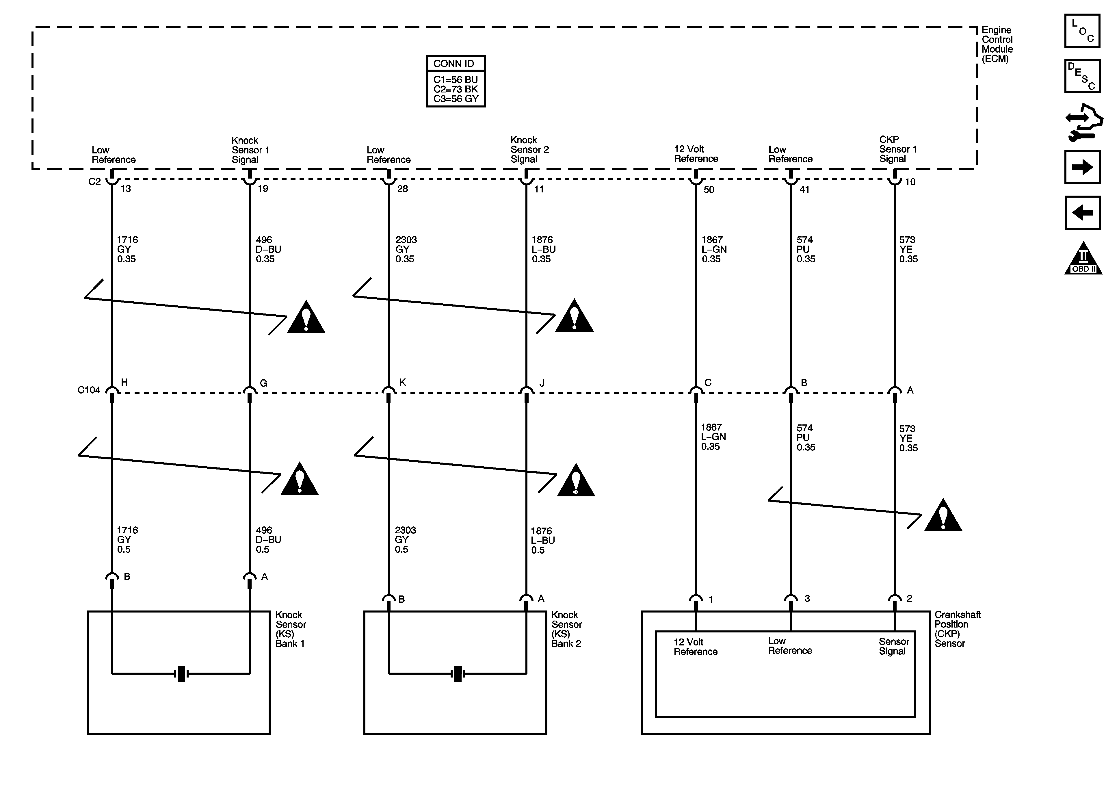
| Figure 9: |
Ignition Controls - CKP andf Knock Sensors
|
| Figure 10: |
Fuel Controls - Fuel Pump and Injectors
|
| Figure 11: |
Fuel Controls - EVAP Controls
|
| Figure 12: |
Controlled/Monitored Subsystem References
|