GM Service Manual Online
For 1990-2009 cars only
Figure 1:

DDM Power, Ground and Serial Data


Object Number: 1451820  Size: FS
Master Electrical Component List
Power Windows Description and Operation
Control Module References
DDM Signals/Controls - 1 of 2
Fuse Block - Left Rear B+ Bus
Fuse Block - Right Rear B+ Bus
CANISTER VENT, DR MOD PWR, REAR HATCH, R FRT HTD SEAT MOD, and SUNROOF MOD Fuses
Class 2 Serial Data - 1 of 2
G200
Figure 2:

DDM Signals/Controls - 1 of 2


Object Number: 1451824  Size: FS
Master Electrical Component List
Power Windows Description and Operation
Control Module References
DDM Signals/Controls - 2 of 2
DDM Power, Ground and Serial Data
Driver and Passenger Power Outside Mirrors (w/o A45)
Inside Rearview Mirror Schematic
Front Power Windows
Dimming Lamps - 2 of 2
Figure 3:

DDM Signals/Controls - 2 of 2


Object Number: 1451829  Size: FS
Master Electrical Component List
Power Windows Description and Operation
Control Module References
FPDM Power, Ground and Serial Data
DDM Signals/Controls - 1 of 2
Driver Door Lock
Figure 4:

FPDM Power, Ground and Serial Data


Object Number: 1451830  Size: FS
Master Electrical Component List
Power Windows Description and Operation
Control Module References
FPDM Signals/Controls - 1 of 2
DDM Signals/Controls - 2 of 2
Front Passenger Door Lock
Fuse Block - Right Rear B+ Bus
Fuse Block - Right Rear B+ Bus
Class 2 Serial Data - 2 of 2
CANISTER VENT, DR MOD PWR, REAR HATCH, R FRT HTD SEAT MOD, and SUNROOF MOD Fuses
G201
Front Passenger Door Lock
Front Power Windows
Figure 5:

FPDM Signals/Controls - 1 of 2


Object Number: 1451832  Size: FS
Master Electrical Component List
Power Windows Description and Operation
Control Module References
FPDM Signals/Controls - 2 of 2
FPDM Power, Ground and Serial Data
Front Power Windows
Front Passenger Door Lock
Dimming Lamps - 2 of 2
Figure 6:

FPDM Signals/Controls - 2 of 2


Object Number: 1451835  Size: FS
Master Electrical Component List
Power Windows Description and Operation
Control Module References
LRDM Power, Ground and Serial Data
FPDM Signals/Controls - 1 of 2
Driver and Passenger Power Outside Mirrors (w/o A45)
Figure 7:

LRDM Power, Ground and Serial Data


Object Number: 1451837  Size: FS
Master Electrical Component List
Power Windows Description and Operation
Control Module References
LRDM Signals/Controls
FPDM Signals/Controls - 2 of 2
Fuse Block - Left Rear B+ Bus
Fuse Block - Right Rear B+ Bus
Class 2 Serial Data - 1 of 2
AMP, AUDIO, DRIVER DR MOD, ELC COMP, L FRT HTD SEAT MOD, MEM/ADAPT SEAT, and REAR DR MOD Fuses
CANISTER VENT, DR MOD PWR, REAR HATCH, R FRT HTD SEAT MOD, and SUNROOF MOD Fuses
G200
Rear Power Windows
G200
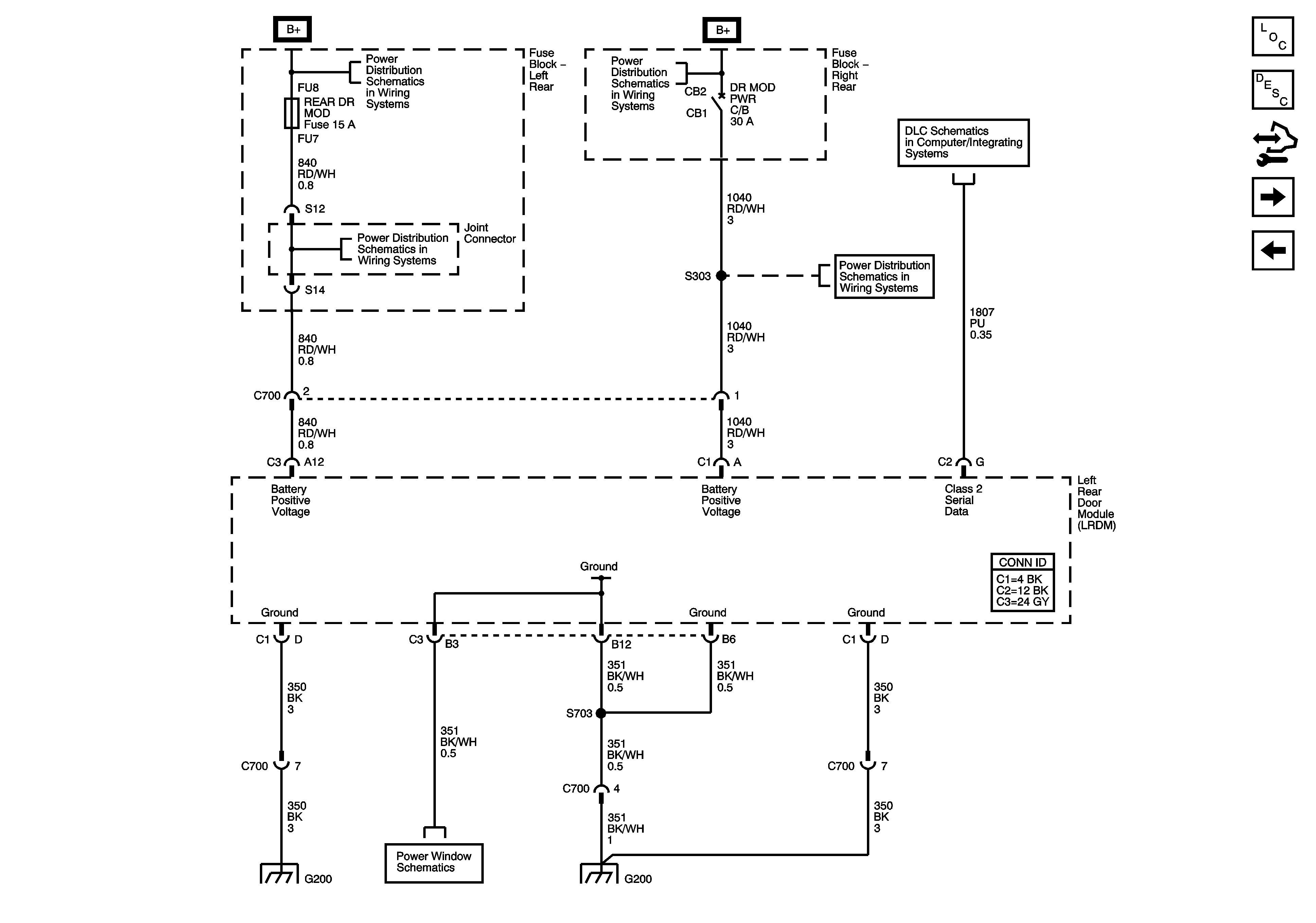
Figure 8:

LRDM Signals/Controls


Object Number: 1451840  Size: FS
Master Electrical Component List
Power Windows Description and Operation
Control Module References
RRDM Power, Ground and Serial Data
LRDM Power, Ground and Serial Data
Left Rear and Right Rear Door Lock
Rear Power Windows
Dimming Lamps - 2 of 2
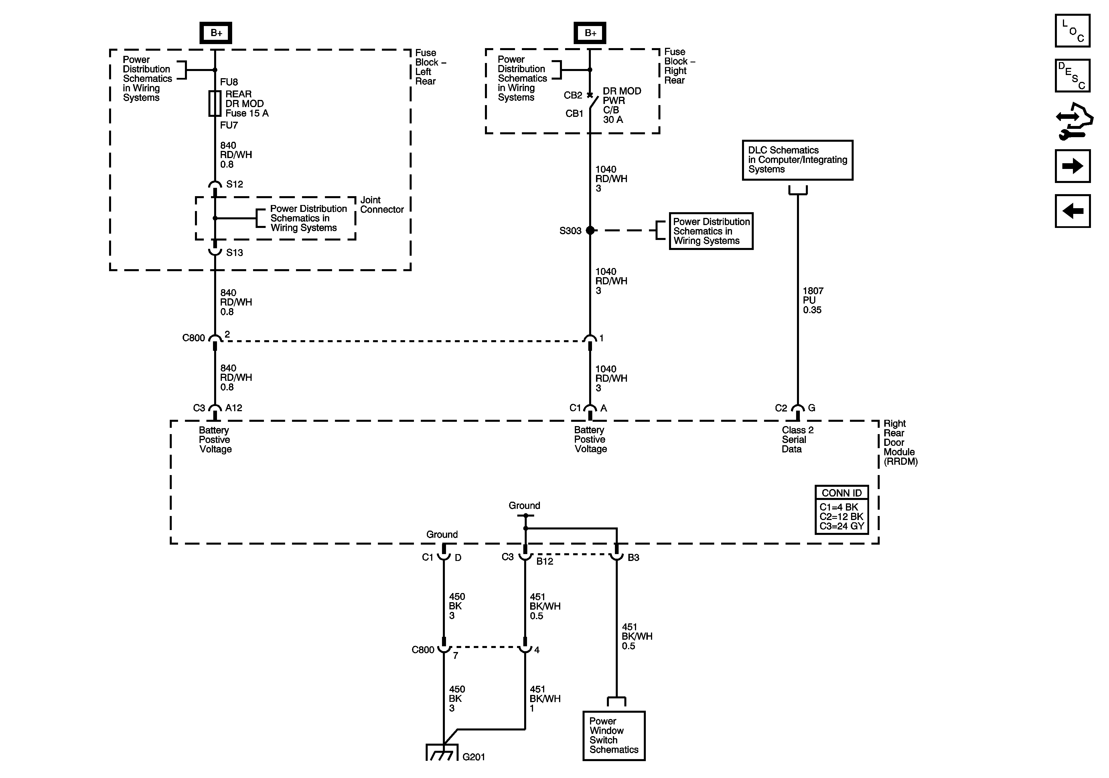
Figure 9:

RRDM Power, Ground and Serial Data


Object Number: 1451842  Size: FS
Master Electrical Component List
Power Windows Description and Operation
Control Module References
RRDM Signals/Controls
LRDM Signals/Controls
Fuse Block - Left Rear B+ Bus
Fuse Block - Right Rear B+ Bus
Class 2 Serial Data - 2 of 2
AMP, AUDIO, DRIVER DR MOD, ELC COMP, L FRT HTD SEAT MOD, MEM/ADAPT SEAT, and REAR DR MOD Fuses
CANISTER VENT, DR MOD PWR, REAR HATCH, R FRT HTD SEAT MOD, and SUNROOF MOD Fuses
G201
Rear Power Windows
Figure 10:

RRDM Signals/Controls


Object Number: 1451844  Size: FS
Master Electrical Component List
Power Windows Description and Operation
Control Module References
RRDM Power, Ground and Serial Data
Left Rear and Right Rear Door Lock
Rear Power Windows
Dimming Lamps - 2 of 2