GM Service Manual Online
For 1990-2009 cars only
Figure 1:

Radio and Audio Amplifier (U2R/U2S)


Object Number: 1448692  Size: FS
Master Electrical Component List
Radio/Audio System Description and Operation
Control Module References
Radio and CD Changer (U2V/U2X/U2Y)
Fuse Block - Left Rear B+ Bus
AMP, AUDIO, DRIVER DR MOD, ELC COMP, L FRT HTD SEAT MOD, MEM/ADAPT SEAT, and REAR DR MOD Fuses
Entertainment Schematic Icons
Entertainment Schematic Icons
Entertainment Schematic Icons
Entertainment Schematic Icons
Class 2 Serial Data - 1 of 2
G402 - 1 of 2
Figure 2:

Radio and CD Changer (U2V/U2X/U2Y)


Object Number: 1448693  Size: FS
Master Electrical Component List
Radio/Audio System Description and Operation
Control Module References
CD Changer to Audio Amplifier (U2V/U2X/U2Y)
Radio and Audio Amplifier (U2R/U2S)
Fuse Block - Left Rear B+ Bus
AMP, AUDIO, DRIVER DR MOD, ELC COMP, L FRT HTD SEAT MOD, MEM/ADAPT SEAT, and REAR DR MOD Fuses
Navigation Controls (U2V/U2X/U2Y)
Onstar Schematic
Gages
Entertainment Schematic Icons
Entertainment Schematic Icons
Entertainment Schematic Icons
Entertainment Schematic Icons
Class 2 Serial Data - 1 of 2
Traffic Information Receiver (U2X)
G402 - 1 of 2
Figure 3:

CD Changer to Audio Amplifier (U2V/U2X/U2Y)


Object Number: 1448694  Size: FS
Master Electrical Component List
Radio/Audio System Description and Operation
Control Module References
Speaker (U66)
Radio and CD Changer (U2V/U2X/U2Y)
Entertainment Schematic Icons
Entertainment Schematic Icons
Entertainment Schematic Icons
Entertainment Schematic Icons
Figure 4:

Speakers (U66)


Object Number: 1448759  Size: FS
Master Electrical Component List
Radio/Audio System Description and Operation
Control Module References
Speaker (U57)
CD Changer to Audio Amplifier (U2V/U2X/U2Y)
Onstar Schematic
Entertainment Schematic Icons
Entertainment Schematic Icons
Entertainment Schematic Icons
Entertainment Schematic Icons
Entertainment Schematic Icons
Entertainment Schematic Icons
Entertainment Schematic Icons
Entertainment Schematic Icons
Entertainment Schematic Icons
Entertainment Schematic Icons
Entertainment Schematic Icons
Entertainment Schematic Icons
Entertainment Schematic Icons
Entertainment Schematic Icons
Entertainment Schematic Icons
Entertainment Schematic Icons
Figure 5:

Speakers (U57)


Object Number: 1448773  Size: FS
Master Electrical Component List
Radio/Audio System Description and Operation
Control Module References
Radio Antenna
Speaker (U66)
Onstar Schematic
Navigation Controls (U2V/U2X/U2Y)
Entertainment Schematic Icons
Entertainment Schematic Icons
Entertainment Schematic Icons
Entertainment Schematic Icons
Entertainment Schematic Icons
Entertainment Schematic Icons
Entertainment Schematic Icons
Entertainment Schematic Icons
Entertainment Schematic Icons
Entertainment Schematic Icons
Entertainment Schematic Icons
Entertainment Schematic Icons
Entertainment Schematic Icons
Entertainment Schematic Icons
Entertainment Schematic Icons
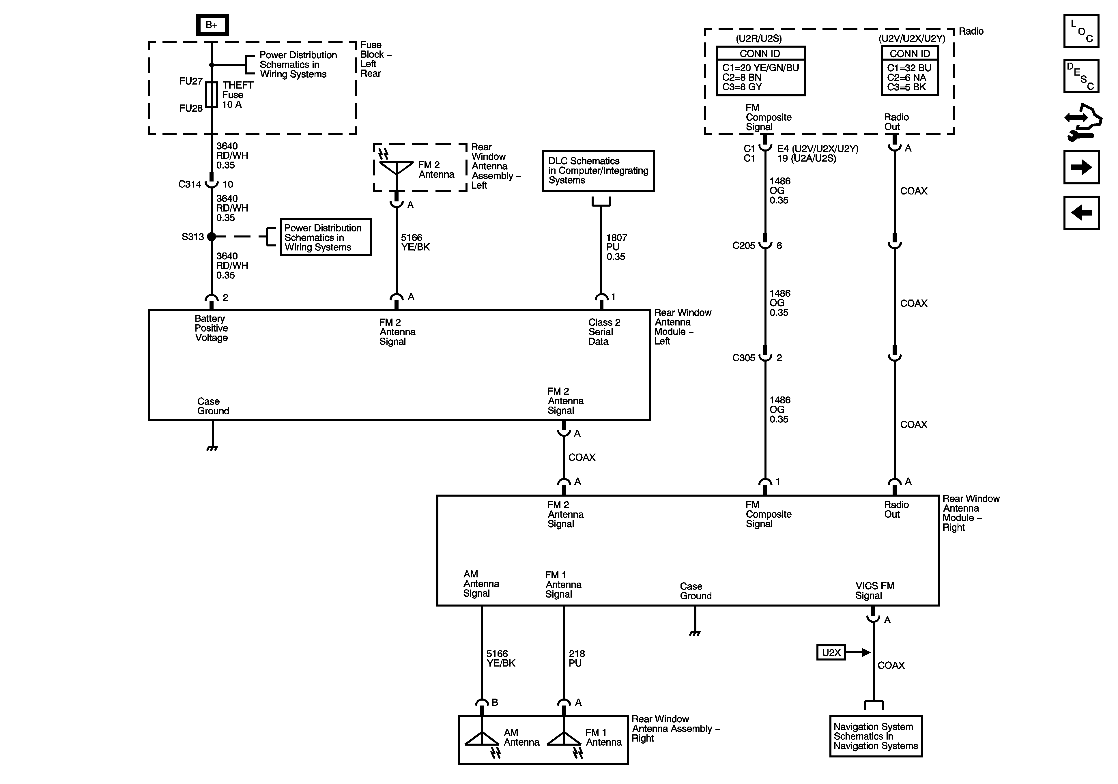
Figure 6:

Radio Antenna


Object Number: 1448774  Size: FS
Master Electrical Component List
Radio/Audio System Description and Operation
Control Module References
Digital Radio (U2K)
Speaker (U57)
Fuse Block - Left Rear B+ Bus
FFSM, FFS SW, and THEFT Fuses and SEAT Circuit Breaker
Class 2 Serial Data - 2 of 2
Traffic Information Receiver (U2X)
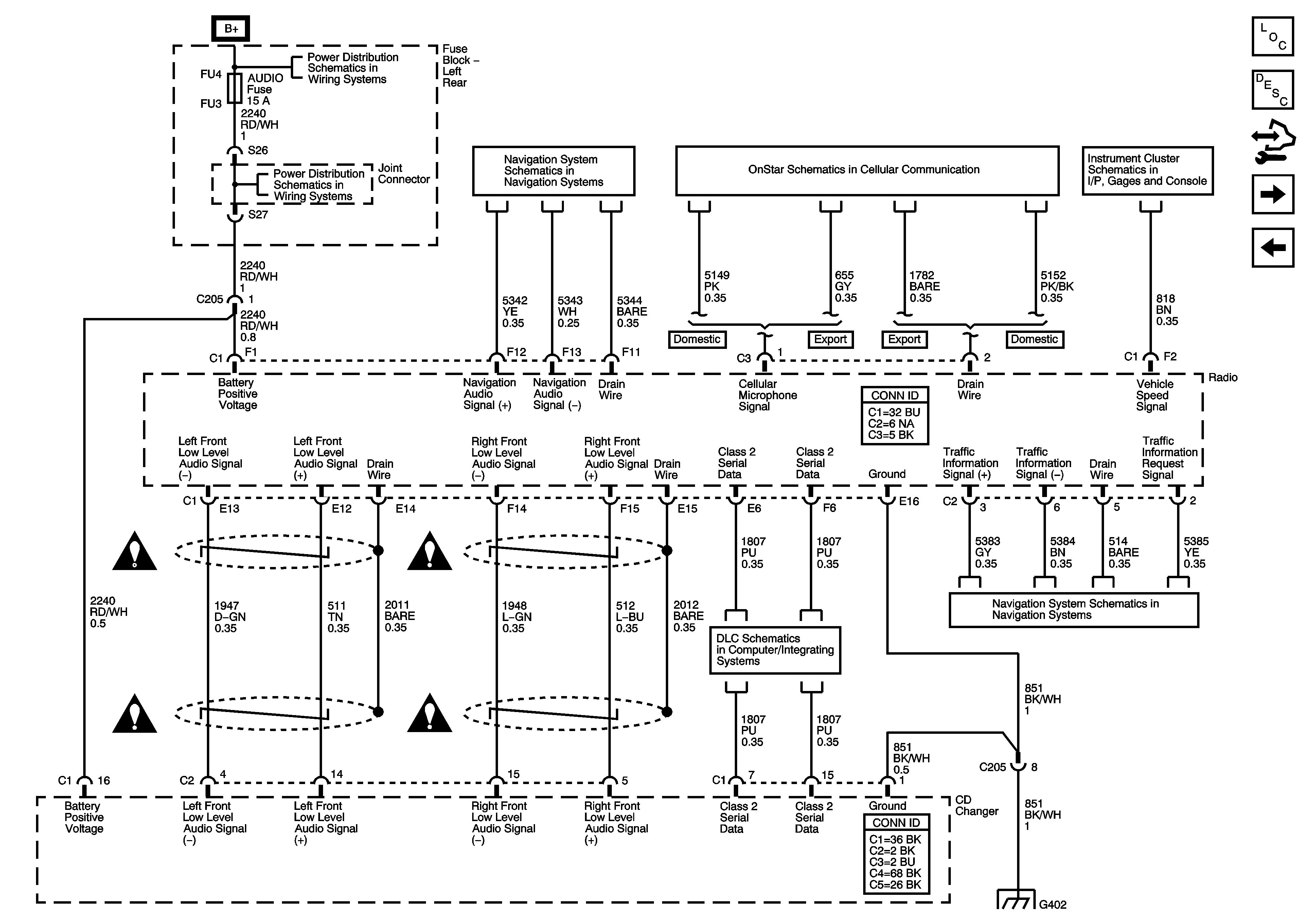
Figure 7:

Digital Radio (U2K)


Object Number: 1448775  Size: FS
Master Electrical Component List
Radio/Audio System Description and Operation
Control Module References
Radio Antenna
Fuse Block - Underhood B+ Bus Schematic
AMP, AUDIO, DRIVER DR MOD, ELC COMP, L FRT HTD SEAT MOD, MEM/ADAPT SEAT, and REAR DR MOD Fuses
Class 2 Serial Data - 1 of 2
Entertainment Schematic Icons
Entertainment Schematic Icons
Entertainment Schematic Icons
G402 - 1 of 2