GM Service Manual Online
For 1990-2009 cars only
Makes
🢒
Cadillac
🢒
2005
🢒
SRX
🢒
Vehicle Control Systems
🢒
Vehicle DTC Information
🢒 Instrument Cluster Schematics
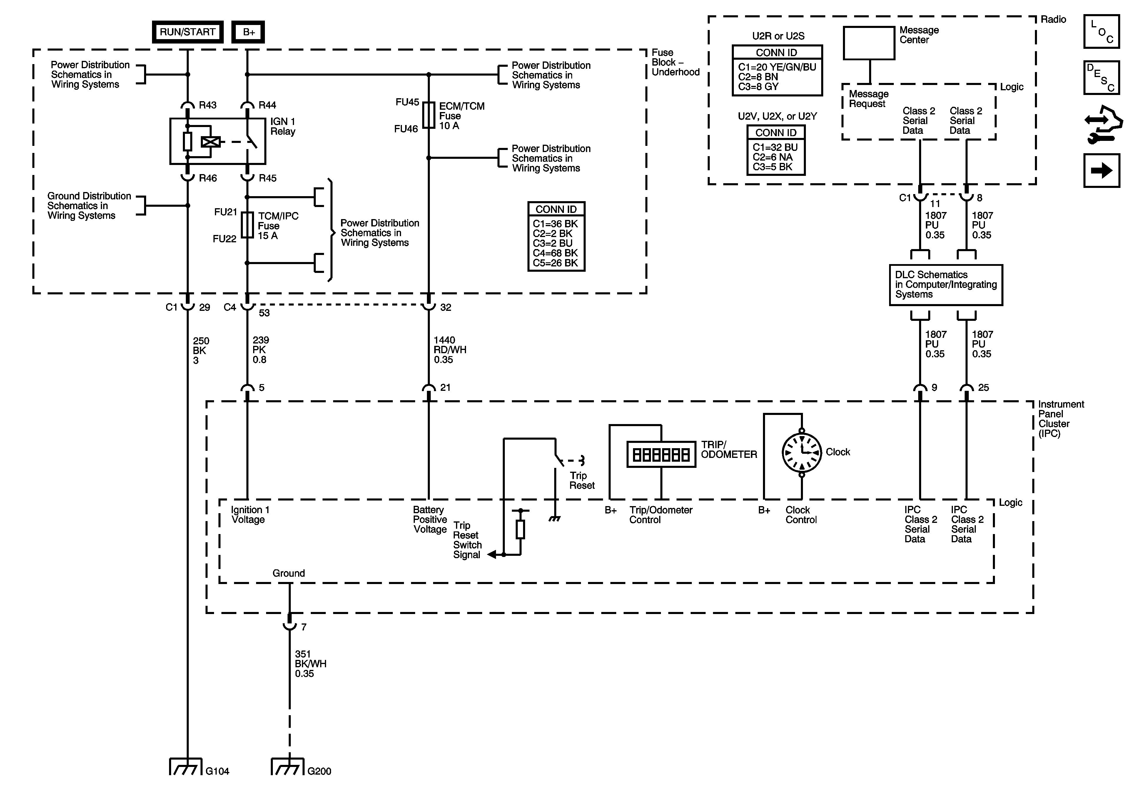
Figure
1:
Power, Ground, Serial Data, Odometer, and Clock
Master Electrical Component List
Instrument Cluster Description and Operation
Control Module References
Indicators
RIM and THEFT Fuses and Ignition Switch - 2 of 2
Fuse Block - Underhood B+ Bus Schematic
CCP (B+), DIM/ALDL, EBCM (B+), ECM/TCM, Flasher, and VOLT CHECK Fuses
G104
ABS, STARTER RLY, STRG CTLS, TCM/IPC, and WASH NOZ Fuses
Class 2 Serial Data - 1 of 2
G104
G200
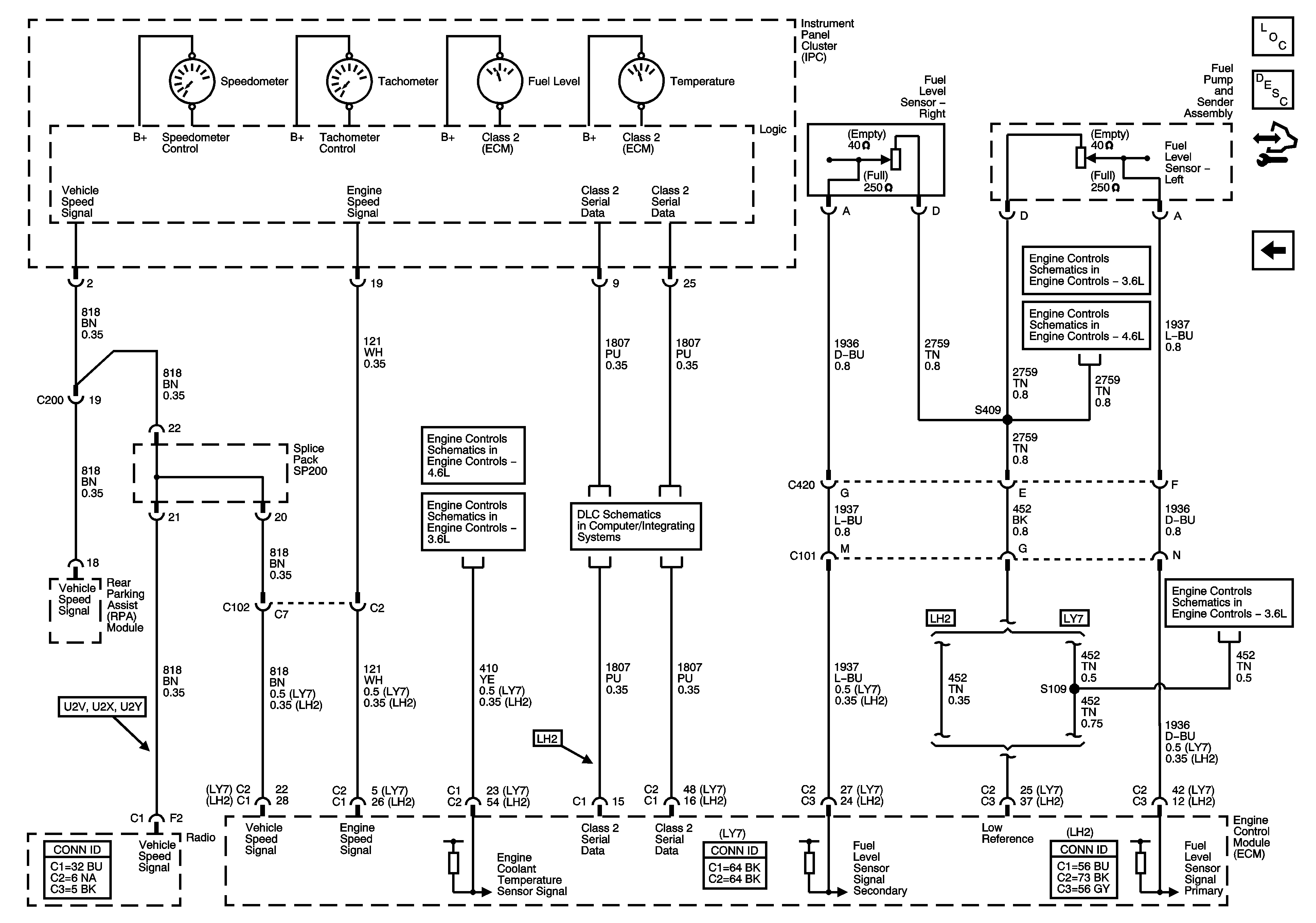
Figure
2:
Indicators
Master Electrical Component List
Instrument Cluster Description and Operation
Control Module References
Gages
Power, Ground, Serial Data, Odometer and Clock
Engine Data Sensors - 5-Volt Reference
Engine Data Sensors - Low Reference
Turn Signal/Hazard Flasher Module
Class 2 Serial Data - 1 of 2
G100 - LH2
G200
Power, Ground, Serial Data and Switches
Module Power, Ground, Serial Data and MIL
Power, Ground, Serial Data and MIL
Hydraulic Brakes Schematics
Indicator,Traction Control, and Brake Pedal Position
Figure
3:
Gages
Master Electrical Component List
Instrument Cluster Description and Operation
Control Module References
Indicators
Fuel Controls - EVAP Controls
Fuel Control - EVAP Controls
Engine Data Sensors - Pressure, Temperature, MAF, VSS, and Extended Travel Brake Switch
Engine Data Sensors - Pressure, Temperature, MAF, VSS and Extended Travel Brake Switch
Class 2 Serial Data - 1 of 2
Fuel Controls - EVAP Controls