GM Service Manual Online
For 1990-2009 cars only
Makes
🢒
Cadillac
🢒
2005
🢒
SRX
🢒
Vehicle Control Systems
🢒
Vehicle DTC Information
🢒 Suspension Controls Schematics
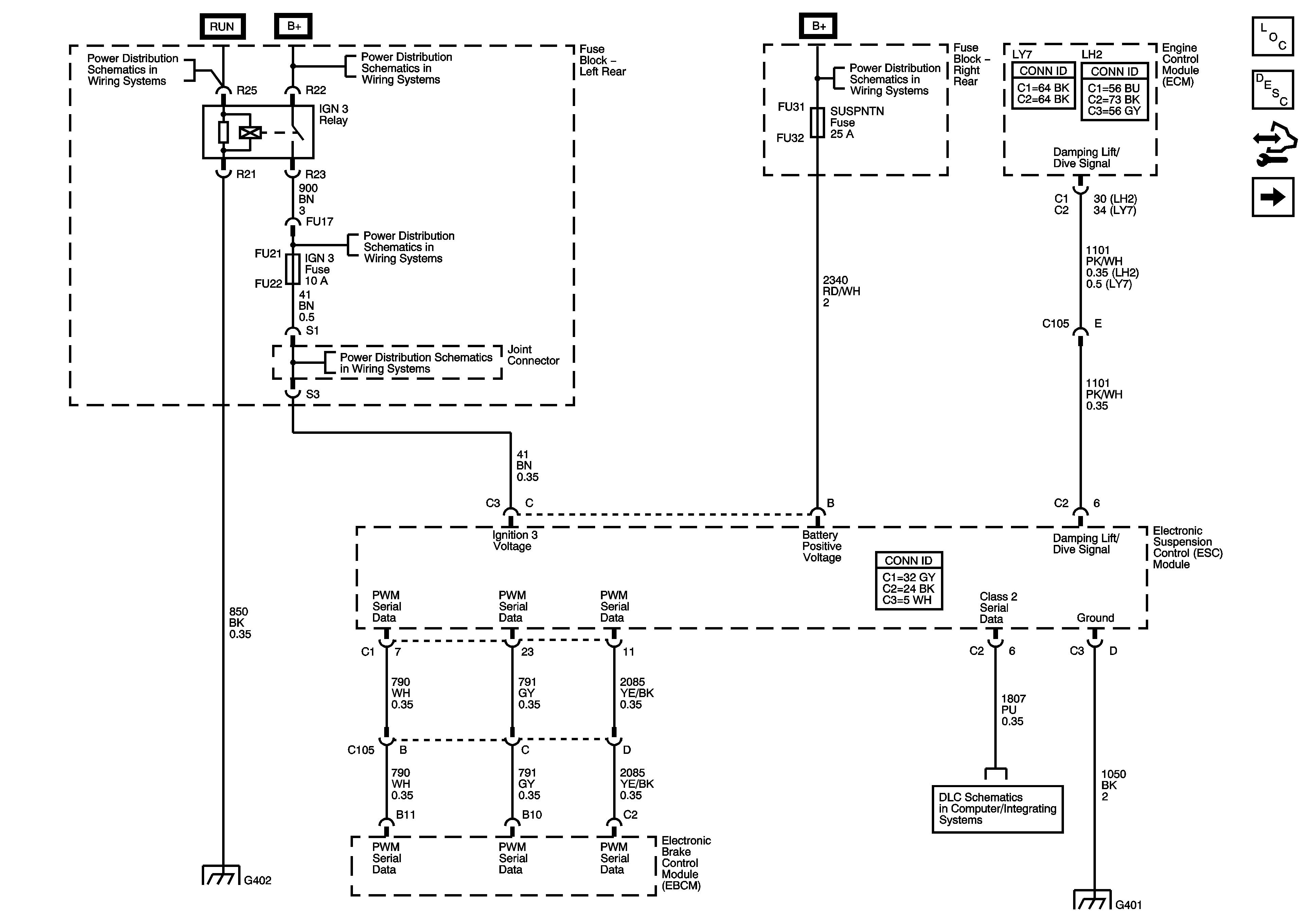
Figure
1:
Power, Ground, Serial Data, and Controls
Master Electrical Component List
Electronic Suspension Control Description and Operation
Control Module References
Sensors and Dampers
IGN SW Fuse and Ignition Switch - 1 of 2
Fuse Block - Left Rear B+ Bus
Fuse Block - Right Rear B+ Bus
AIR BAG, CCP (RUN), EBCM (RUN), HDLP LEVELING, IGN 1, and IGN 3 Fuses
AIR BAG, CCP (RUN), EBCM (RUN), HDLP LEVELING, IGN 1, and IGN 3 Fuses
G402 - 1 of 2
Class 2 Serial Data - 2 of 2
G401 - 2 of 2
Figure
2:
Sensors and Dampers
Master Electrical Component List
Electronic Suspension Control Description and Operation
Control Module References
Power, Ground, Serial Data and Controls
Suspension Controls Schematic Icons
Suspension Controls Schematic Icons
Suspension Controls Schematic Icons
Suspension Controls Schematic Icons
Suspension Controls Schematic Icons