GM Service Manual Online
For 1990-2009 cars only

Sunroof Schematics Export

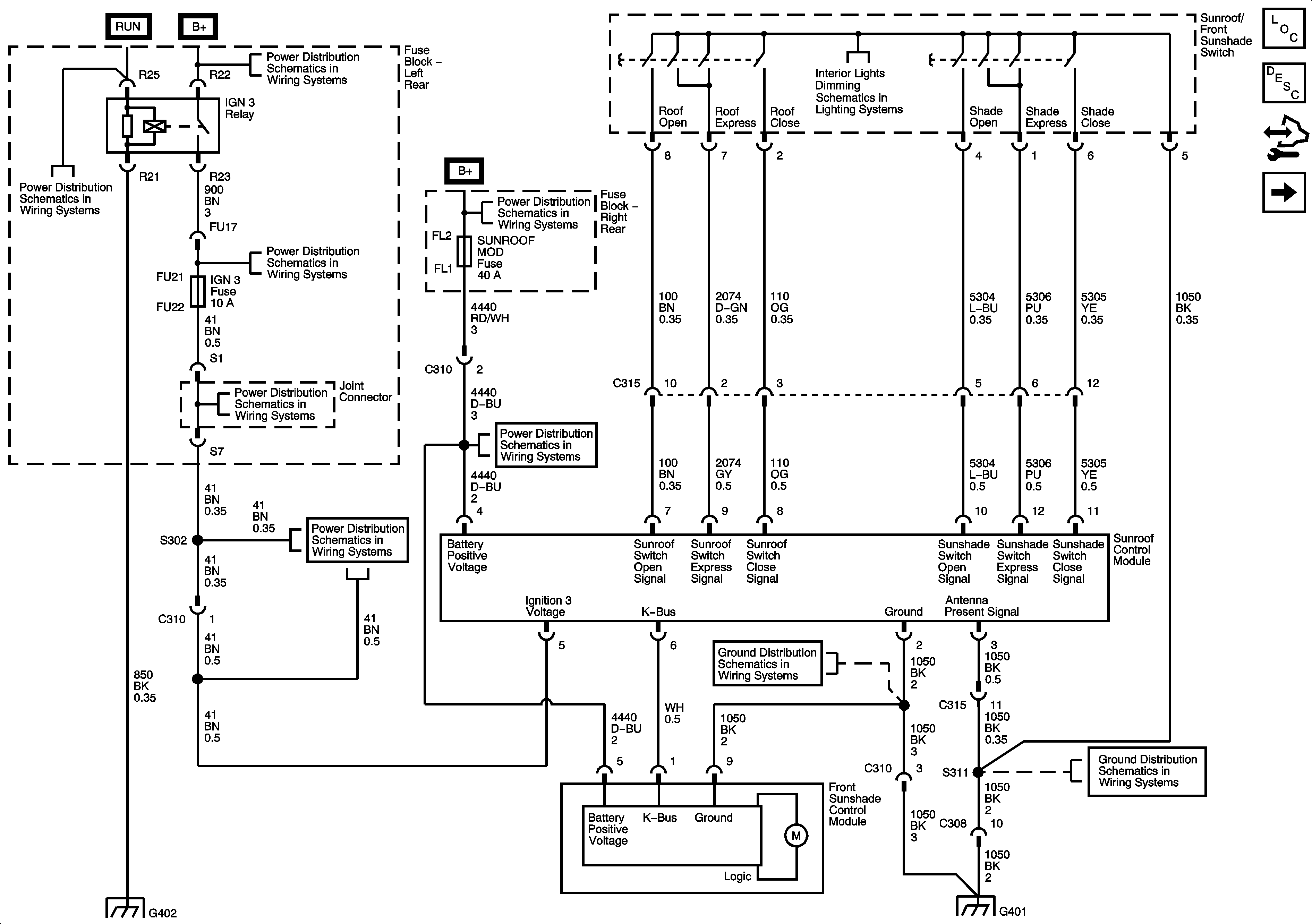
Figure 1:

Sunroof and Front Sunshade


Object Number: 1452883  Size: FS
Master Electrical Component List
Sunroof Description and Operation
Control Module References
Rear Sunshade
IGN SW Fuse and Ignition Switch - 1 of 2
Fuse Block - Left Rear B+ Bus
AIR BAG, CCP (RUN), EBCM (RUN), HDLP LEVELING, IGN 1, and IGN 3 Fuses
AIR BAG, CCP (RUN), EBCM (RUN), HDLP LEVELING, IGN 1, and IGN 3 Fuses
AIR BAG, CCP (RUN), EBCM (RUN), HDLP LEVELING, IGN 1, and IGN 3 Fuses
Fuse Block - Right Rear B+ Bus
CANISTER VENT, DR MOD PWR, REAR HATCH, R FRT HTD SEAT MOD, and SUNROOF MOD Fuses
Dimming Lamps - 2 of 2
G401 - 1 of 2
G401 - 1 of 2
G402 - 1 of 2
G401 - 1 of 2
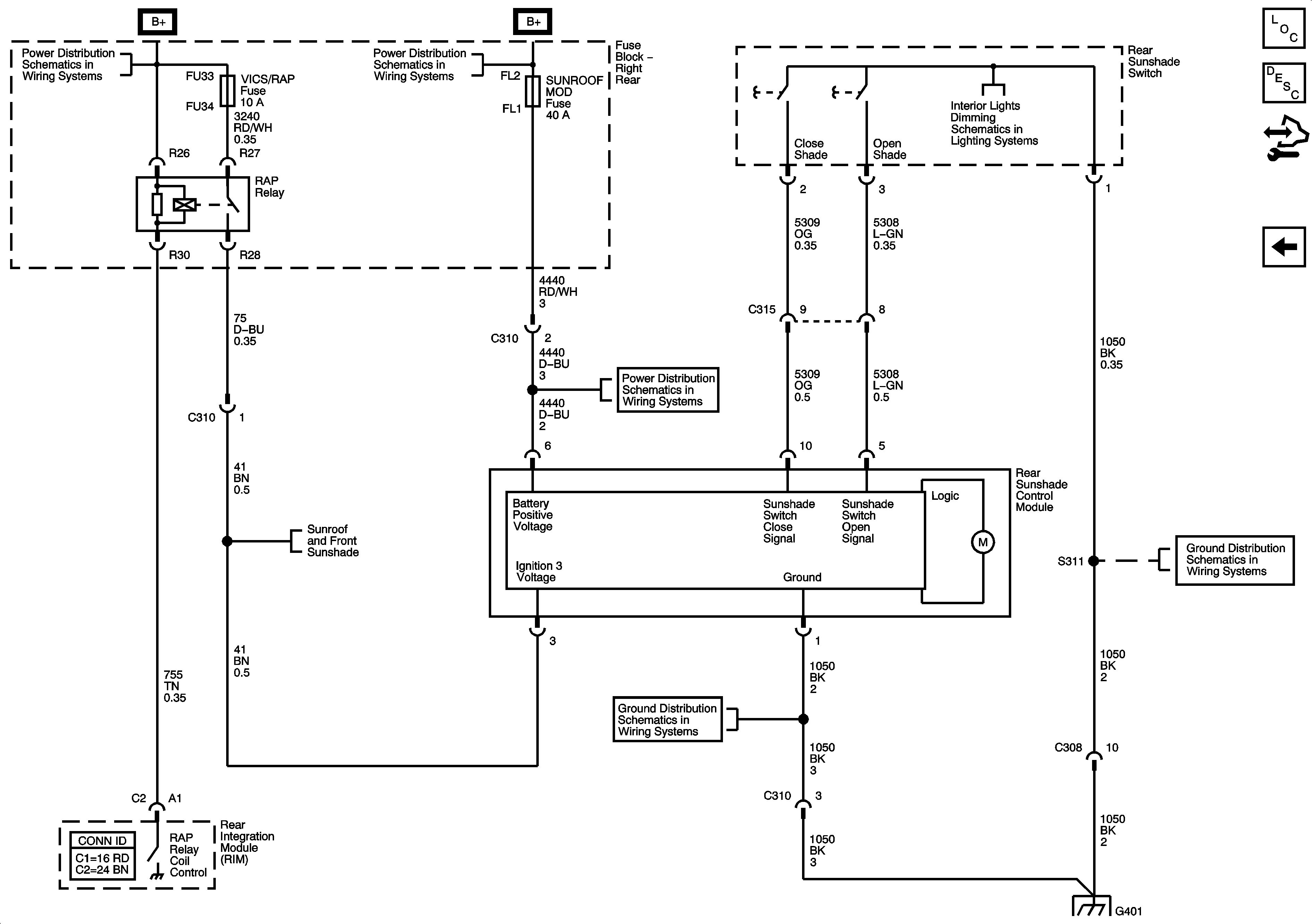
Figure 2:

Rear Sunshade


Object Number: 1452884  Size: FS
Master Electrical Component List
Sunroof Description and Operation
Control Module References
Sunroof and Front Sunshade
IGN SW Fuse and Ignition Switch - 1 of 2
Fuse Block - Left Rear B+ Bus
Fuse Block - Right Rear B+ Bus
Dimming Lamps - 2 of 2
AIR BAG, CCP (RUN), EBCM (RUN), HDLP LEVELING, IGN 1, and IGN 3 Fuses
AIR BAG, CCP (RUN), EBCM (RUN), HDLP LEVELING, IGN 1, and IGN 3 Fuses
AIR BAG, CCP (RUN), EBCM (RUN), HDLP LEVELING, IGN 1, and IGN 3 Fuses
CANISTER VENT, DR MOD PWR, REAR HATCH, R FRT HTD SEAT MOD, and SUNROOF MOD Fuses
G401 - 1 of 2
G401 - 1 of 2
G402 - 1 of 2
G401 - 1 of 2

Sunroof Schematics Domestic

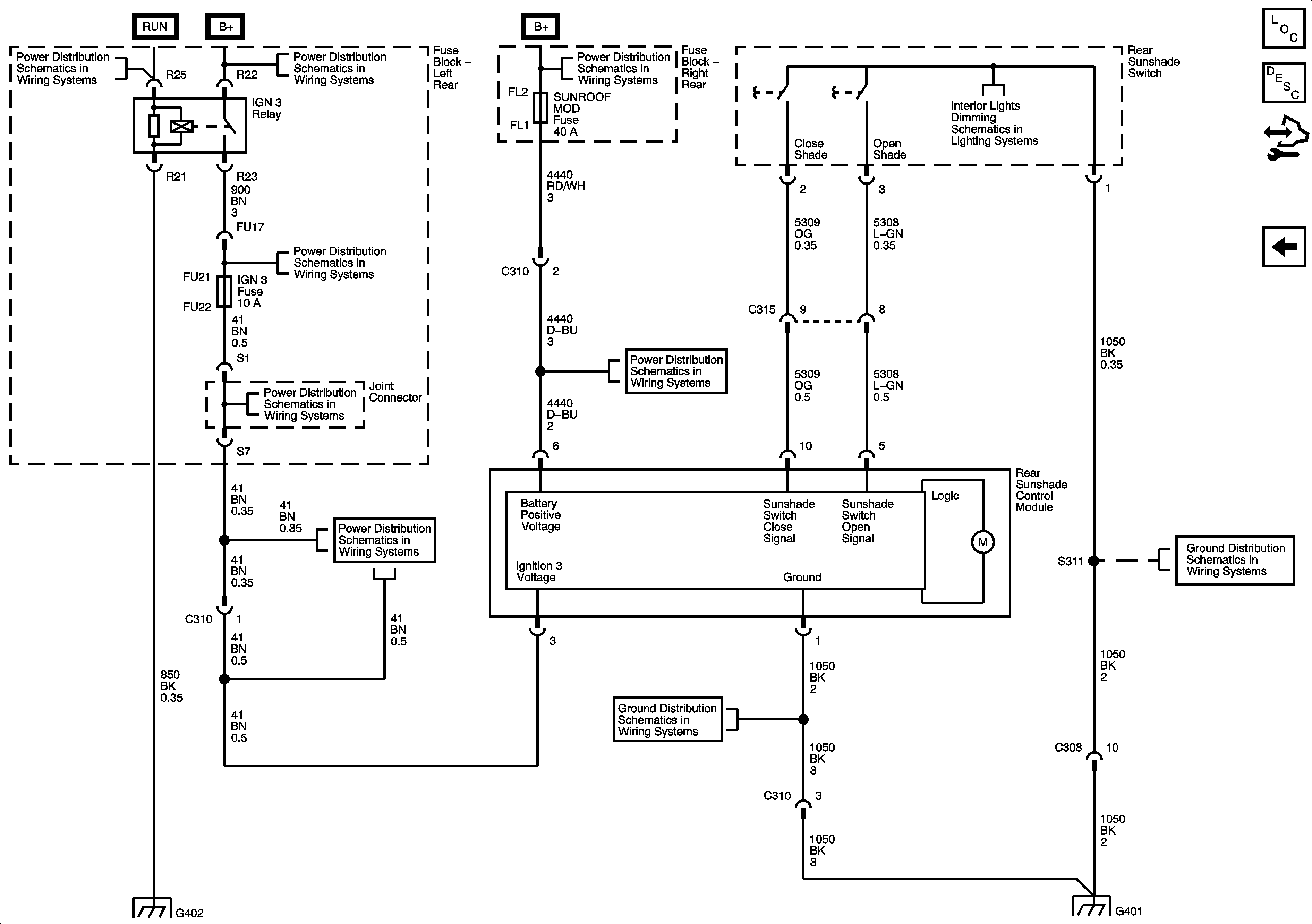
Figure 1:

Sunroof and Front Sunshade


Object Number: 1542870  Size: FS
Master Electrical Component List
Sunroof Description and Operation
Control Module References
Rear Sunshade
Fuse Block - Right Rear B+ Bus
Fuse Block - Right Rear B+ Bus
Dimming Lamps - 2 of 2
CANISTER VENT, DR MOD PWR, REAR HATCH, R FRT HTD SEAT MOD, and SUNROOF MOD Fuses
Rear Sunshade
G401 - 1 of 2
G401 - 1 of 2
G401 - 1 of 2
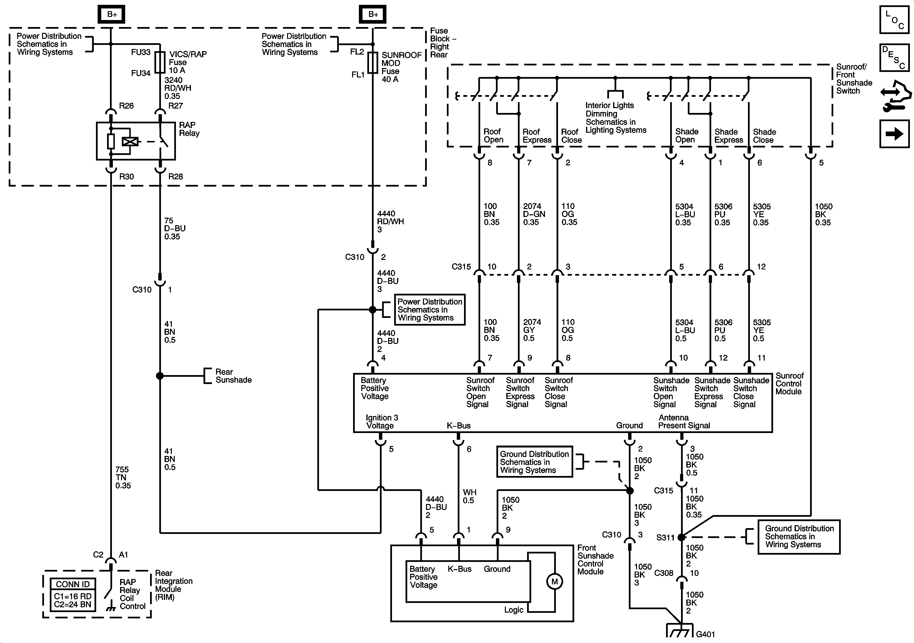
Figure 2:

Rear Sunshade


Object Number: 1542868  Size: FS
Master Electrical Component List
Sunroof Description and Operation
Control Module References
Sunroof and Front Sunshade
Fuse Block - Right Rear B+ Bus
Fuse Block - Right Rear B+ Bus
Dimming Lamps - 2 of 2
Sunroof and Front Sunshade
CANISTER VENT, DR MOD PWR, REAR HATCH, R FRT HTD SEAT MOD, and SUNROOF MOD Fuses
G401 - 1 of 2
G401 - 1 of 2
G401 - 1 of 2