GM Service Manual Online
For 1990-2009 cars only
Makes
🢒
Cadillac
🢒
2005
🢒
SRX
🢒
Vehicle Control Systems
🢒
Vehicle DTC Information
🢒 Theft Deterrent System Schematics
Figure
1:
Vehicle Theft Deterrent (VTD)
Master Electrical Component List
Vehicle Theft Deterrent (VTD) Description and Operation
Control Module References
Content Theft Deterrent (CTD) Sensors and Sirens (UA2)
RIM and THEFT Fuses and Ignition Switch - 2 of 2
CCP (B+), DIM/ALDL, EBCM (B+), ECM/TCM, Flasher, and VOLT CHECK Fuses
Class 2 Serial Data - 1 of 2
G200
G200
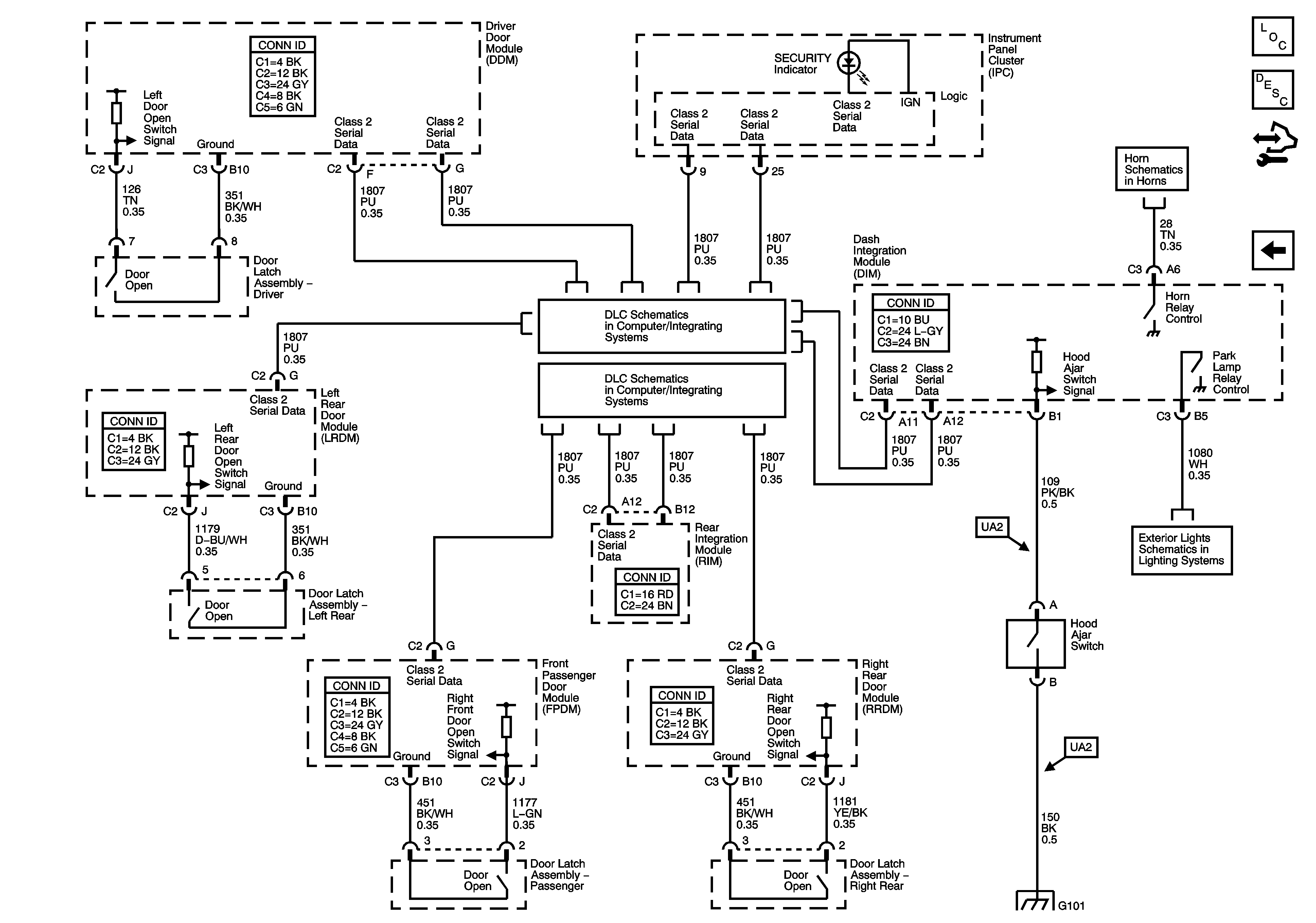
Figure
2:
Content Theft Deterrent (CTD) Sensors and Sirens (UA2)
Master Electrical Component List
Content Theft Deterrent (CTD) Description and Operation
Control Module References
Content Theft Deterrent (CTD)
Vehicle Theft Deterrent (VTD)
RIM and THEFT Fuses and Ignition Switch - 2 of 2
Fuse Block - Right Rear B+ Bus
Fuse Block - Right Rear B+ Bus
Fuse Block - Left Rear B+ Bus
G402 - 1 of 2
AIR BAG, CCP (RUN), EBCM (RUN), HDLP LEVELING, IGN 1, and IGN 3 Fuses
AIR BAG, CCP (RUN), EBCM (RUN), HDLP LEVELING, IGN 1, and IGN 3 Fuses
FFSM, FFS SW, and THEFT Fuses and SEAT Circuit Breaker
G402 - 1 of 2
G401 - 2 of 2
Figure
3:
Content Theft Deterrent (CTD)
Master Electrical Component List
Content Theft Deterrent (CTD) Description and Operation
Control Module References
Content Theft Deterrent (CTD) Sensors and Sirens (UA2)
Class 2 Serial Data - 1 of 2
Class 2 Serial Data - 2 of 2
Horns Schematic
Park Lamp Controls and Indicators
G101