GM Service Manual Online
For 1990-2009 cars only
Makes
🢒
Cadillac
🢒
2005
🢒
SRX
🢒
Vehicle Control Systems
🢒
Vehicle DTC Information
🢒 Automatic Transmission Controls Schematics
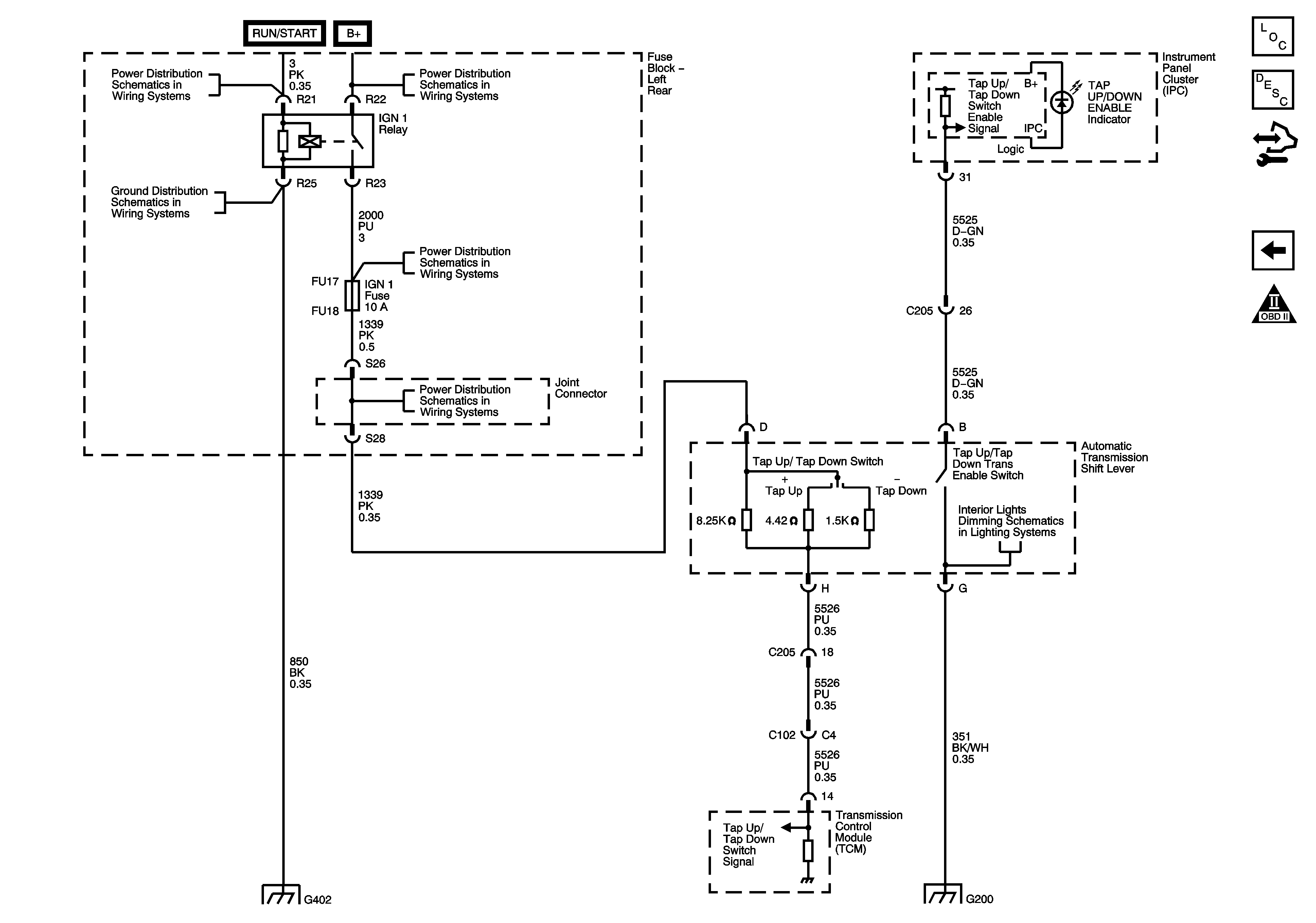
Figure
1:
Power, Ground, Serial Data, and Swtiches
Master Electrical Component List
Electronic Component Description
Control Module References
Sensors and Solenoids
Automatic Transmission Schematic Icons
RIM and THEFT Fuses and Ignition Switch - 2 of 2
Fuse Block - Underhood B+ Bus Schematic
RIM and THEFT Fuses and Ignition Switch - 2 of 2
CCP (B+), DIM/ALDL, EBCM (B+), ECM/TCM, Flasher, and VOLT CHECK Fuses
CCP (B+), DIM/ALDL, EBCM (B+), ECM/TCM, Flasher, and VOLT CHECK Fuses
ABS, STARTER RLY, STRG CTLS, TCM/IPC, and WASH NOZ Fuses
RIM and THEFT Fuses and Ignition Switch - 2 of 2
G104
Tail Lamps and Stop Lamps - Export
Automatic Transmission Schematic Icons
Power, Ground, GMLAN and Key Word 2000 Serial Data
G100 - LH2
G111, G112, G113, G114 and G306
G100 - LH2
G104
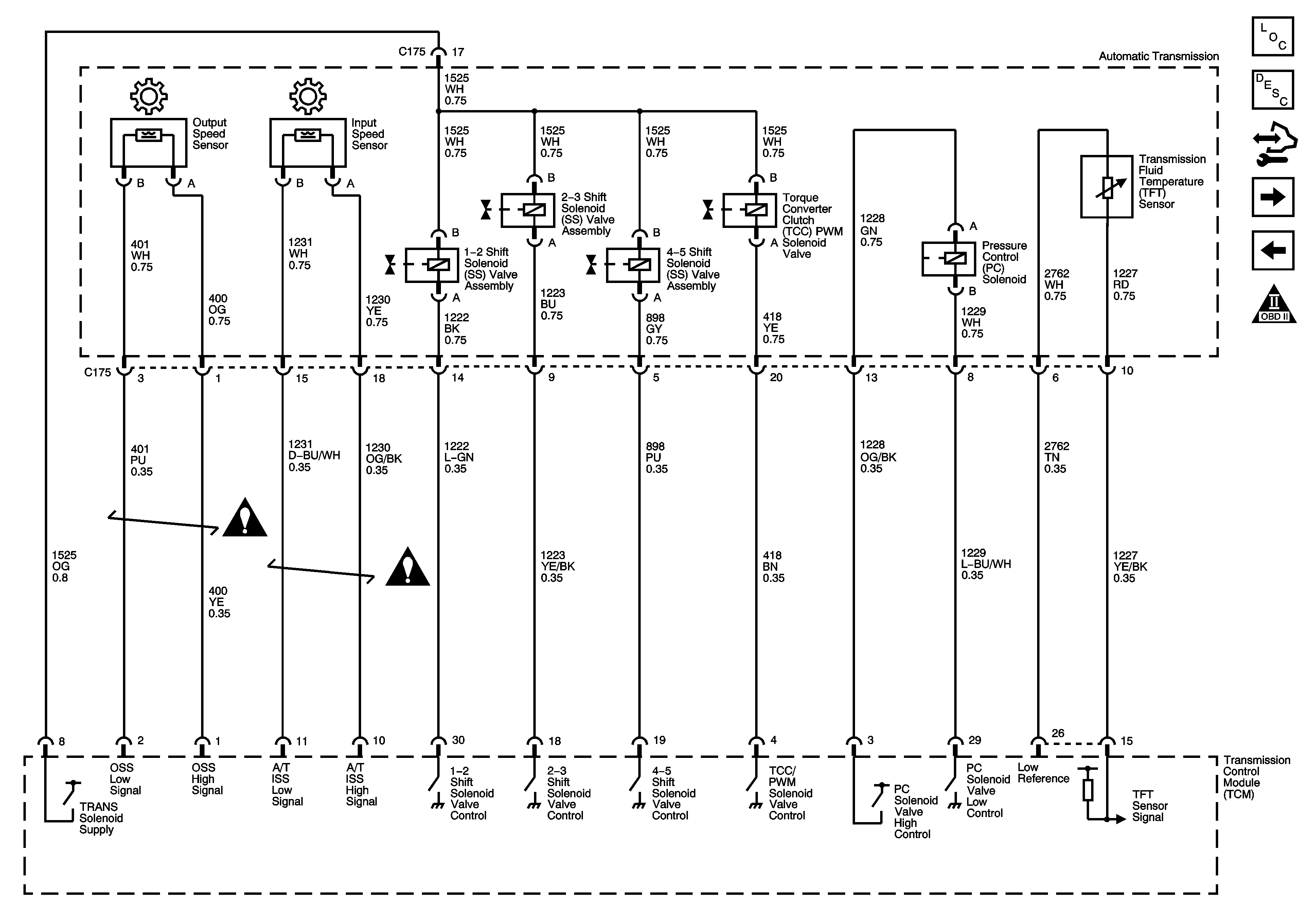
Figure
2:
Sensors and Solenoids
Master Electrical Component List
Electronic Component Description
Control Module References
Shift Lever
Power, Ground, Serial Data and Switches
Automatic Transmission Schematic Icons
Automatic Transmission Schematic Icons
Automatic Transmission Schematic Icons
Figure
3:
Shift Lever
Master Electrical Component List
Electronic Component Description
Control Module References
Sensors and Solenoids
Automatic Transmission Schematic Icons
RIM and THEFT Fuses and Ignition Switch - 2 of 2
Fuse Block - Left Rear B+ Bus
G402 - 1 of 2
AIR BAG, CCP (RUN), EBCM (RUN), HDLP LEVELING, IGN 1, and IGN 3 Fuses
AIR BAG, CCP (RUN), EBCM (RUN), HDLP LEVELING, IGN 1, and IGN 3 Fuses
Dimming Lamps - 1 of 2
G402 - 1 of 2
G200