GM Service Manual Online
For 1990-2009 cars only
Makes
🢒
Cadillac
🢒
2005
🢒
SRX
🢒
Vehicle Control Systems
🢒
Computer/Integrating Systems
🢒 Data Link Connector Schematics
Figure
1:
Power, Ground, GMLAN and Key Word 2000 Serial Data
Master Electrical Component List
Data Link Communications Description and Operation
Control Module References
Class 2 Serial Data - 1 of 2
Fuse Block - Underhood B+ Bus Schematic
CCP (B+), DIM/ALDL, EBCM (B+), ECM/TCM, Flasher, and VOLT CHECK Fuses
G200
G200
G200
Computer/Integrating Systems Schematic Icons
Figure
2:
Class 2 Serial Data - 1 of 2
Master Electrical Component List
Data Link Communications Description and Operation
Control Module References
Class 2 Serial Data - 2 of 2
Power, Ground, GMLAN and Key Word 2000 Serial Data
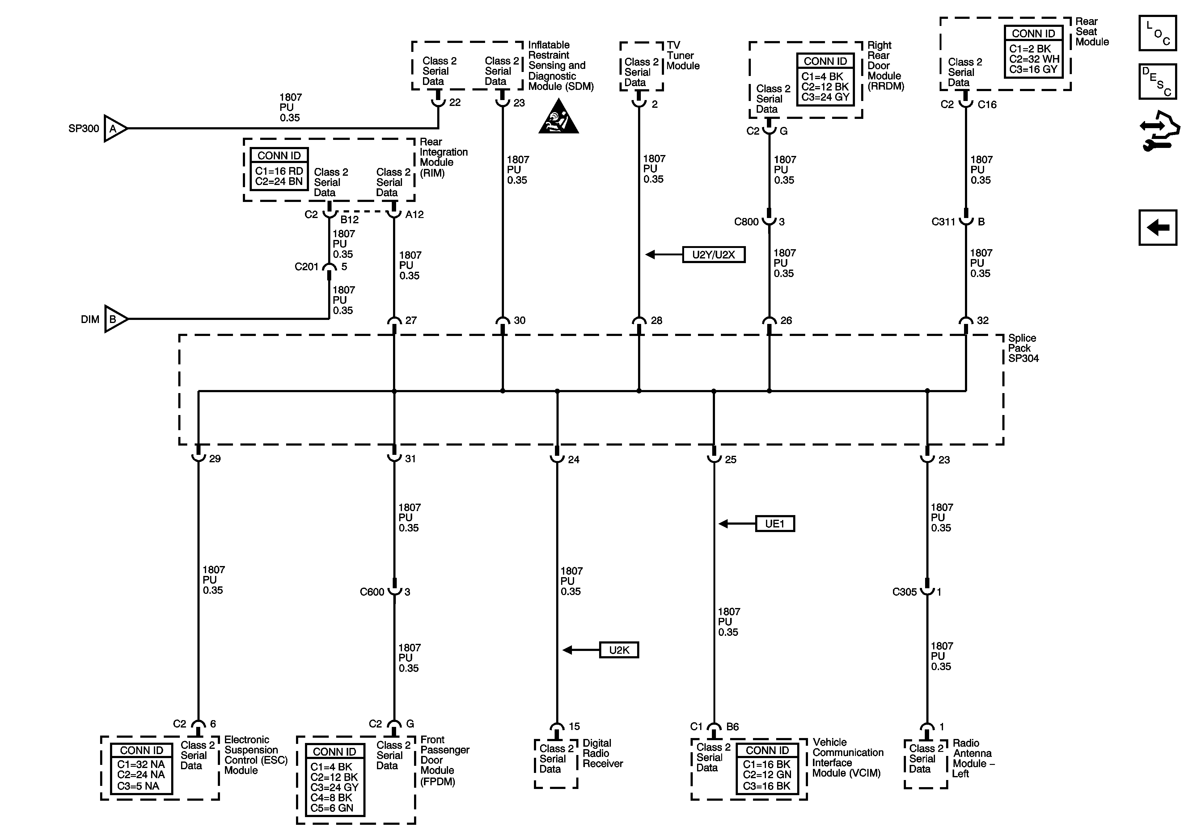
Class 2 Serial Data - 2 of 2
Class 2 Serial Data - 2 of 2
Figure
3:
Class 2 Serial Data - 2 of 2
Master Electrical Component List
Data Link Communications Description and Operation
Control Module References
Class 2 Serial Data - 1 of 2
Class 2 Serial Data - 1 of 2
Class 2 Serial Data - 1 of 2
SIR Caution for Zoning