GM Service Manual Online
For 1990-2009 cars only
Figure 1:

Headlamp Controls


Object Number: 1448061  Size: FS
Master Electrical Component List
Exterior Lighting Systems Description and Operation
Control Module References
Headlamps - Domestic
Fuse Block - Underhood B+ Bus Schematic
Class 2 Serial Data - 1 of 2
Headlamps - Domestic
Park Lamp Controls and Indicators
Headlamps - Domestic
Air Delivery and Temperature Controls
Air Delivery and Temperature Controls
G201
Figure 2:

Headlamps - Domestic


Object Number: 1448062  Size: FS
Master Electrical Component List
Exterior Lighting Systems Description and Operation
Control Module References
Headlamps - Export
Headlamp Controls
Headlamp Controls
Headlamp Controls
Parking Lamps - Domestic
Parking Lamps - Domestic
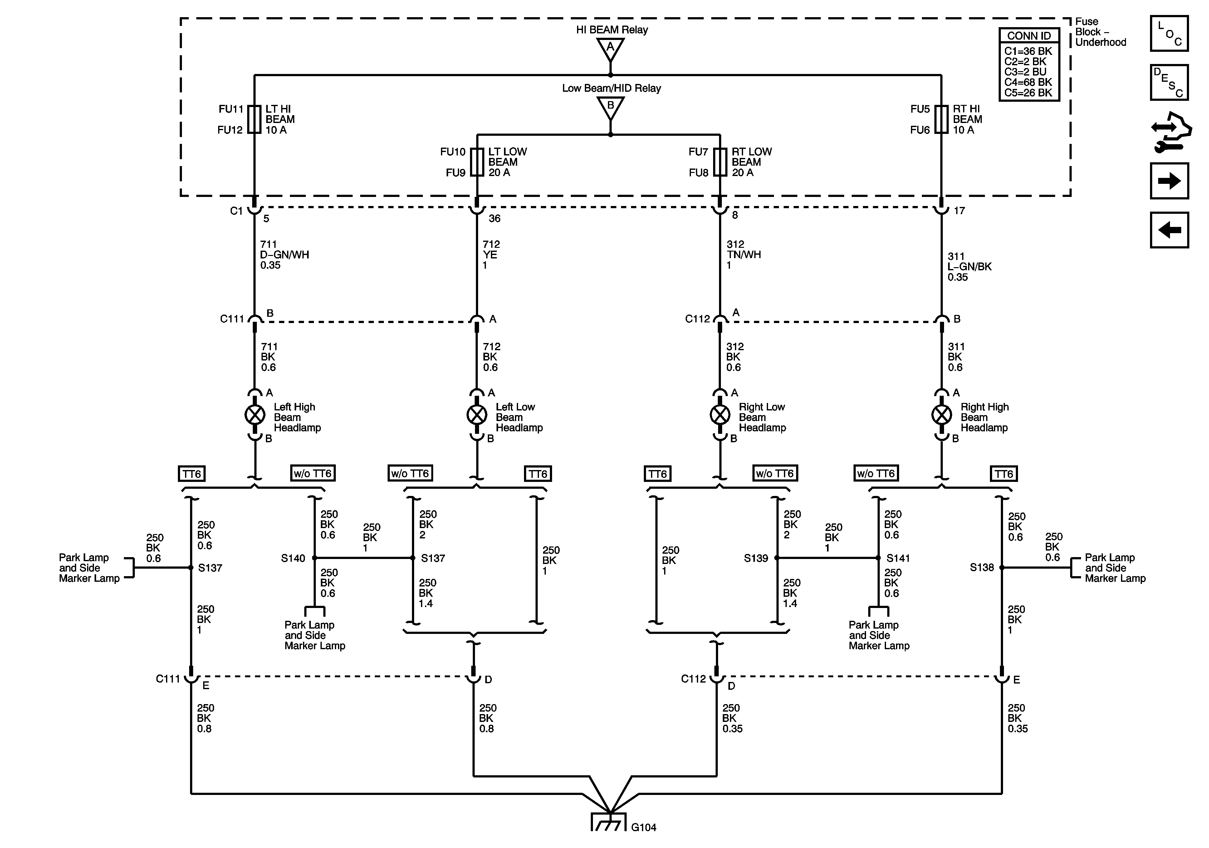
G104
Parking Lamps - Domestic
Parking Lamps - Domestic
Figure 3:

Headlamps - Export


Object Number: 1448064  Size: FS
Master Electrical Component List
Exterior Lighting Systems Description and Operation
Control Module References
Daytime Running Lamps (DRL) - Domestic
Headlamps - Domestic
Headlamp Controls
Headlamp Controls
Parking Lamps - Export
G104
Parking Lamps - Export
Figure 4:

Daytime Running Lamps (DRL) - Domestic


Object Number: 1448066  Size: FS
Master Electrical Component List
Exterior Lighting Systems Description and Operation
Control Module References
Headlamps - Export
Fuse Block - Underhood B+ Bus Schematic
G104
G104
Class 2 Serial Data - 1 of 2
G200
G200