GM Service Manual Online
For 1990-2009 cars only
Figure 1:

Turn Signal/Hazard Flasher Module


Object Number: 1448112  Size: FS
Master Electrical Component List
Exterior Lighting Systems Description and Operation
Control Module References
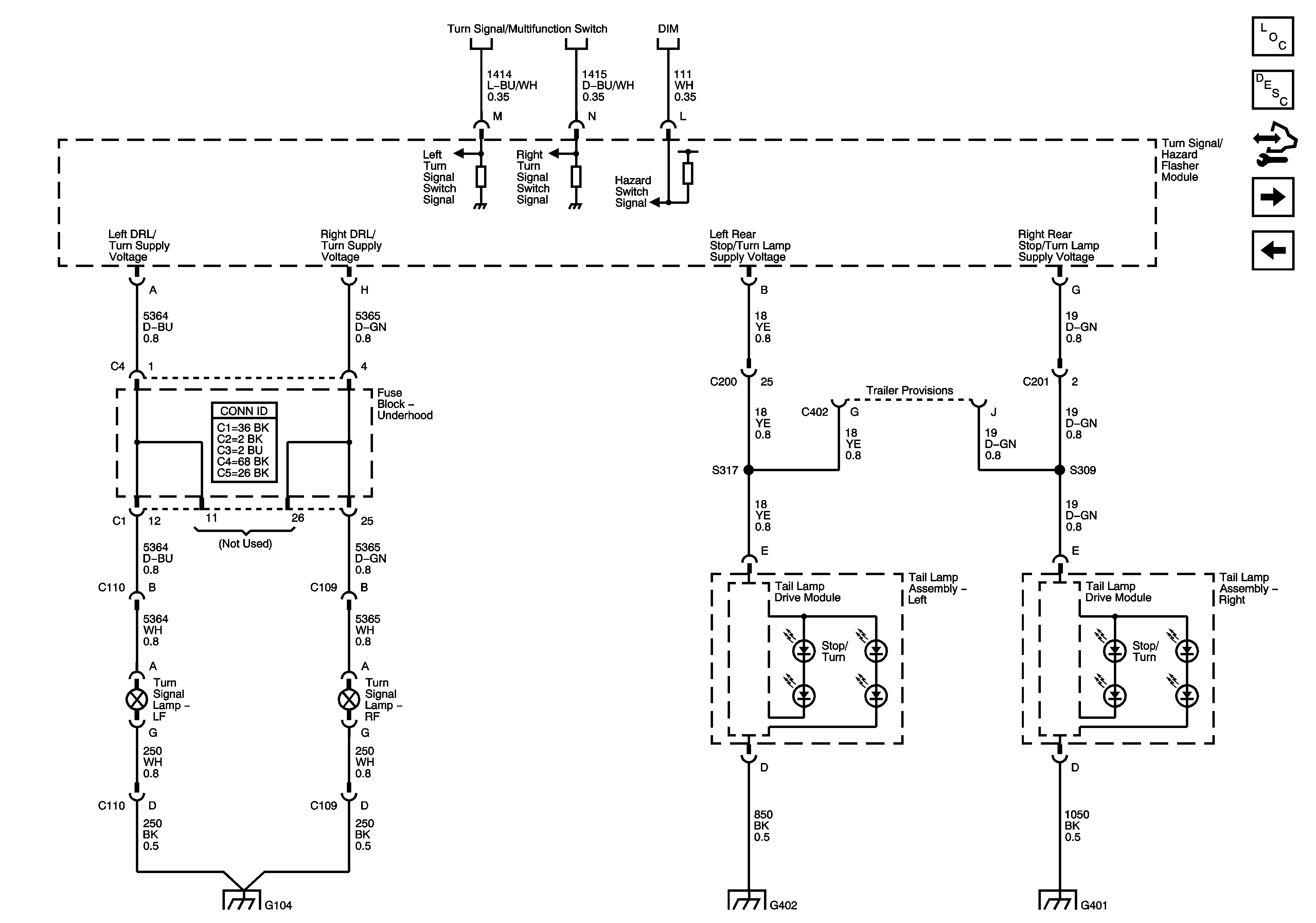
Turn Lamps - Domestic
Fuse Block - Underhood B+ Bus Schematic
RIM and THEFT Fuses and Ignition Switch - 2 of 2
Fuse Block - Underhood B+ Bus Schematic
G104
ABS, STARTER RLY, STRG CTLS, TCM/IPC, and WASH NOZ Fuses
G104
ABS, STARTER RLY, STRG CTLS, TCM/IPC, and WASH NOZ Fuses
Turn Lamps - Export
Interior Lamps Dimming Controls
G402 - 1 of 2
G401 - 1 of 2
Indicators
G200
Figure 2:

Turn Lamps - Domestic


Object Number: 1543037  Size: FS
Master Electrical Component List
Exterior Lighting Systems Description and Operation
Control Module References
Turn Lamps - Export
Turn Signal/Hazard Flasher Module
Turn Signal/Hazard Flasher Module
Turn Signal/Hazard Flasher Module
G104
G402 - 1 of 2
G401 - 1 of 2
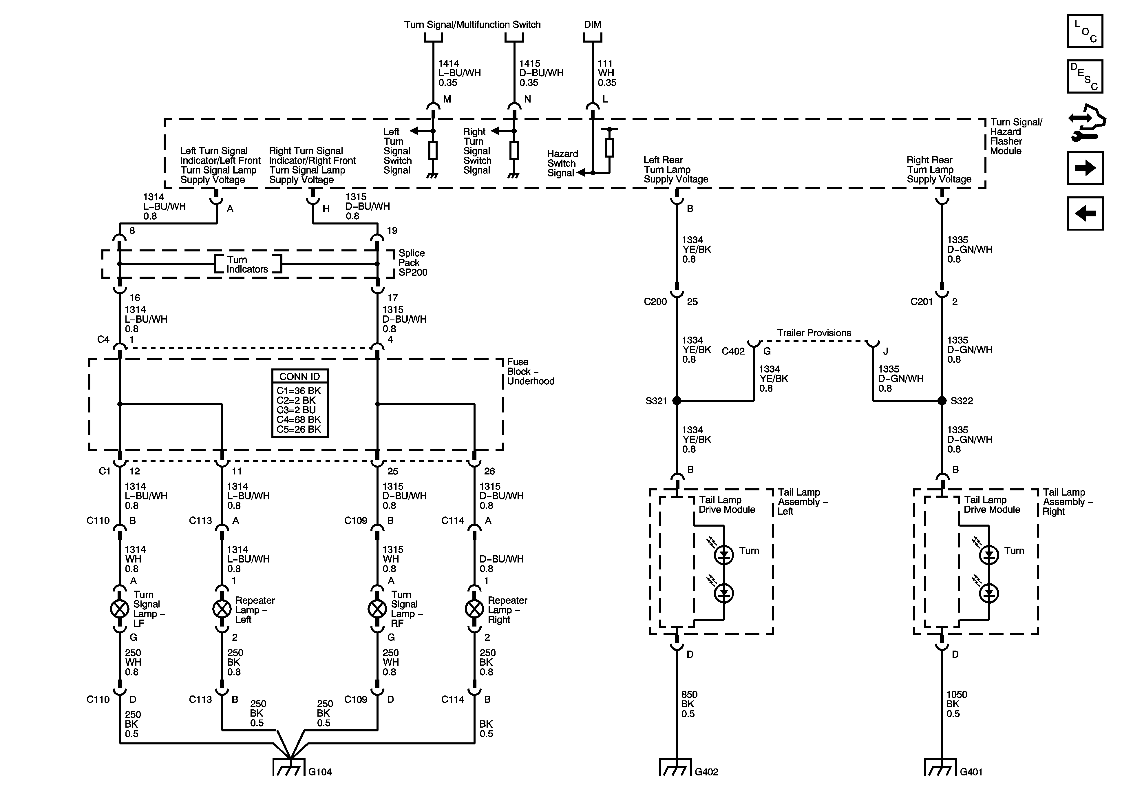
Figure 3:

Turn Lamps - Export


Object Number: 1543039  Size: FS
Master Electrical Component List
Exterior Lighting Systems Description and Operation
Control Module References
Park Lamp Controls and Indicators
Turn Lamps - Domestic
Turn Signal/Hazard Flasher Module
Turn Signal/Hazard Flasher Module
Turn Signal/Hazard Flasher Module
G104
G402 - 1 of 2
G401 - 1 of 2
Figure 4:

Park Lamp Controls and Indicator


Object Number: 1448114  Size: FS
Master Electrical Component List
Exterior Lighting Systems Description and Operation
Control Module References
Parking Lamps - Domestic
Turn Lamps - Export
Headlamp Controls
Class 2 Serial Data - 1 of 2
Headlamp Controls
G200
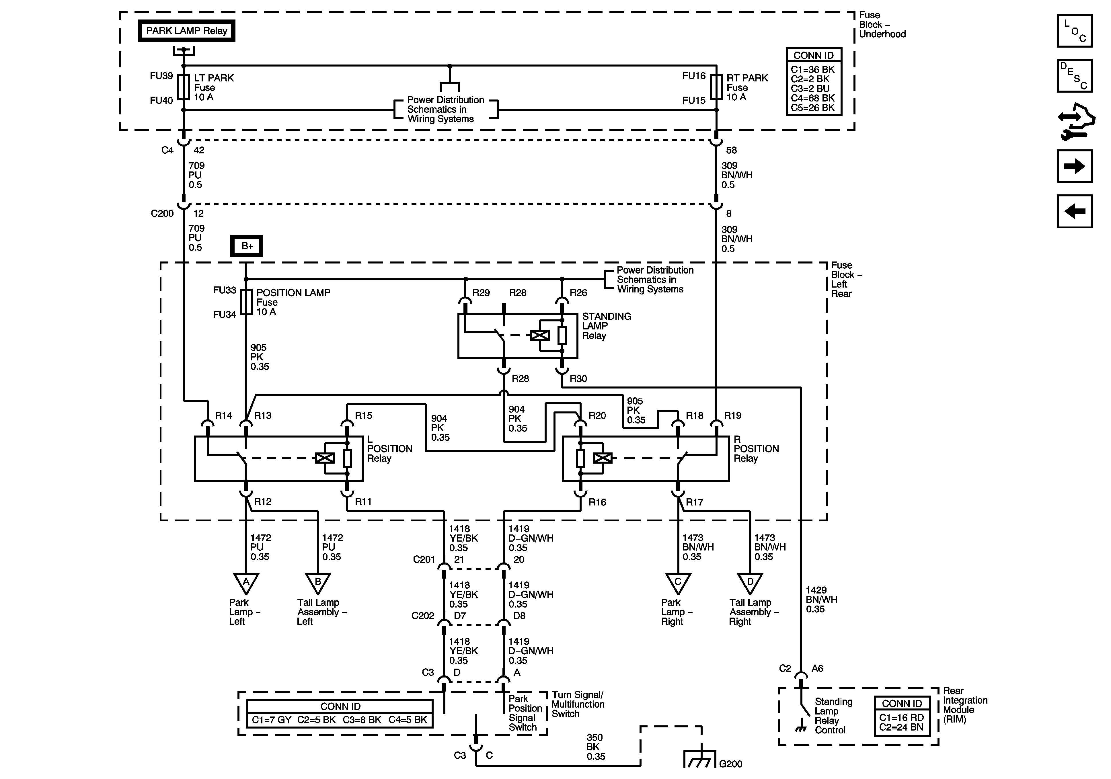
Figure 5:

Parking Lamps - Domestic


Object Number: 1448115  Size: FS
Master Electrical Component List
Exterior Lighting Systems Description and Operation
Control Module References
Position Lamp Controls - Export
Park Lamp Controls and Indicators
Park Lamp Controls and Indicators
LIC/DIMMING, LT PARK, and RT PARK Fuses
Backup Lamps
Headlamps - Domestic
Headlamps - Domestic
G402 - 2 of 2
G104
G402 - 1 of 2
G401 - 1 of 2
Figure 6:

Position Lamp Controls - Export


Object Number: 1448116  Size: FS
Master Electrical Component List
Exterior Lighting Systems Description and Operation
Control Module References
Parking Lamps - Export
Parking Lamps - Domestic
Park Lamp Controls and Indicators
LIC/DIMMING, LT PARK, and RT PARK Fuses
Parking Lamps - Export
Parking Lamps - Export
Parking Lamps - Export
Parking Lamps - Export
G200
Figure 7:

Parking Lamps - Export


Object Number: 1543040  Size: FS
Master Electrical Component List
Exterior Lighting Systems Description and Operation
Control Module References
Tail Lamps and Stop Lamps - Domestic
Position Lamp Controls - Export
Park Lamp Controls and Indicators
LIC/DIMMING, LT PARK, and RT PARK Fuses
LIC/DIMMING, LT PARK, and RT PARK Fuses
Position Lamp Controls - Export
Position Lamp Controls - Export
Park Lamp Controls and Indicators
Park Lamp Controls and Indicators
Backup Lamps
Headlamps - Export
Headlamps - Export
G402 - 2 of 2
G104
G402 - 1 of 2
G401 - 1 of 2
Figure 8:

Stop Lamps - Domestic


Object Number: 1448117  Size: FS
Master Electrical Component List
Exterior Lighting Systems Description and Operation
Control Module References
Tail Lamps and Stop Lamps - Export
Parking Lamps - Export
Power, Ground, Serial Data and Switches
Controlled/Monitored Subsystem References
Controlled/Monitored Subsystem References
Fuse Block - Left Rear B+ Bus
G402 - 1 of 2
G401 - 1 of 2
G402 - 1 of 2
G402 - 2 of 2
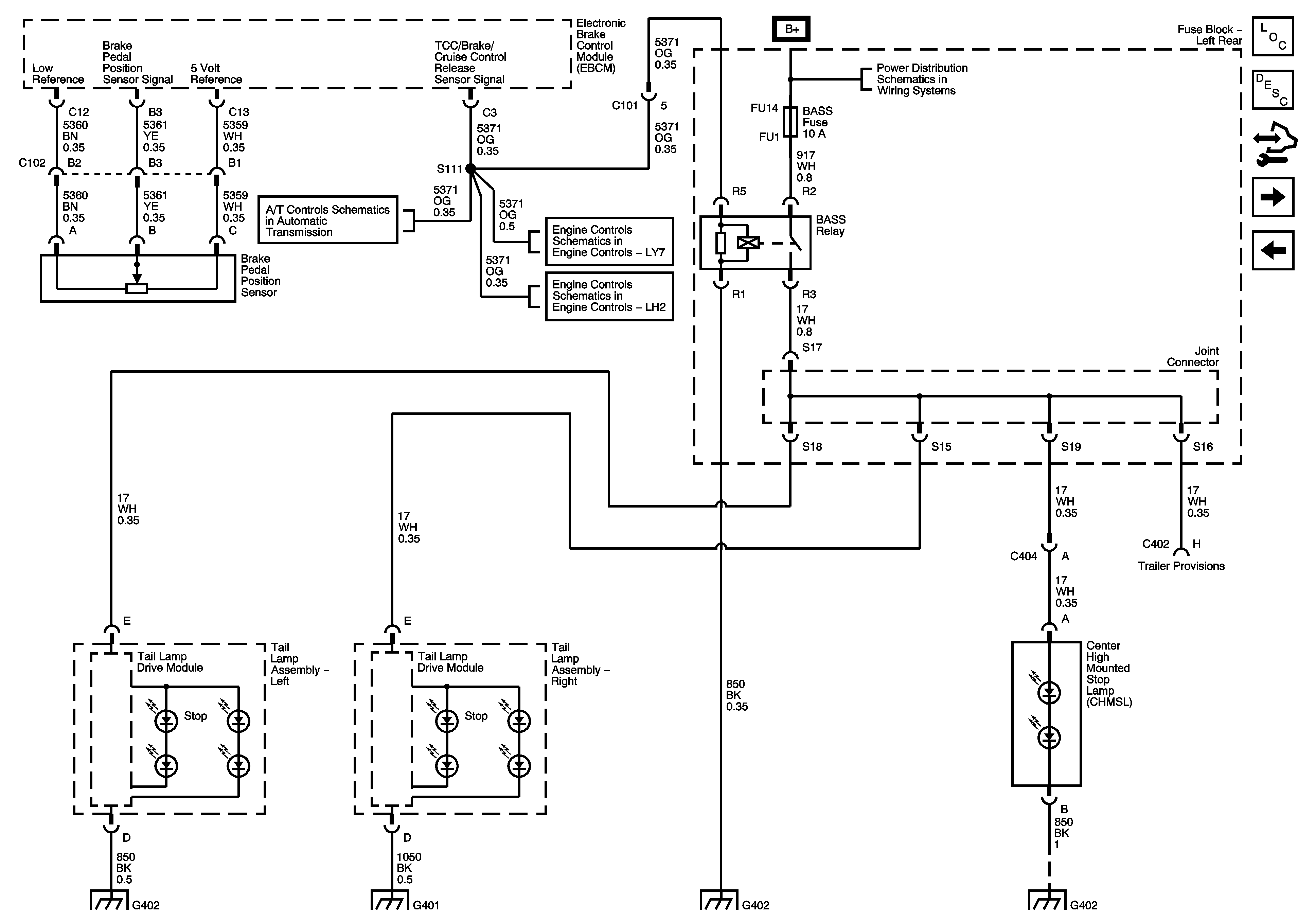
Figure 9:

Stop Lamps - Export


Object Number: 1448118  Size: FS
Master Electrical Component List
Exterior Lighting Systems Description and Operation
Control Module References
Backup Lamps
Tail Lamps and Stop Lamps - Domestic
Power, Ground, Serial Data and Switches
Controlled/Monitored Subsystem References
Controlled/Monitored Subsystem References
Fuse Block - Left Rear B+ Bus
G402 - 1 of 2
G401 - 1 of 2
G402 - 1 of 2
G402 - 2 of 2
Figure 10:

Backup Lamps


Object Number: 1448120  Size: FS
Master Electrical Component List
Exterior Lighting Systems Description and Operation
Control Module References
Tail Lamps and Stop Lamps - Export
FFS Sw, FFSM, Bass Fuses, and BASS Relay Schematic
Class 2 Serial Data - 2 of 2
Fuse Block - Left Rear B+ Bus
Inside Rearview Mirror Schematic
Rear Parking Assist Schematic
G402 - 2 of 2