GM Service Manual Online
For 1990-2009 cars only
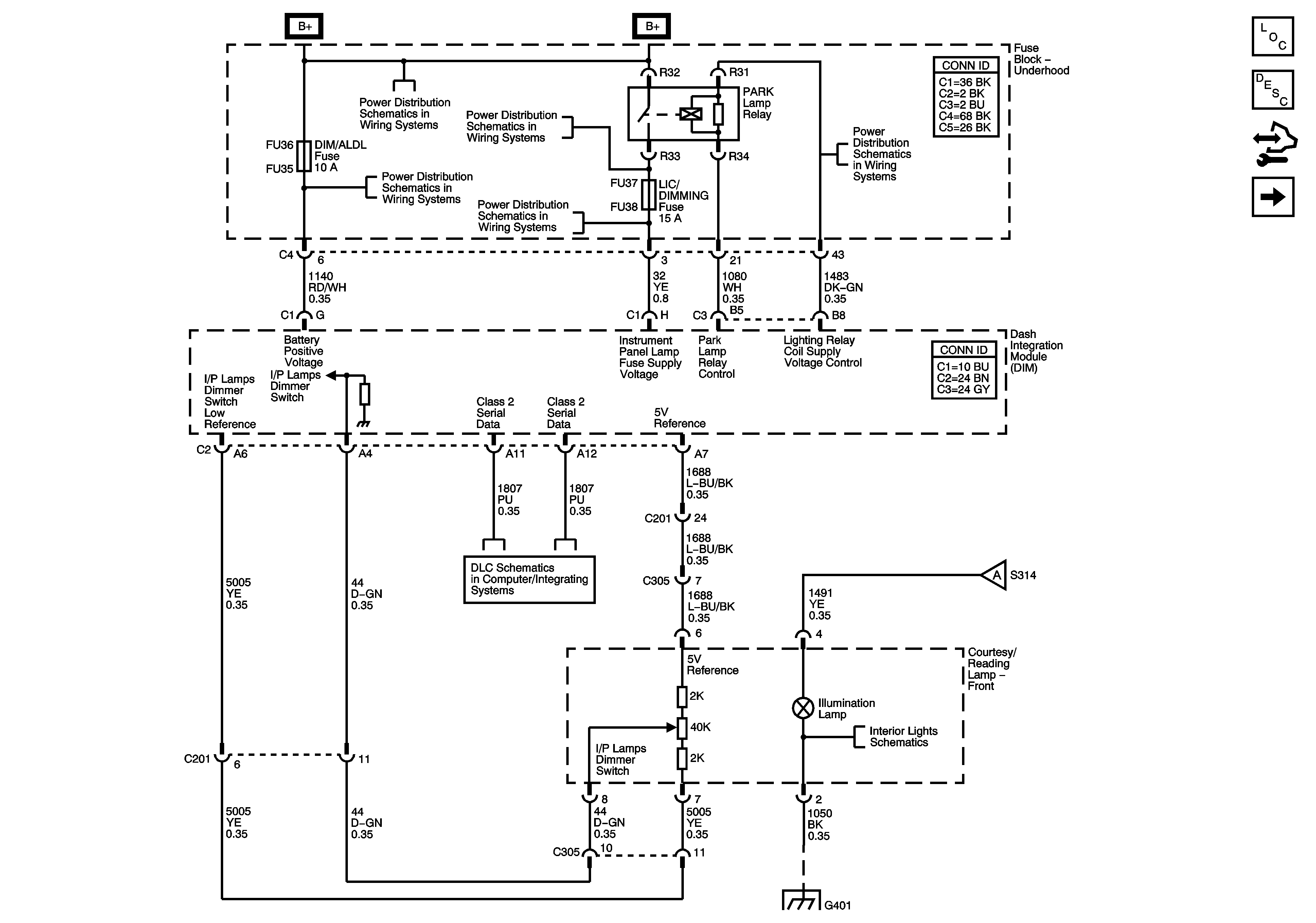
Figure 1:

Interior Lamps Dimming Controls


Object Number: 1448508  Size: FS
Master Electrical Component List
Interior Lighting Systems Description and Operation
Control Module References
Dimming Lamps - 1 of 2
CCP (B+), DIM/ALDL, EBCM (B+), ECM/TCM, Flasher, and VOLT CHECK Fuses
Fuse Block - Underhood B+ Bus Schematic
LIC/DIMMING, LT PARK, and RT PARK Fuses
LIC/DIMMING, LT PARK, and RT PARK Fuses
LIC/DIMMING, LT PARK, and RT PARK Fuses
Class 2 Serial Data - 1 of 2
Dimming Lamps - 2 of 2
Courtesy/Reading Lamps
G401 - 2 of 2
Figure 2:

Dimming Lamps - 1 of 2


Object Number: 1448510  Size: FS
Master Electrical Component List
Interior Lighting Systems Description and Operation
Control Module References
Dimming Lamps - 2 of 2
Interior Lamps Dimming Controls
Interior Lamps Dimming Controls
Indicator,Traction Control, and Brake Pedal Position
Sunroof and Front Sunshade
Power, Ground, Serial Data and Switches
Turn Signal/Hazard Flasher Module
G200
Rear Sunshade
G200
SIR Caution for Zoning
G401 - 2 of 2
G200
Figure 3:

Dimming Lamps - 2 of 2


Object Number: 1448512  Size: FS
Master Electrical Component List
Interior Lighting Systems Description and Operation
Control Module References
Dimming Lamps - 1 of 2
Fuse Block - Left Rear B+ Bus
Fuse Block - Right Rear B+ Bus
Class 2 Serial Data - 1 of 2
Class 2 Serial Data - 2 of 2
Memory Seat Controls (A45)
Driver Door Lock
Driver Door Lock
Rear Power Windows
Rear Power Windows
Front Power Windows
Front Passenger Door Lock