GM Service Manual Online
For 1990-2009 cars only
Makes
🢒
Cadillac
🢒
2005
🢒
SRX
🢒
Body
🢒
Lighting Systems
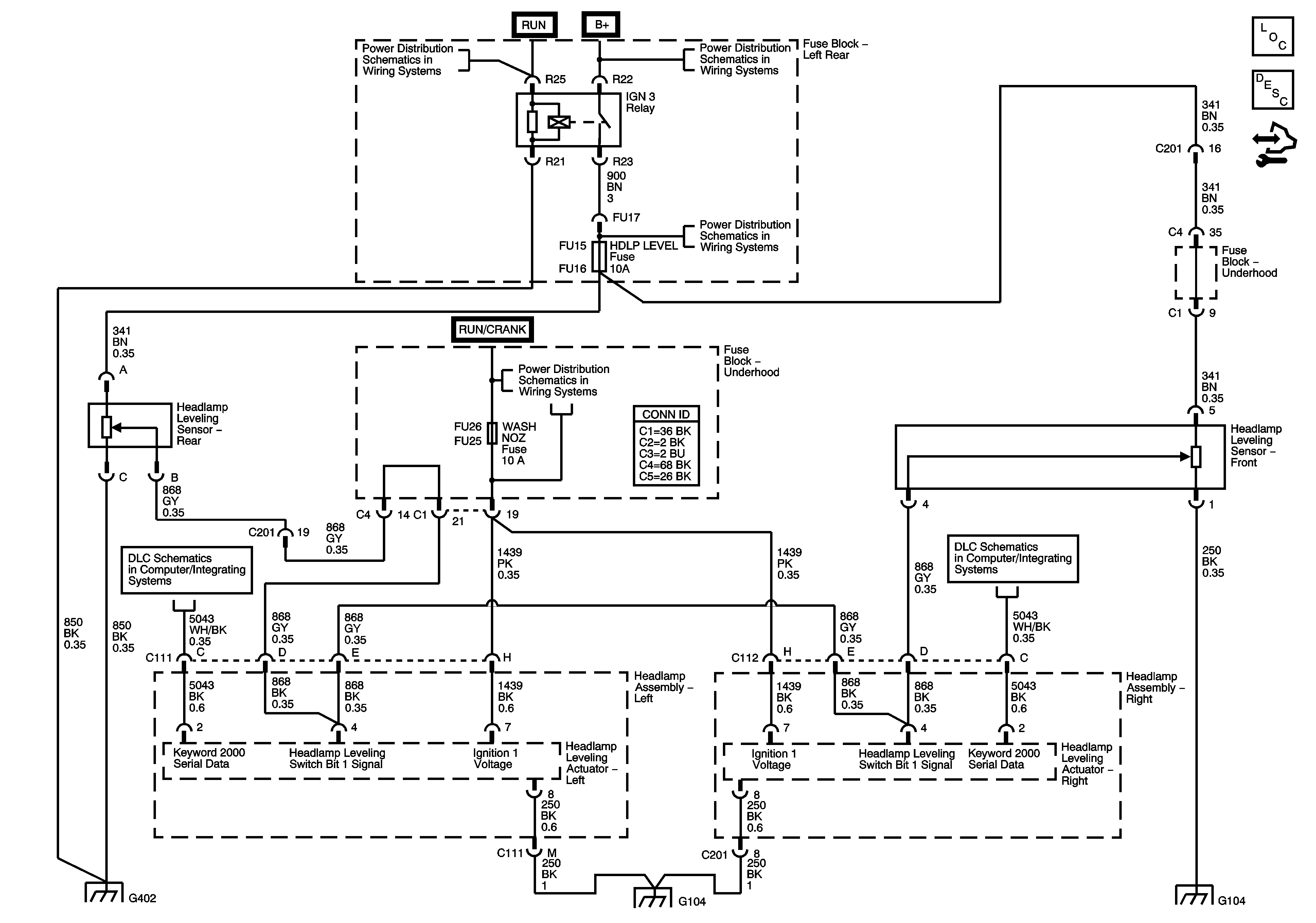
🢒 Headlight Leveling Schematics
Master Electrical Component List
Exterior Lighting Systems Description and Operation
Control Module References
IGN SW Fuse and Ignition Switch - 1 of 2
Fuse Block - Left Rear B+ Bus
AIR BAG, CCP (RUN), EBCM (RUN), HDLP LEVELING, IGN 1, and IGN 3 Fuses
ABS, STARTER RLY, STRG CTLS, TCM/IPC, and WASH NOZ Fuses
Power, Ground, GMLAN and Key Word 2000 Serial Data
G402 - 1 of 2
G104
G104