GM Service Manual Online
For 1990-2009 cars only
Makes
🢒
Cadillac
🢒
2005
🢒
SRX
🢒
Body
🢒
Seats
🢒 Passenger Seat Schematics
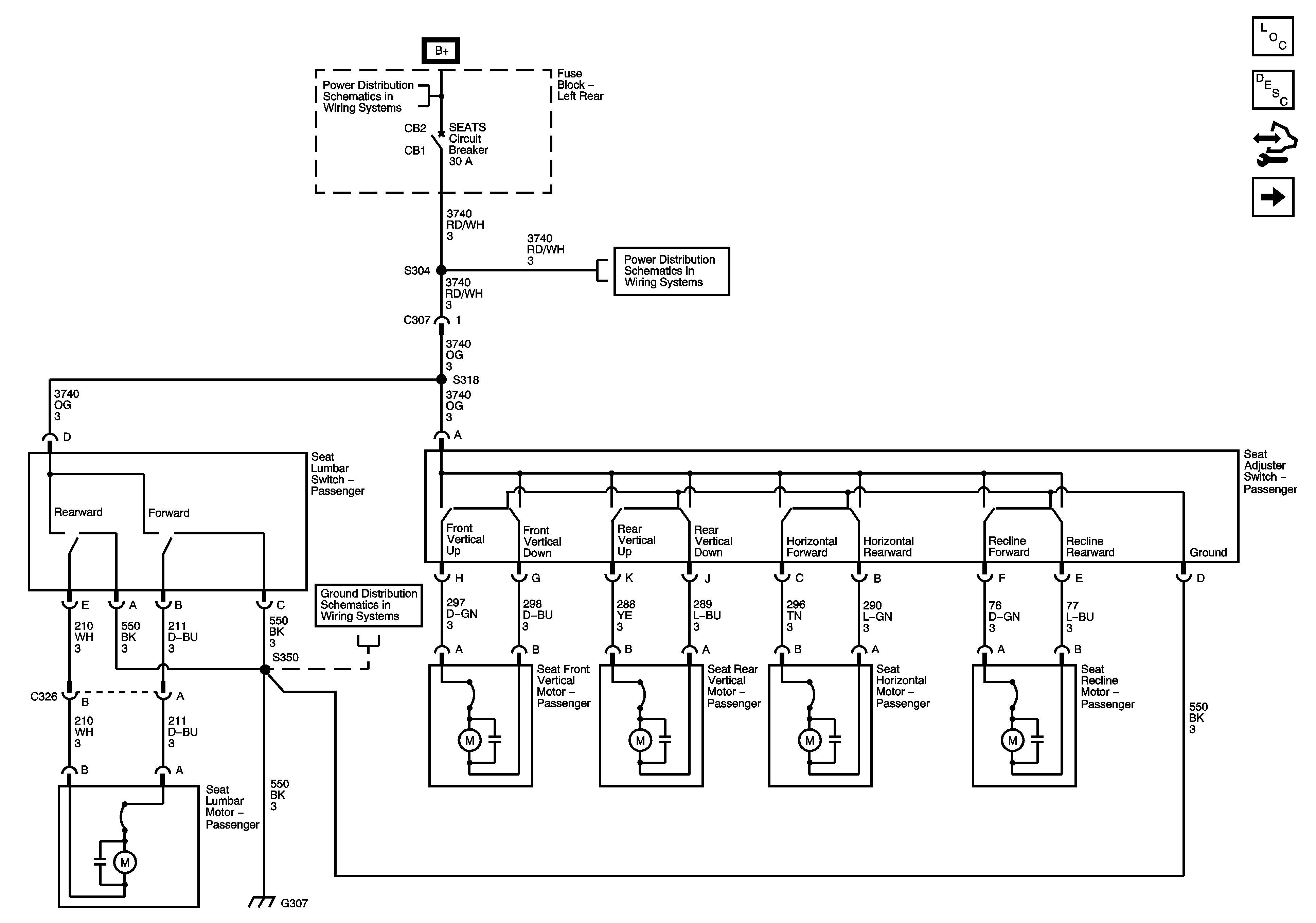
Figure
1:
Power Seat
Master Electrical Component List
Power Seats System Description and Operation Front Seat
Control Module References
Heated Seat
Fuse Block - Left Rear B+ Bus
FFSM, FFS SW, and THEFT Fuses and SEAT Circuit Breaker
G307
G307
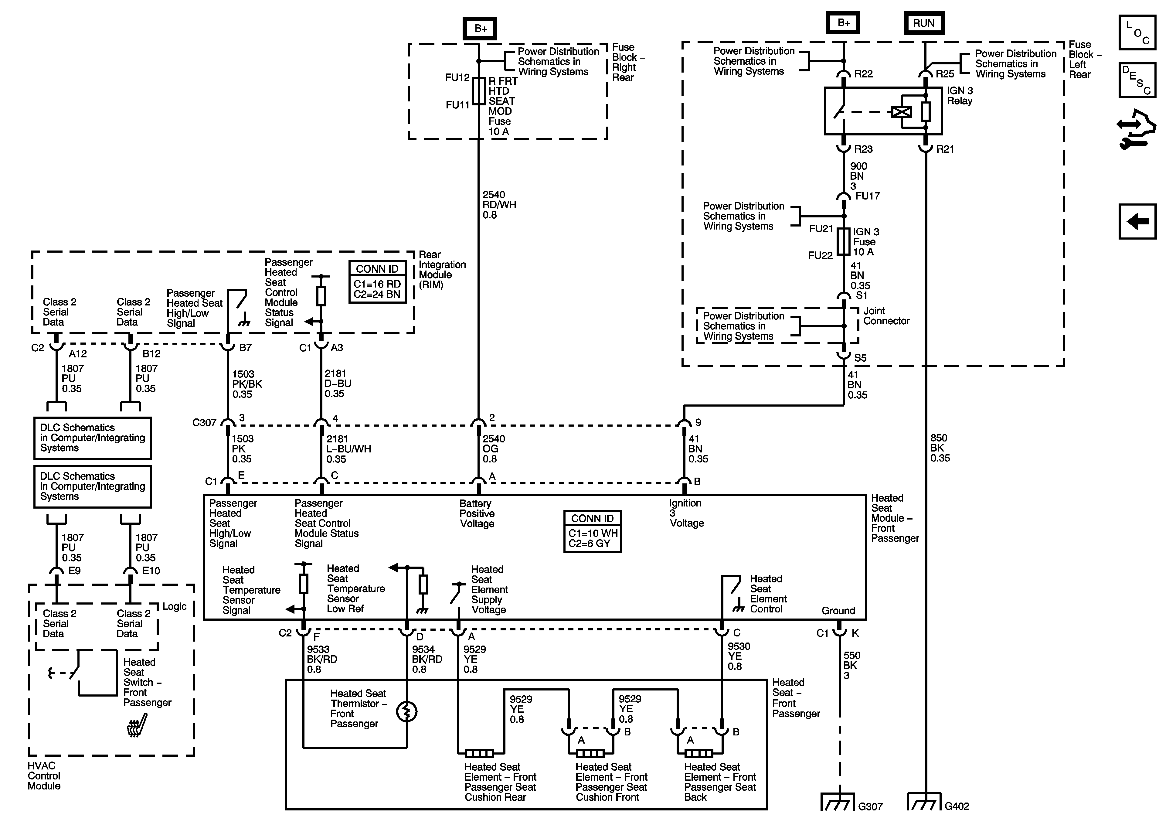
Figure
2:
Heated Seat (KA1)
Master Electrical Component List
Heated Seats Description and Operation
Control Module References
Power Seat
Fuse Block - Right Rear B+ Bus
Fuse Block - Left Rear B+ Bus
IGN SW Fuse and Ignition Switch - 1 of 2
AIR BAG, CCP (RUN), EBCM (RUN), HDLP LEVELING, IGN 1, and IGN 3 Fuses
AIR BAG, CCP (RUN), EBCM (RUN), HDLP LEVELING, IGN 1, and IGN 3 Fuses
Class 2 Serial Data - 2 of 2
Class 2 Serial Data - 1 of 2
G307
G402 - 1 of 2