GM Service Manual Online
For 1990-2009 cars only
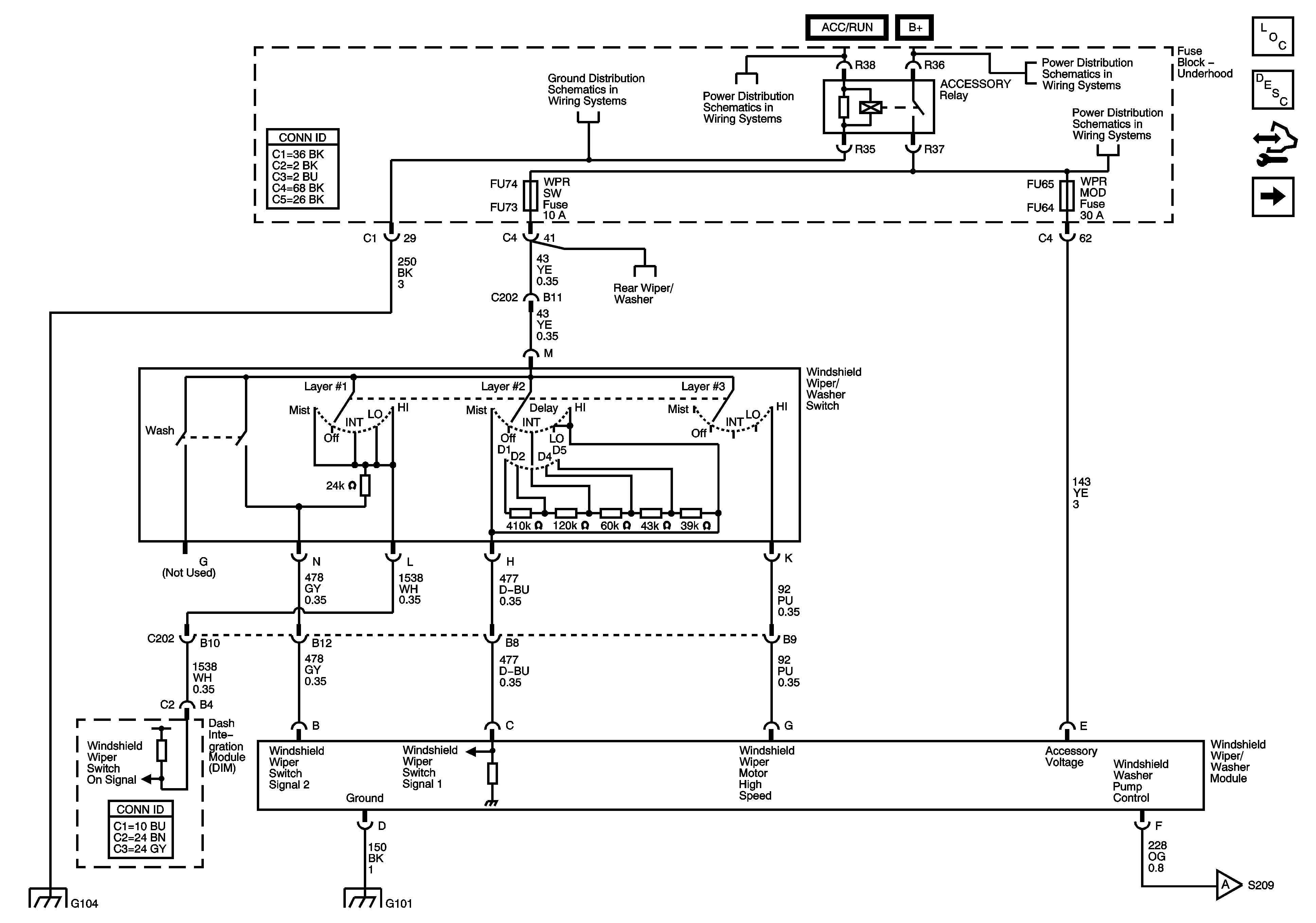
Figure 1:

Front Wiper/Washer Controls


Object Number: 1448648  Size: FS
Master Electrical Component List
Wiper/Washer System Description and Operation
Control Module References
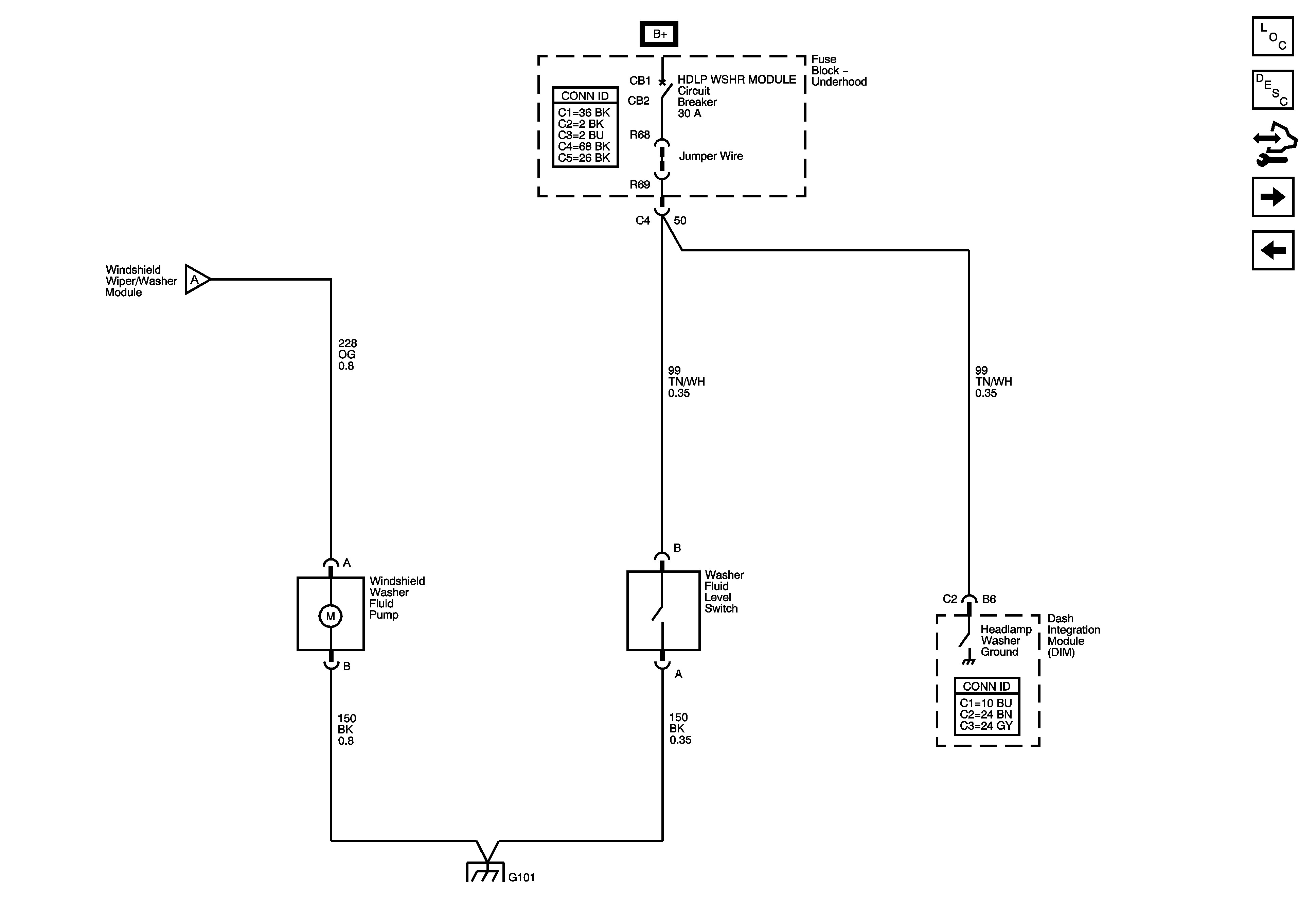
Front Washer (CE4)
G104
RIM and THEFT Fuses and Ignition Switch - 2 of 2
Fuse Block - Underhood B+ Bus Schematic
POWER SOUNDER, RIM, RT FRT DR MOD, SUSPNTN, and VICS/RAP Fuses
Rear Wiper/Washer
G104
G101
Front Washer (CE4)
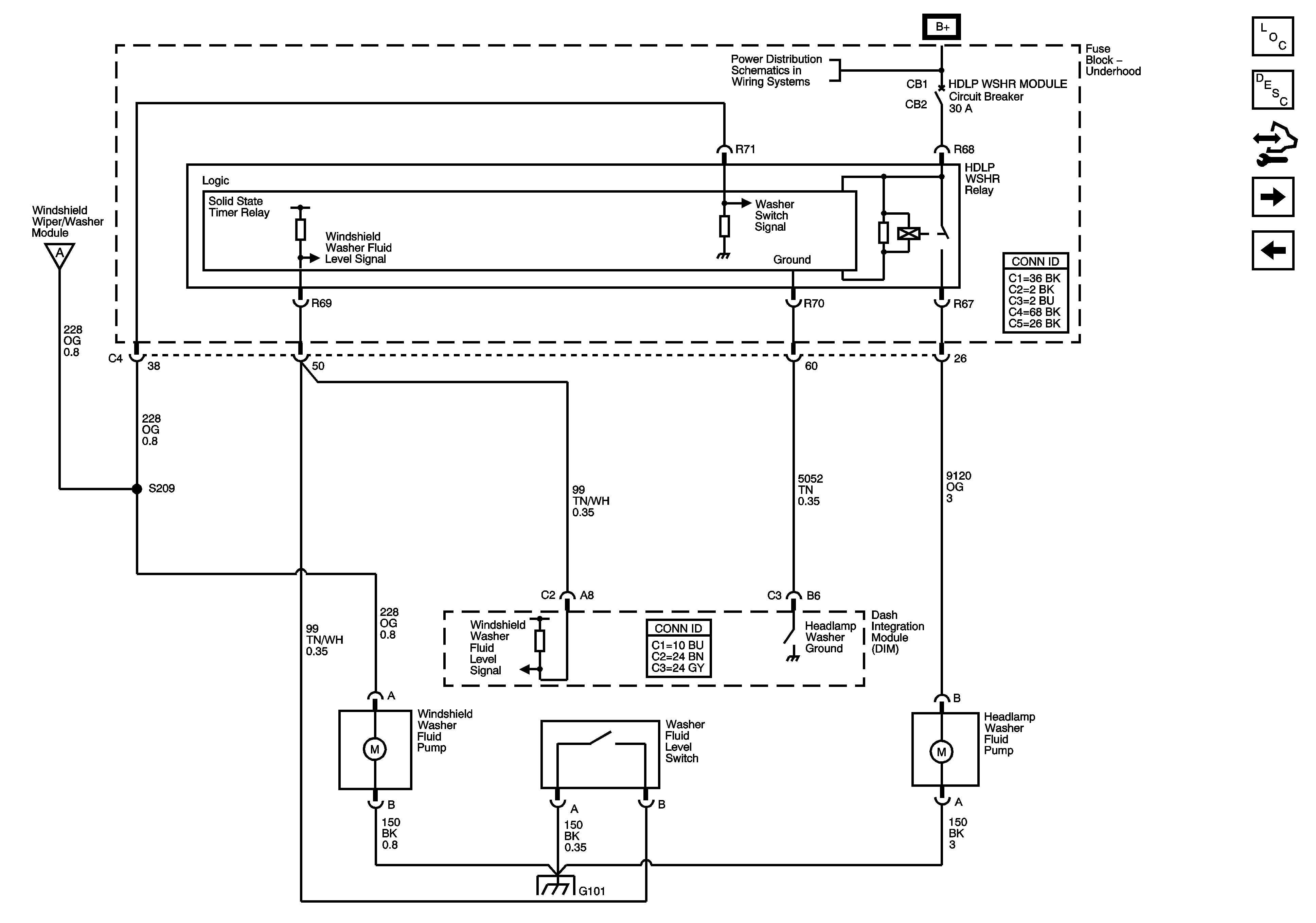
Figure 2:

Front Washer (CE4)


Object Number: 1448649  Size: FS
Master Electrical Component List
Wiper/Washer System Description and Operation
Control Module References
Front Wiper (w/o CE4)
Front Wiper/Washer Controls
Front Wiper/Washer Controls
Fuse Block - Right Rear B+ Bus
G101
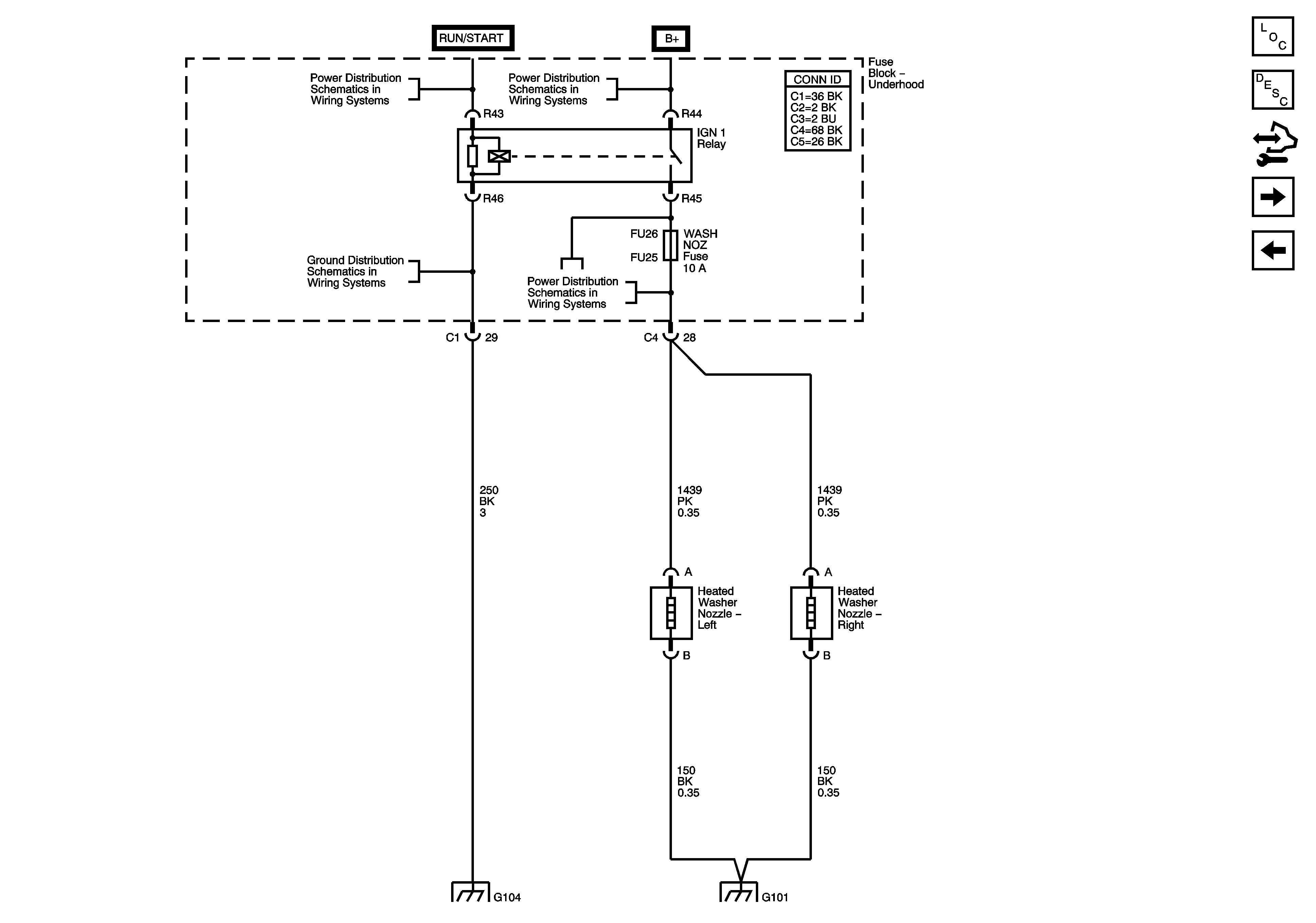
Figure 3:

Front Washer (w/o CE4)


Object Number: 1448650  Size: FS
Master Electrical Component List
Wiper/Washer System Description and Operation
Control Module References
Heated Washer Nozzles (XA7)
Front Washer (CE4)
Front Wiper/Washer Controls
G101
Figure 4:

Heated Washer Nozzles (XA7)


Object Number: 1448651  Size: FS
Master Electrical Component List
Wiper/Washer System Description and Operation
Control Module References
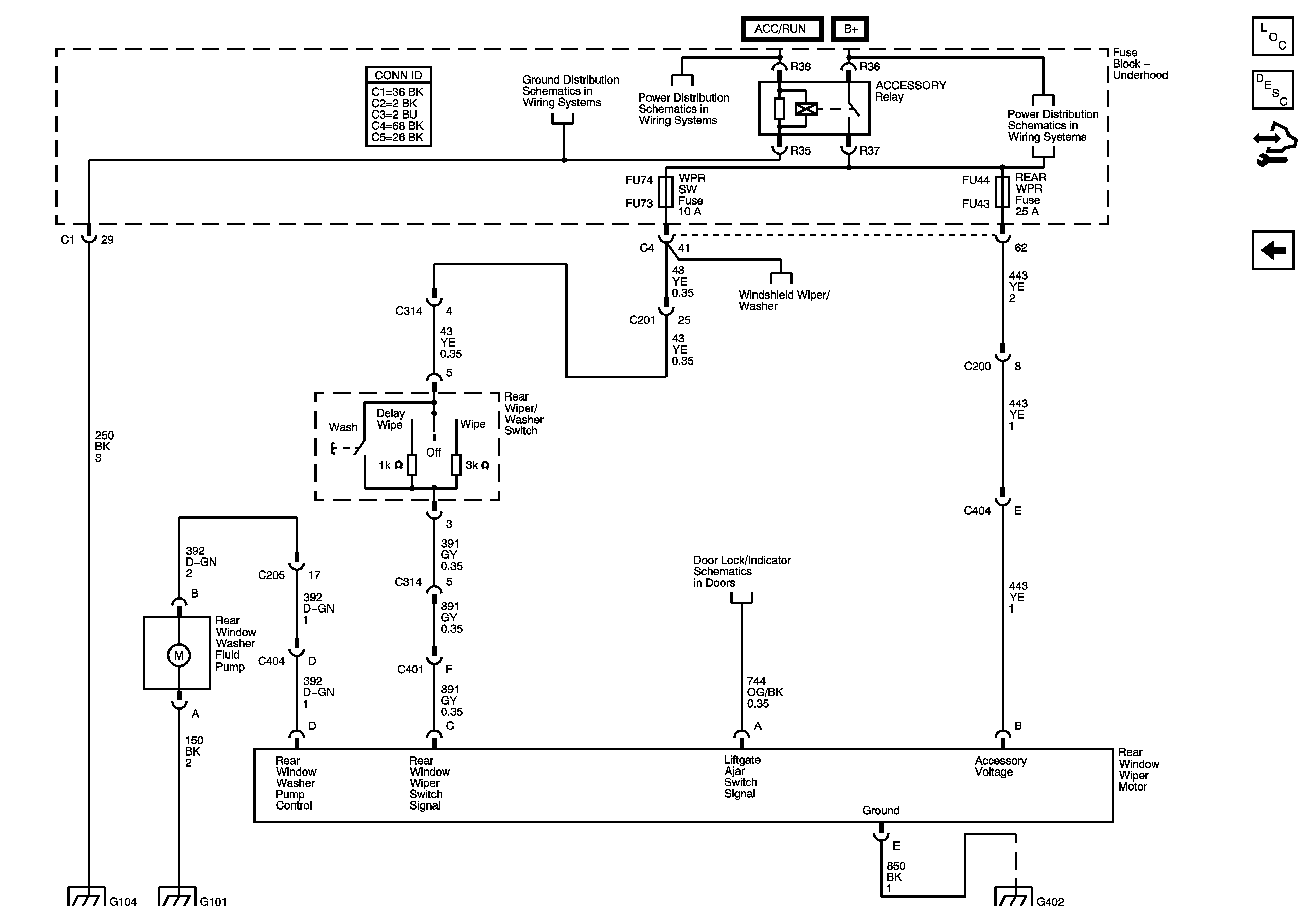
Rear Wiper/Washer
Front Wiper (w/o CE4)
RIM and THEFT Fuses and Ignition Switch - 2 of 2
Fuse Block - Underhood B+ Bus Schematic
G104
ABS, STARTER RLY, STRG CTLS, TCM/IPC, and WASH NOZ Fuses
G104
G101
Figure 5:

Rear Wiper/Washer


Object Number: 1448652  Size: FS
Master Electrical Component List
Rear Wiper/Washer System Description and Operation
Control Module References
Heated Washer Nozzles (XA7)
G104
RIM and THEFT Fuses and Ignition Switch - 2 of 2
POWER SOUNDER, RIM, RT FRT DR MOD, SUSPNTN, and VICS/RAP Fuses
Front Wiper/Washer Controls
Liftgate Door Lock
G104
G101
G402 - 2 of 2