GM Service Manual Online
For 1990-2009 cars only
Makes
🢒
Cadillac
🢒
2005
🢒
SRX
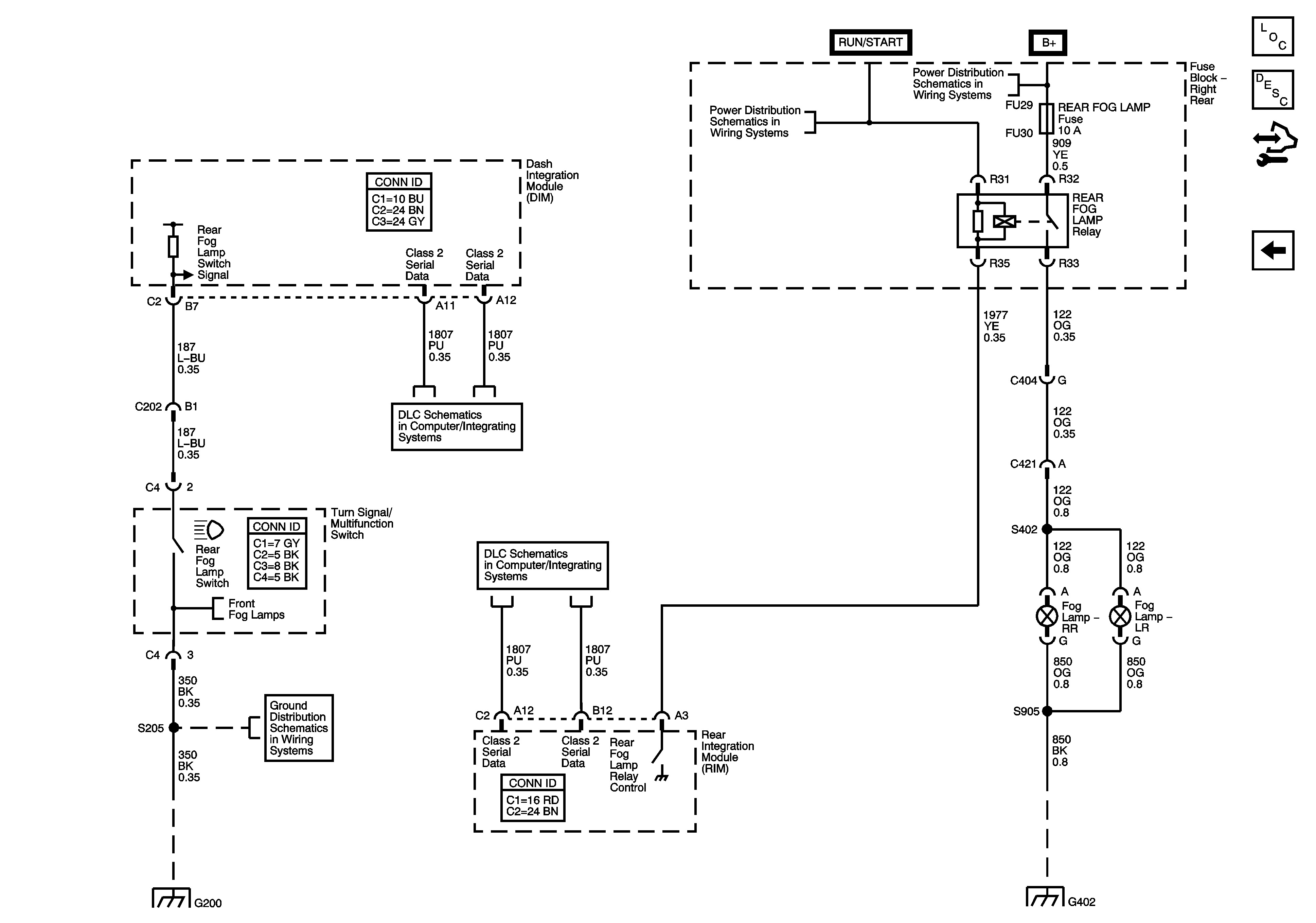
🢒 Rear Fog Lamps
Rear Fog Lamps
Rear Fog Lamps (T79)
Master Electrical Component List
Exterior Lighting Systems Description and Operation
Control Module References
Front Fog Lamps
Fuse Block - Right Rear B+ Bus
RIM and THEFT Fuses and Ignition Switch - 2 of 2
Class 2 Serial Data - 1 of 2
Class 2 Serial Data - 2 of 2
Front Fog Lamps
G200
G200
G402 - 2 of 2