GM Service Manual Online
For 1990-2009 cars only
Makes
🢒
Cadillac
🢒
2006
🢒
SRX
🢒
Body
🢒
Lighting Systems
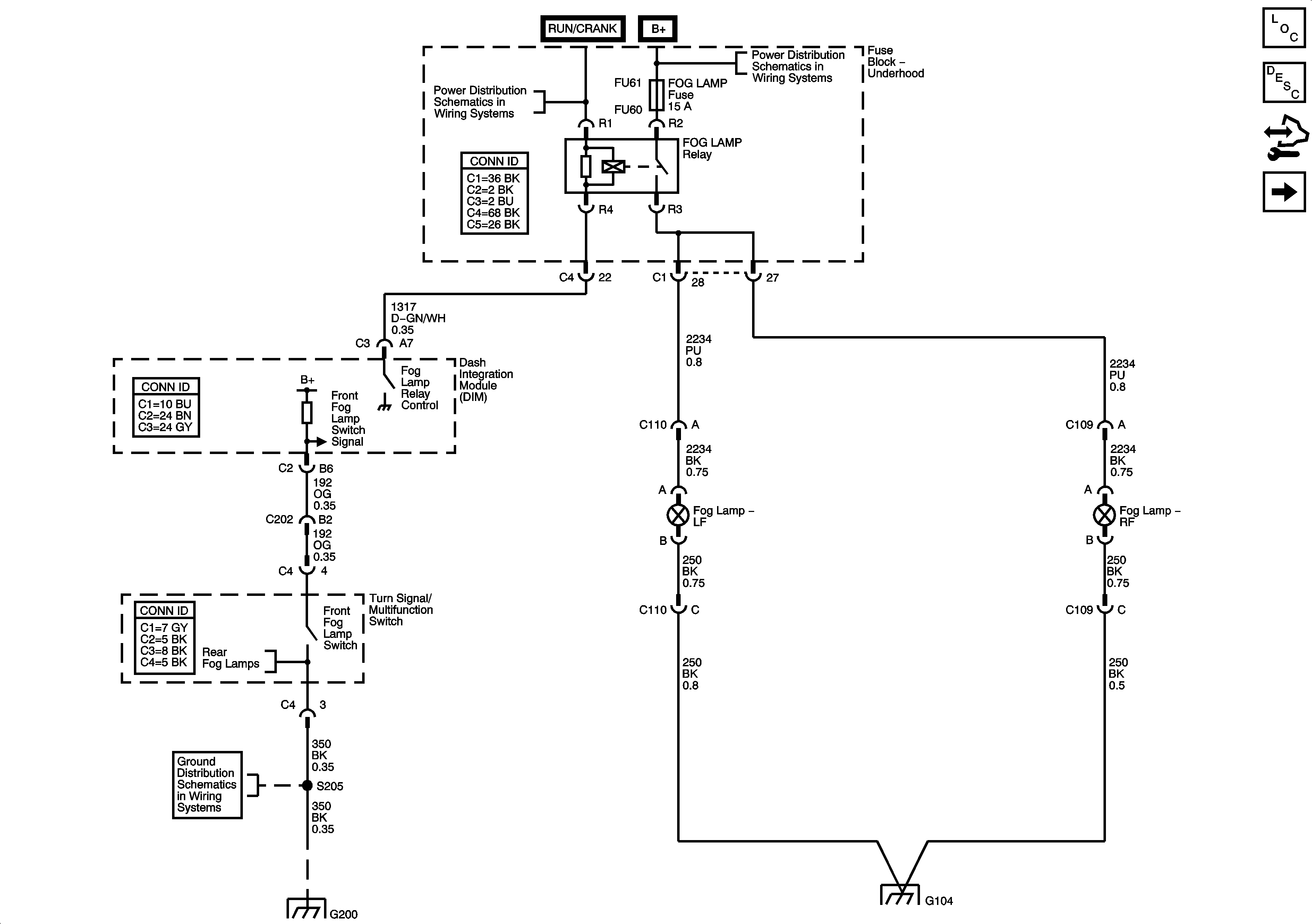
🢒 Fog Lights Schematics
Figure
1:
Front Fog Lamps
Master Electrical Component List
Exterior Lighting Systems Description and Operation
Control Module References
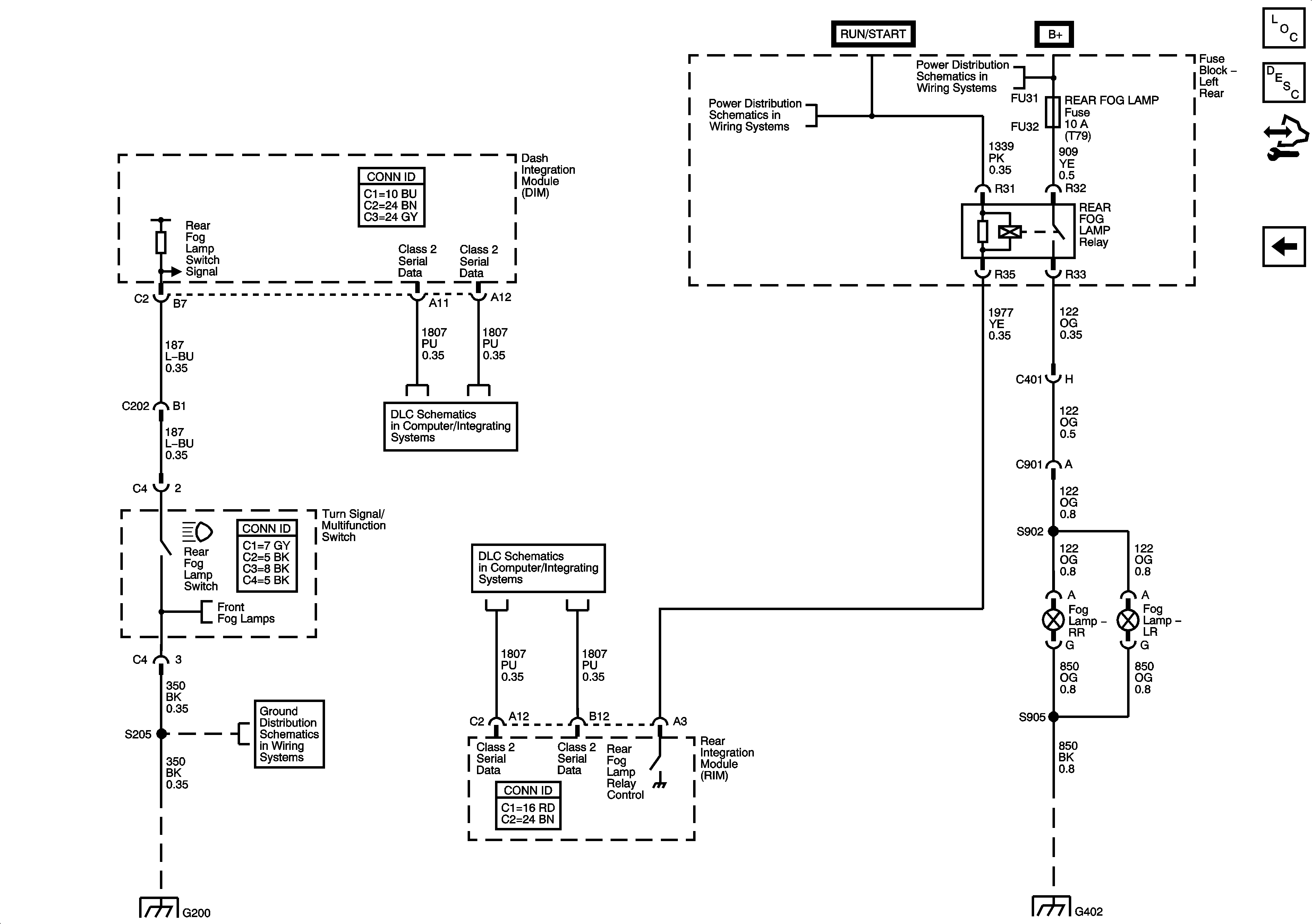
Rear Fog Lamps
RIM and THEFT Fuses and Ignition Switch 2 of 2
Fuse Block Underhood B+ Bus
G200
G200
G104
Figure
2:
Rear Fog Lamps
Master Electrical Component List
Exterior Lighting Systems Description and Operation
Control Module References
Front Fog Lamps
RIM and THEFT Fuses and Ignition Switch 2 of 2
Fuse Block Right Rear B+ Bus
Class 2 Serial Data 1 of 2
Class 2 Serial Data 2 of 2
G200
G200
G402 2 of 2