GM Service Manual Online
For 1990-2009 cars only
Figure 1:

Front Wiper/Washer Controls


Object Number: 1615440  Size: FS
Master Electrical Component List
Wiper/Washer System Description and Operation
Control Module References
Front Washer (CE4)
G104
RIM and THEFT Fuses and Ignition Switch 2 of 2
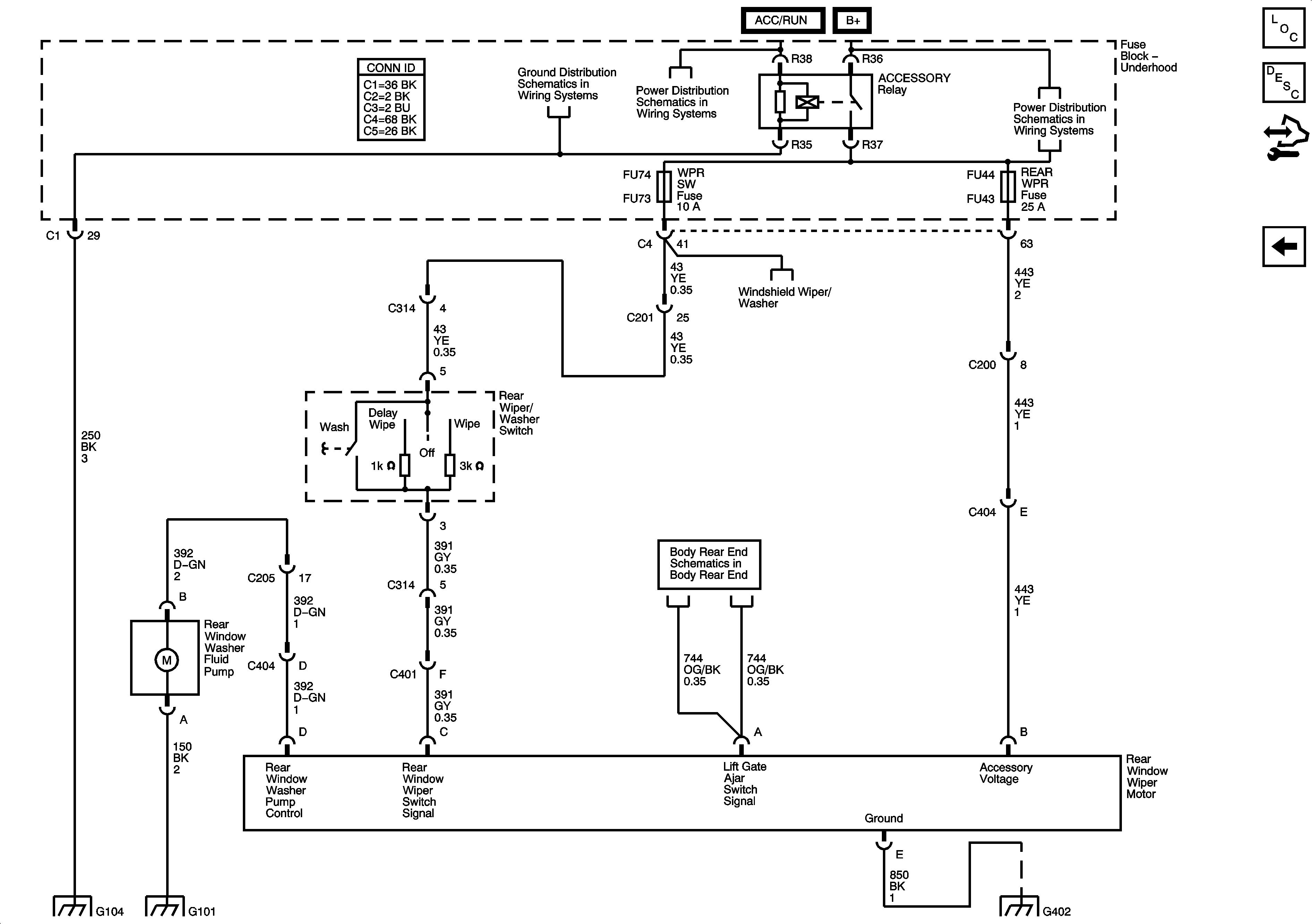
Rear Wiper/Washer
Fuse Block Underhood B+ Bus
06 ESUV-HFVG, PRE 02/CAM, and V8 ECM Fuses
G104
G101
Front Washer (CE4)
Figure 2:

Front Washer (CE4)


Object Number: 1615443  Size: FS
Master Electrical Component List
Wiper/Washer System Description and Operation
Control Module References
Front Wiper (w/o CE4)
Front Wiper/Washer Controls
Front Wiper/Washer Controls
Fuse Block Right Rear B+ Bus
G101
Figure 3:

Front Washer (w/o CE4)


Object Number: 1615445  Size: FS
Master Electrical Component List
Wiper/Washer System Description and Operation
Control Module References
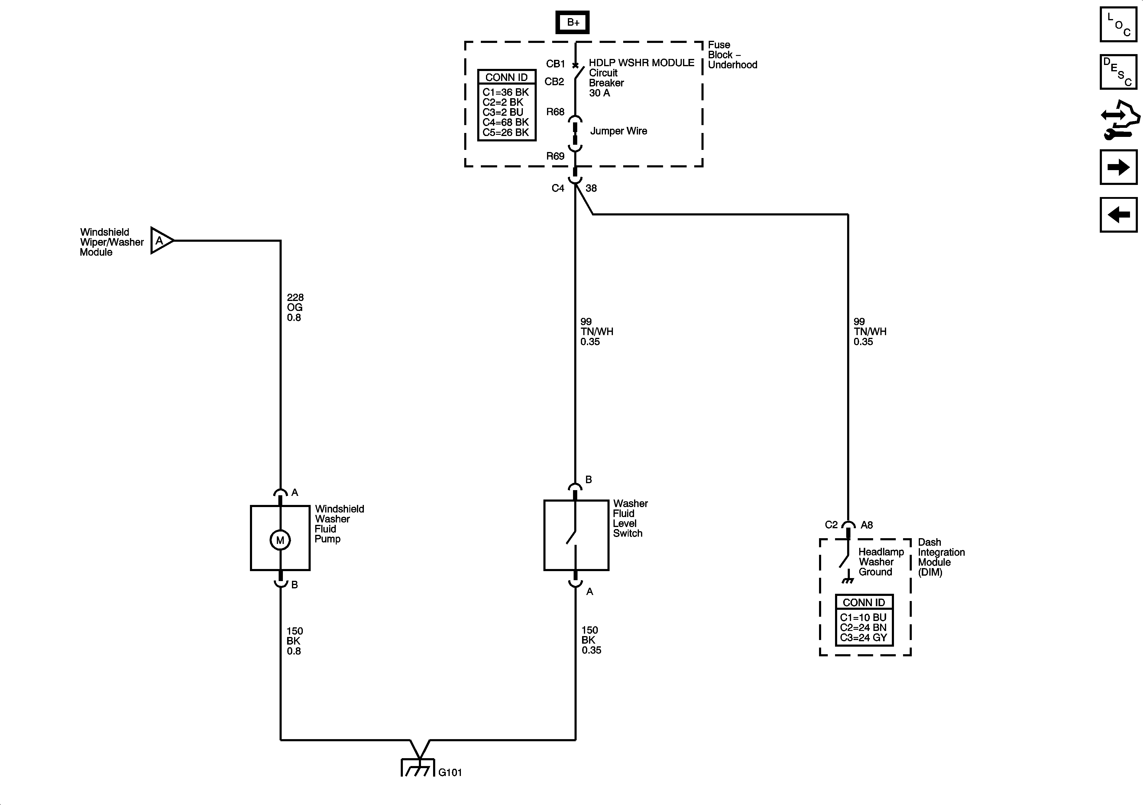
Heated Washer Nozzles (XA7)
Front Washer (CE4)
Front Wiper/Washer Controls
G101
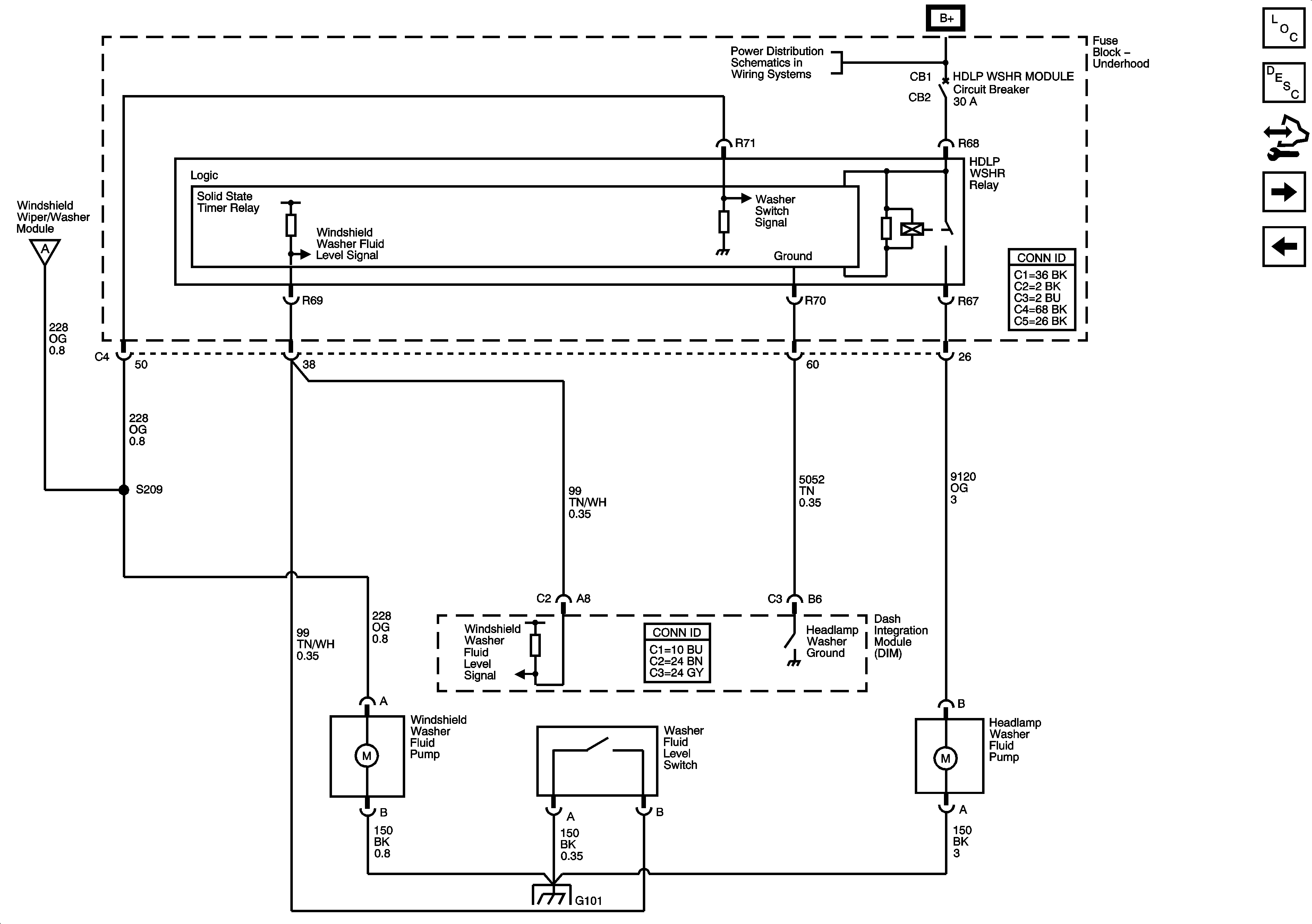
Figure 4:

Heated Washer Nozzles (XA7)


Object Number: 1615447  Size: FS
Master Electrical Component List
Wiper/Washer System Description and Operation
Control Module References
Rear Wiper/Washer
Front Wiper (w/o CE4)
RIM and THEFT Fuses and Ignition Switch 2 of 2
G104
Fuse Block Underhood B+ Bus
ABS, STARTER RLY, STRG CTLS, TCM/IPC, AND WASH NOZ FUSES
G104
G101
Figure 5:

Rear Wiper/Washer


Object Number: 1615449  Size: FS
Master Electrical Component List
Rear Wiper/Washer System Description and Operation
Control Module References
Heated Washer Nozzles (XA7)
G104
RIM and THEFT Fuses and Ignition Switch 2 of 2
06 ESUV-HFVG, PRE 02/CAM, and V8 ECM Fuses
Front Wiper/Washer Controls
Power, Ground, DLC, and Controls
G104
G101
G402 2 of 2