GM Service Manual Online
For 1990-2009 cars only
Figure 1:

G102, G105, G107, G108, G109 and G110


Object Number: 1615547  Size: FS
Master Electrical Component List
Control Module References
G111, 112 ,113, 114, 306
Figure 2:

G111, G112, G113, G114 and G306


Object Number: 1615554  Size: FS
Master Electrical Component List
Control Module References
0G100-LH2
G102, 105, 107, 108, 109, 110
Figure 3:

G100 - LH2


Object Number: 1615559  Size: FS
Master Electrical Component List
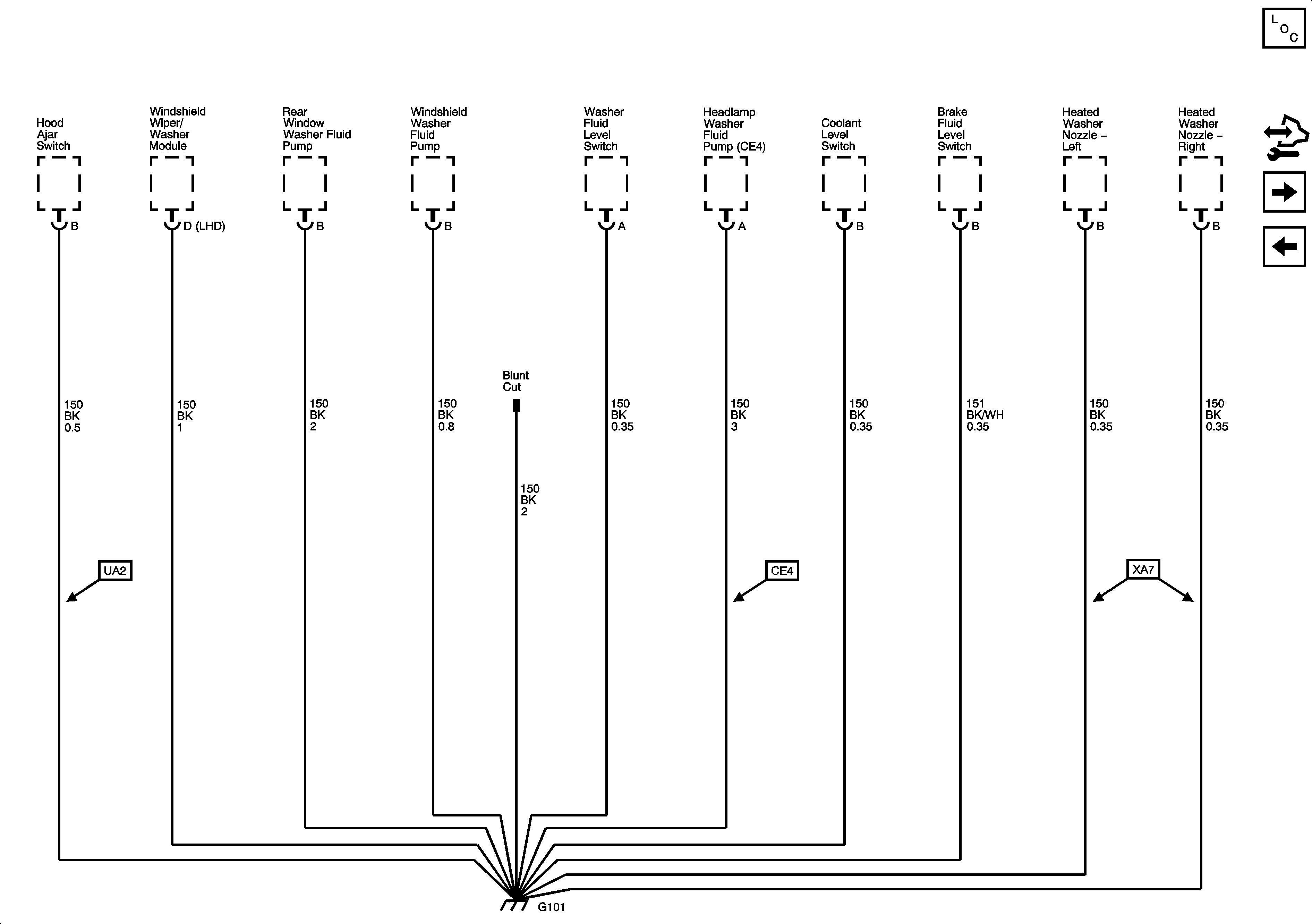
Control Module References
G101
G111, 112 ,113, 114, 306
Figure 4:

G101


Object Number: 1615563  Size: FS
Master Electrical Component List
Control Module References
G104
0G100-LH2
Figure 5:

G104


Object Number: 1615565  Size: FS
Master Electrical Component List
Control Module References
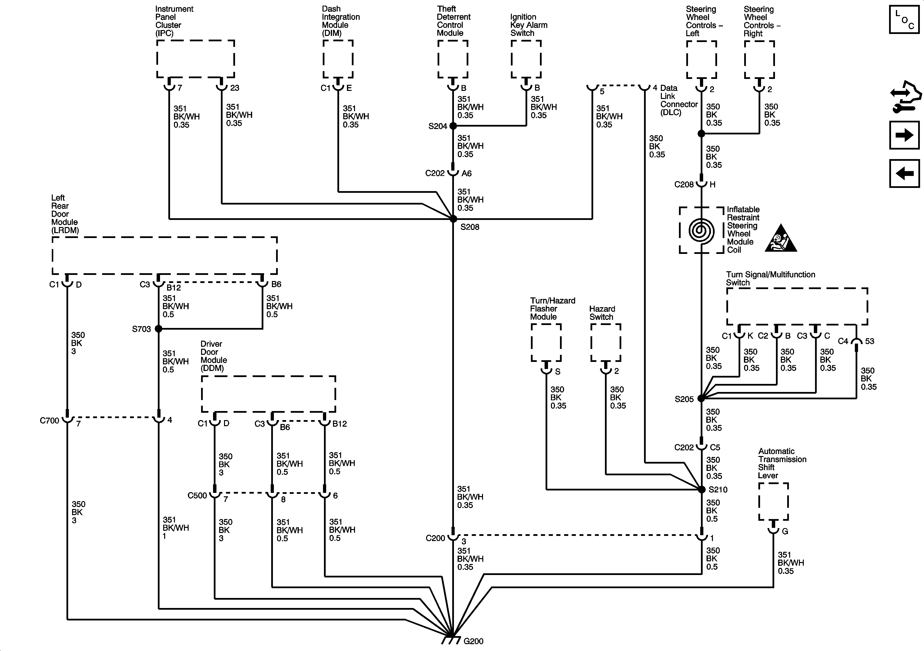
G200
G101
Figure 6:

G200


Object Number: 1615568  Size: FS
Master Electrical Component List
Control Module References
G201
G104
Figure 7:

G201


Object Number: 1615570  Size: FS
Master Electrical Component List
Control Module References
G307
G200
Figure 8:

G307


Object Number: 1615573  Size: FS
Master Electrical Component List
Control Module References
G401 1 of 2
G201
Figure 9:

G401 1 of 2


Object Number: 1615576  Size: FS
Master Electrical Component List
Control Module References
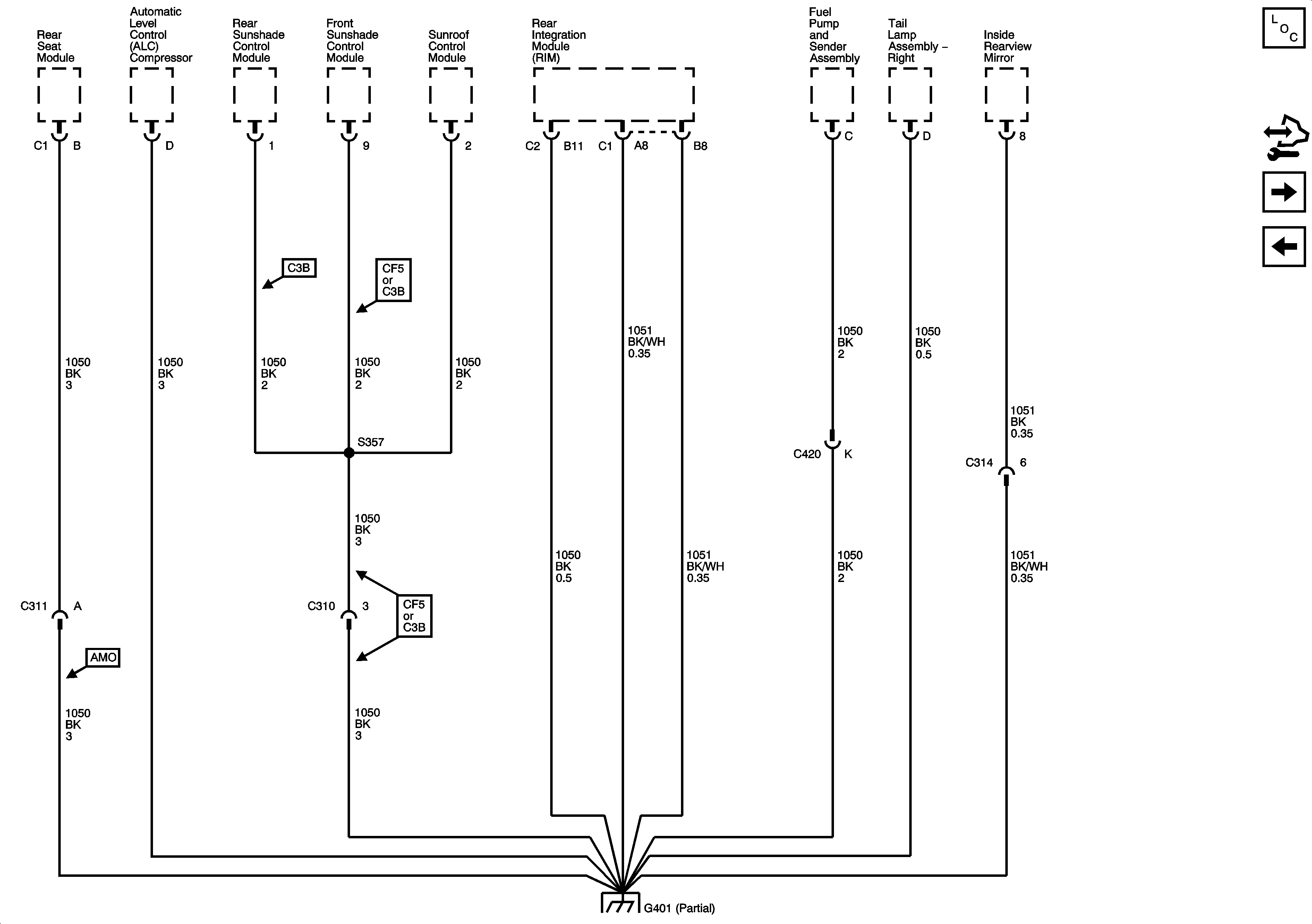
G401 2 of 2
G307
G401 2 of 2
Figure 10:

G401 2 of 2


Object Number: 1615578  Size: FS
Master Electrical Component List
Control Module References
G402 1 of 2
G401 1 of 2
G401 1 of 2
Figure 11:

G402 1 of 2


Object Number: 1615581  Size: FS
Master Electrical Component List
Control Module References
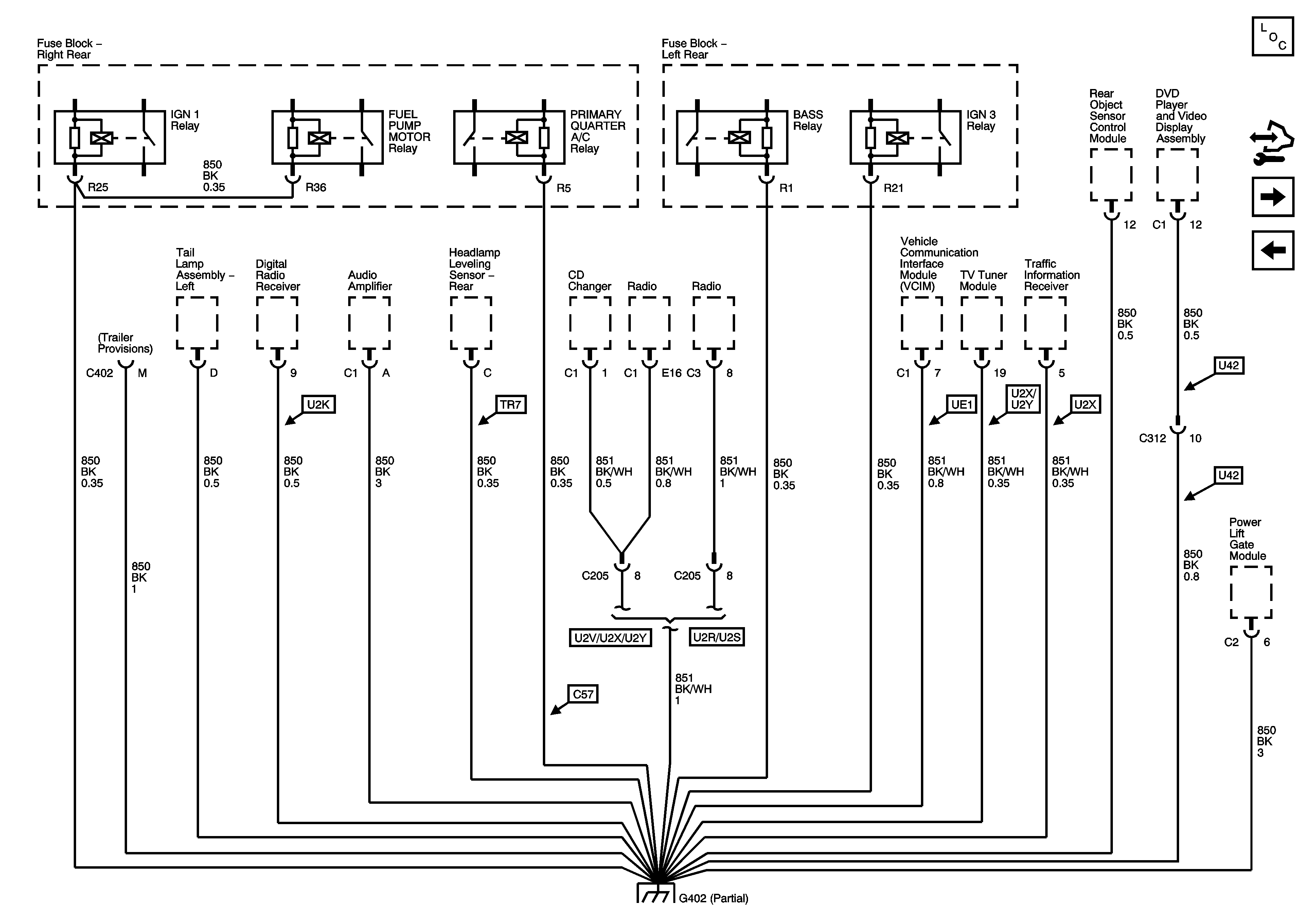
G402 2 of 2
G401 2 of 2
G402 2 of 2
Figure 12:

G402 2 of 2


Object Number: 1615585  Size: FS
Master Electrical Component List
Control Module References
G402 1 of 2
G402 1 of 2