GM Service Manual Online
For 1990-2009 cars only

Removal Procedure

  1. Remove the instrument panel (I/P) retainer. Refer to Instrument Panel Retainer Replacement in Instrument Panel, Gages, and Console.

  2. Object Number: 760779  Size: SH
  3. Remove the dash insulator (1).

  4. Object Number: 756529  Size: SH
  5. Disconnect the wiring harness from the air duct (1).

  6. Object Number: 760770  Size: SH
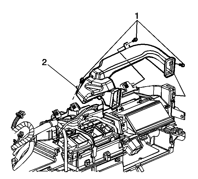
  7. Remove the screws (1) that retain the air duct (2).
  8. Remove the right air duct (2), by releasing the tabs from the module.

Installation Procedure


    Object Number: 760770  Size: SH
  1. Install the right air duct (2), by pressing down until you hear the tabs engage on the HVAC module .
  2. Notice: Use the correct fastener in the correct location. Replacement fasteners must be the correct part number for that application. Fasteners requiring replacement or fasteners requiring the use of thread locking compound or sealant are identified in the service procedure. Do not use paints, lubricants, or corrosion inhibitors on fasteners or fastener joint surfaces unless specified. These coatings affect fastener torque and joint clamping force and may damage the fastener. Use the correct tightening sequence and specifications when installing fasteners in order to avoid damage to parts and systems.

  3. Install the right air duct screws (1).
  4. Tighten
    Tighten the screws to 2 N·m (18 lb in).


    Object Number: 756529  Size: SH
  5. Connect the wiring harness to the air duct (1).

  6. Object Number: 760779  Size: SH
  7. Install the dash insulator (1).
  8. Install the I/P retainer. Refer to Instrument Panel Retainer Replacement in Instrument Panel, Gages, and Console.