GM Service Manual Online
For 1990-2009 cars only
Makes
🢒
Cadillac
🢒
2006
🢒
SRX
🢒 Charging System
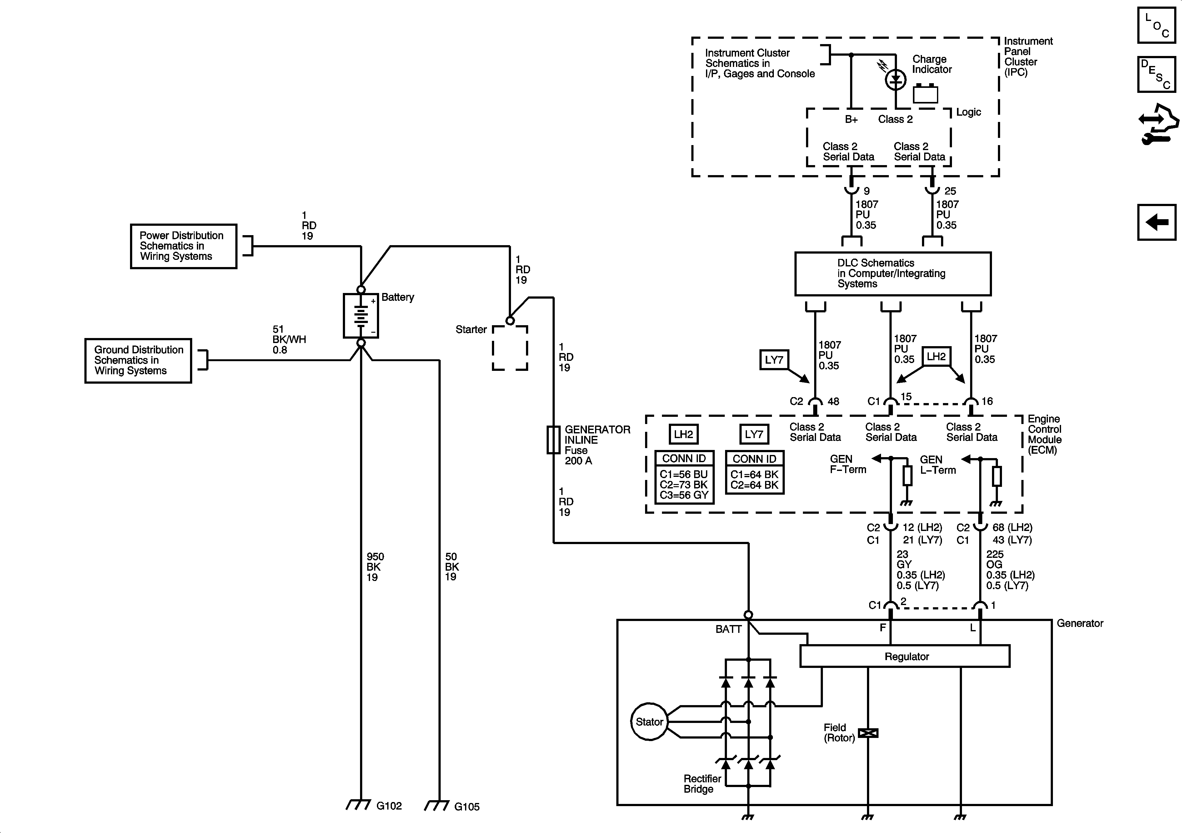
Charging System
Charging System
Master Electrical Component List
Charging System Description and Operation
Control Module References
Starting System
Fuse Block Underhood B+ Bus
G102, 105, 107, 108, 109, 110
Indicators
Class 2 Serial Data 1 of 2