GM Service Manual Online
For 1990-2009 cars only
Makes
🢒
Cadillac
🢒
2006
🢒
SRX
🢒 Sensors and Solenoids
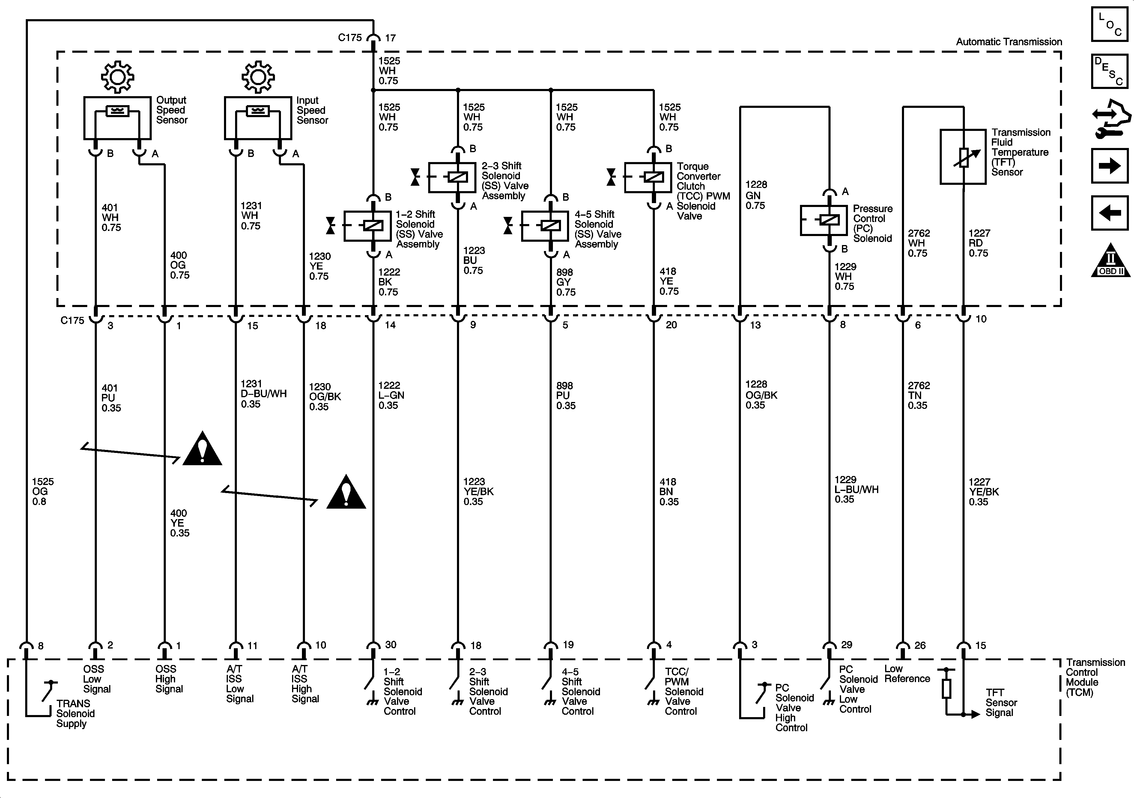
Sensors and Solenoids
Sensors and Solenoids
Master Electrical Component List
Electronic Component Description
Control Module References
Shift Lever
Power, Ground, Serial Data and Switches
Automatic Transmission Schematic Icons
Automatic Transmission Schematic Icons
Automatic Transmission Schematic Icons