GM Service Manual Online
For 1990-2009 cars only
Makes
🢒
Cadillac
🢒
2006
🢒
SRX
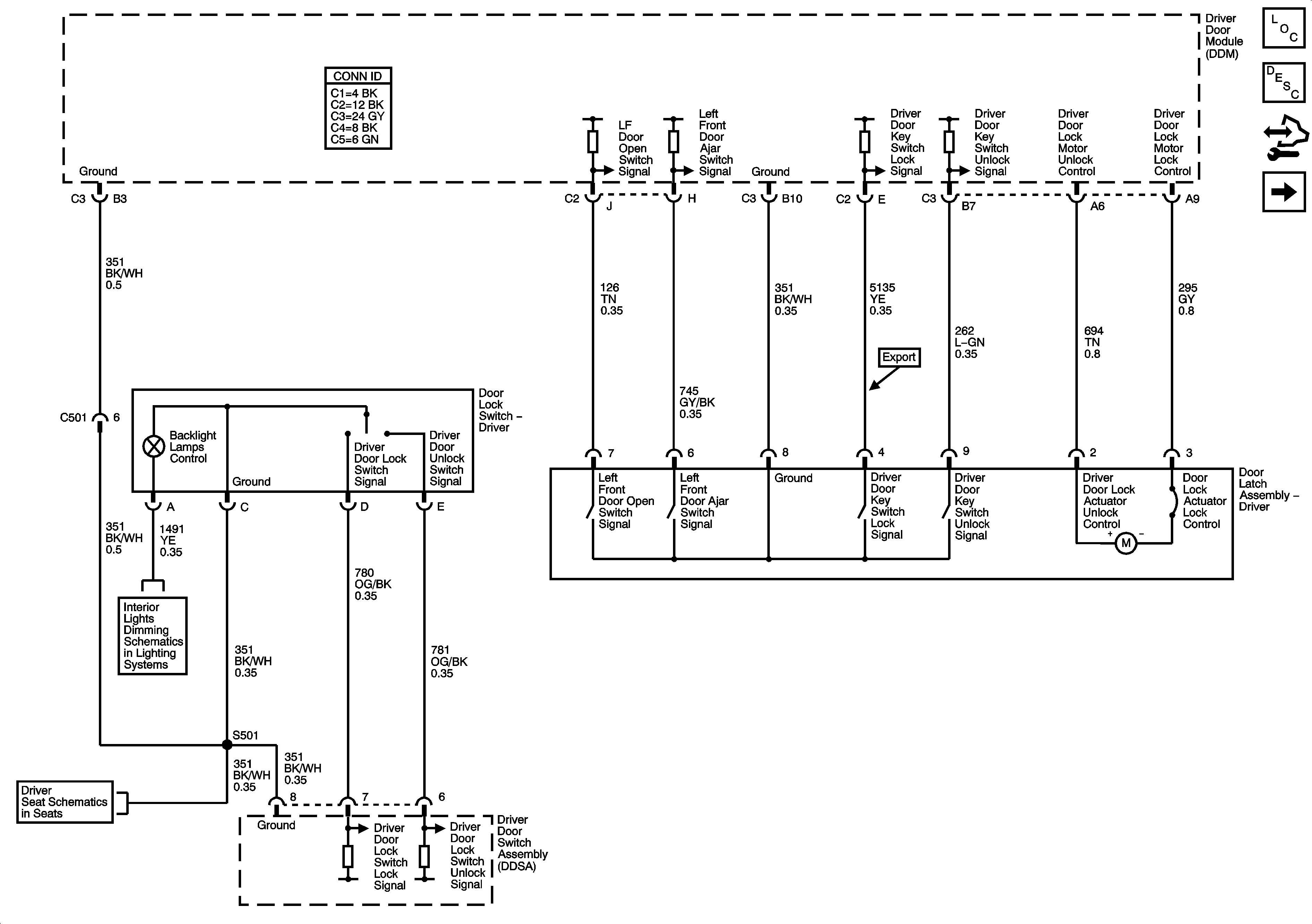
🢒 Driver Door Lock Schematics
Driver Door Lock Schematics
Driver Door Lock
Master Electrical Component List
Power Door Locks Description and Operation
Control Module References
Front Passenger Door Lock
Dimming Lamps 2 of 2
Memory Seat Controls (A45)