GM Service Manual Online
For 1990-2009 cars only
Makes
🢒
Cadillac
🢒
2006
🢒
SRX
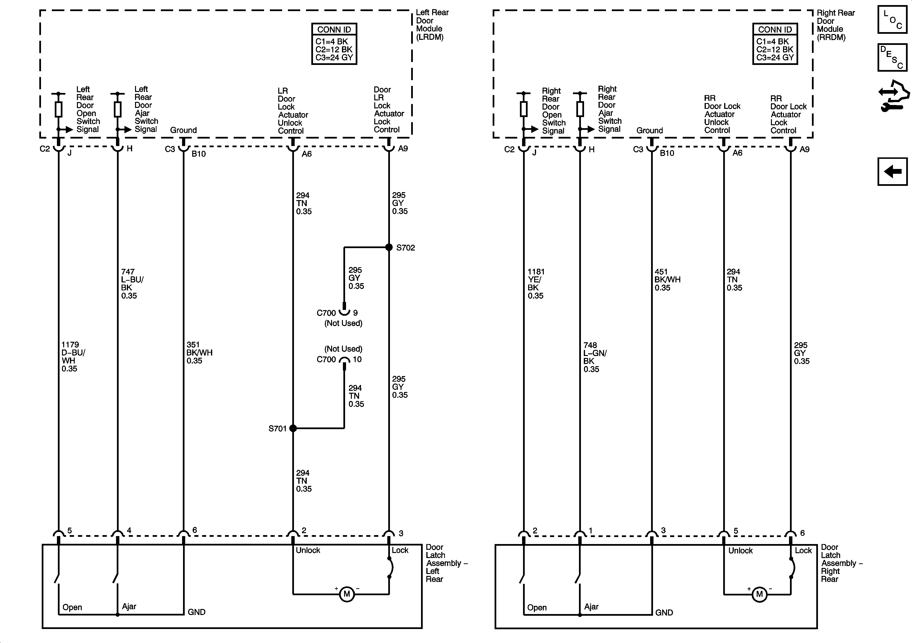
🢒 Left Rear and Right Rear Door Lock
Left Rear and Right Rear Door Lock
Left Rear and Right Rear Door Lock
Master Electrical Component List
Power Door Locks Description and Operation
Control Module References
Front Passenger Door Lock