GM Service Manual Online
For 1990-2009 cars only
Makes
🢒
Cadillac
🢒
2006
🢒
SRX
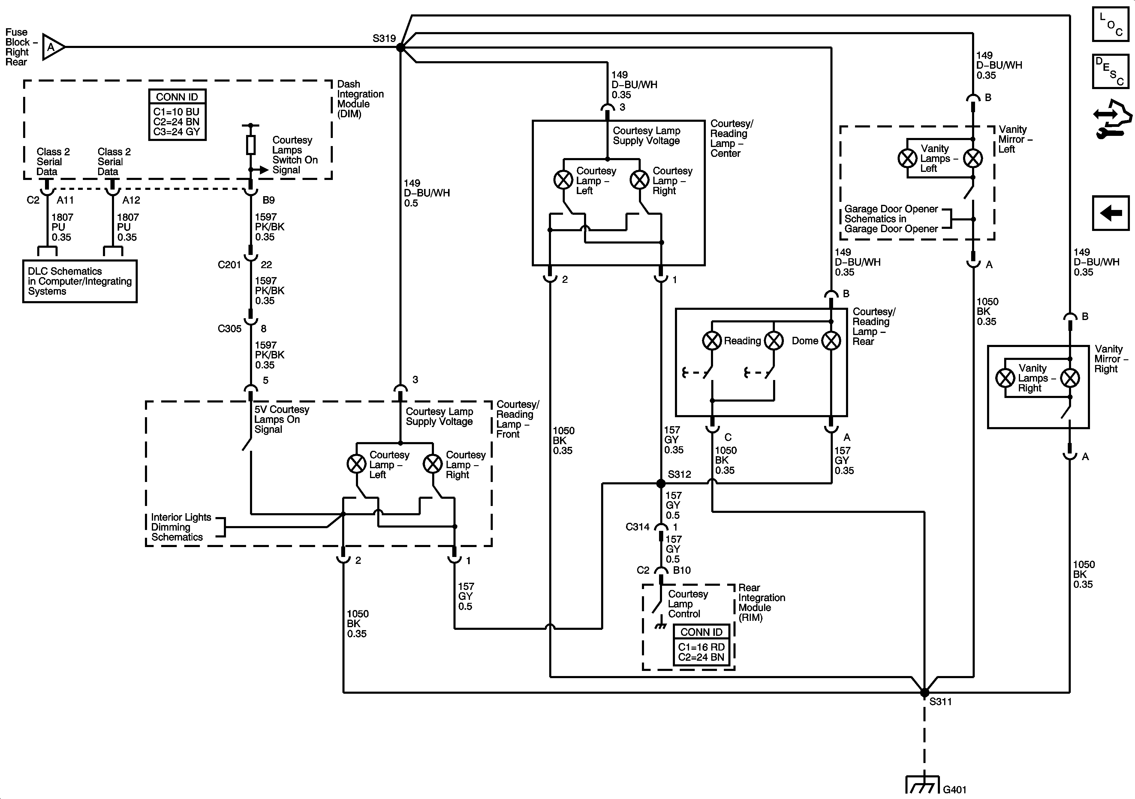
🢒 Courtesy/Reading Lamps
Courtesy/Reading Lamps
Courtesy/Reading Lamps
Master Electrical Component List
Interior Lighting Systems Description and Operation
Control Module References
Courtesy Lamps
Courtesy Lamps
Class 2 Serial Data 1 of 2
Interior Lamps Dimming Controls
G401 2 of 2