GM Service Manual Online
For 1990-2009 cars only
Makes
🢒
Cadillac
🢒
2006
🢒
SRX
🢒 Sunroof and Front Sunshade
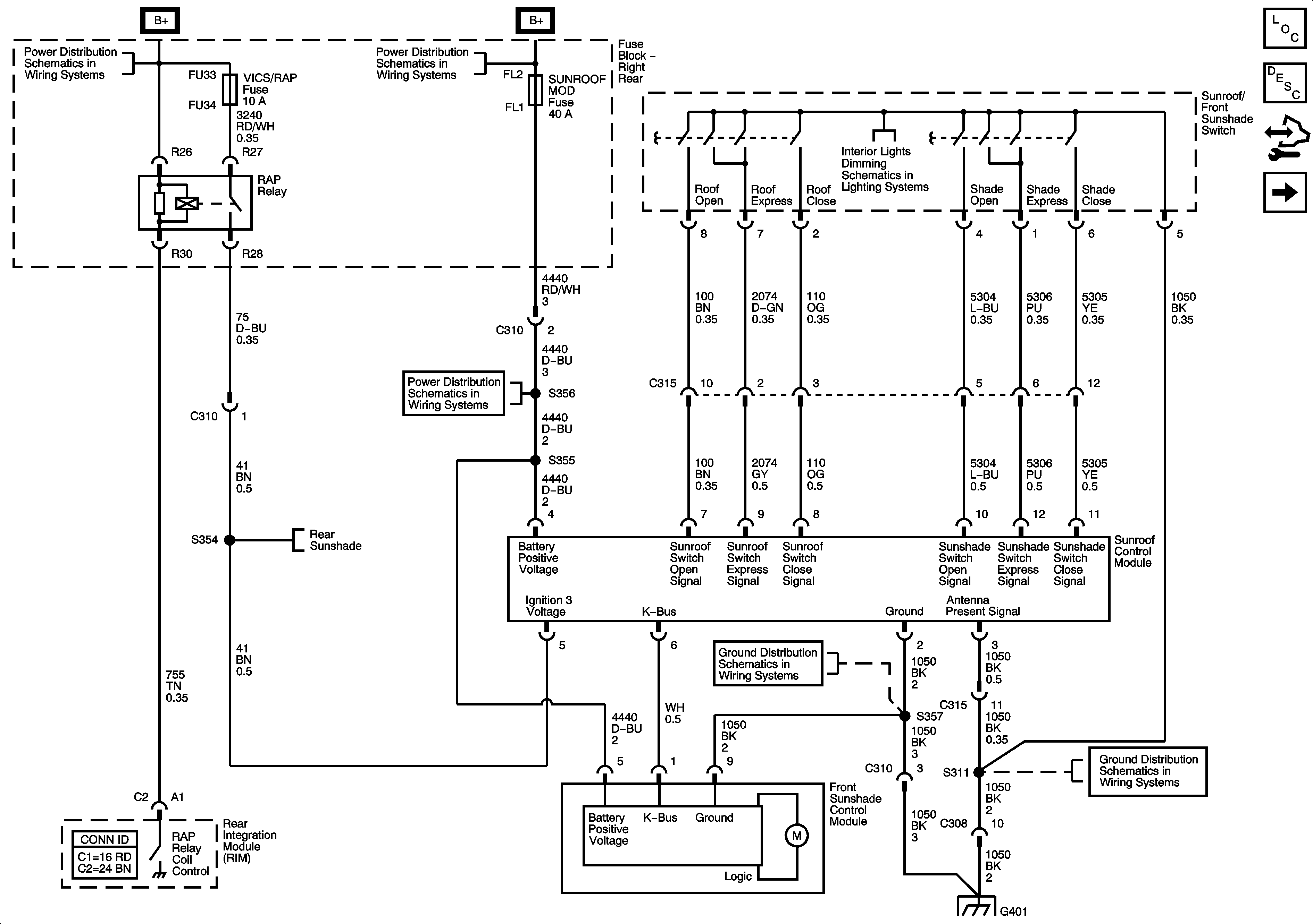
Sunroof and Front Sunshade
Sunroof and Front Sunshade
Master Electrical Component List
Sunroof Description and Operation
Control Module References
Rear Sunshade
Fuse Block Right Rear B+ Bus
Fuse Block Right Rear B+ Bus
Dimming Lamps 1 of 2
CANISTER VENT, DR MOD PWR, REAR HATCH, R FRT HTD SEAT MOD, POWER LIFT GATE and SUNROOF MOD Fuses
Rear Sunshade
G401 1 of 2
G401 2 of 2
G401 2 of 2