GM Service Manual Online
For 1990-2009 cars only
Makes
🢒
Cadillac
🢒
2006
🢒
SRX
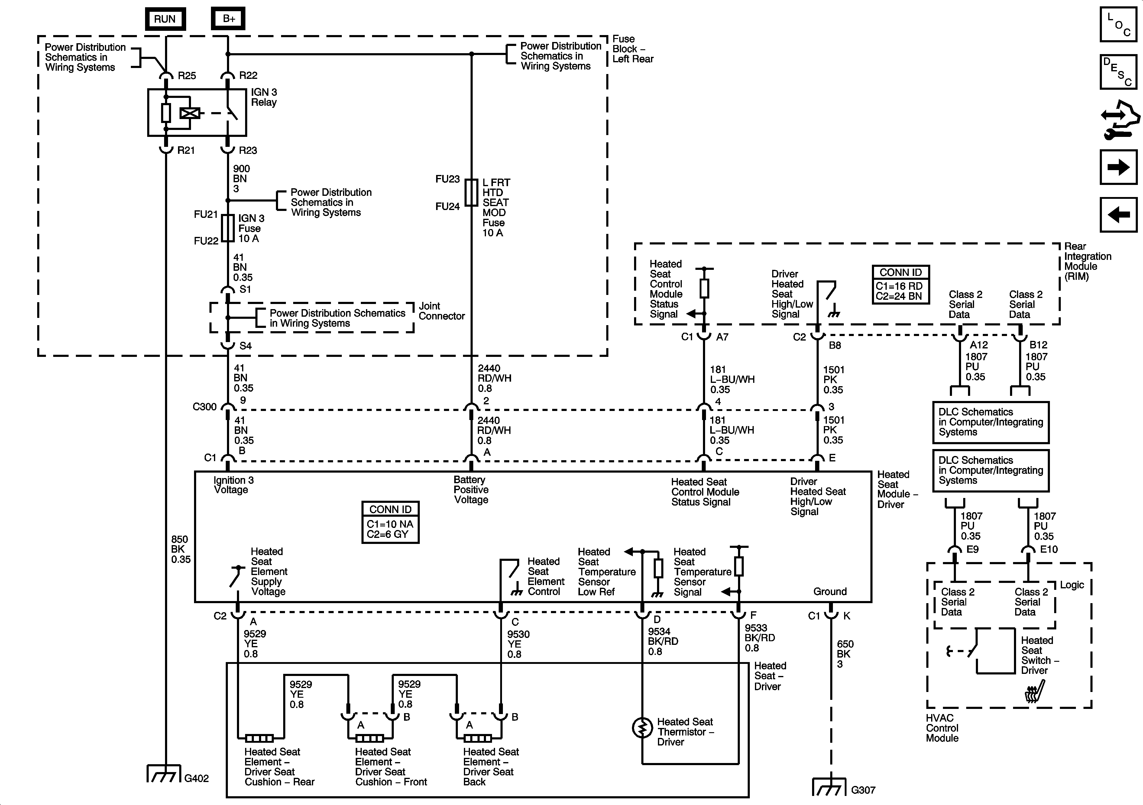
🢒 Heated Seat (KA1)
Heated Seat (KA1)
Heated Seat (KA1)
Master Electrical Component List
Heated Seats Description and Operation
Control Module References
06 ESUV-Memory Seat Module Power, Ground and Seat Adjuster Switches (A45)
Power Seat (w/o A45)
IGN SW Fuse and Ignition Switch 1 of 2
Fuse Block Right Rear B+ Bus
AIR BAG, CCP (RUN), EBCM (RUN), HDLP LEVELING, IGN 1 AND IGN 3 FUSES
AIR BAG, CCP (RUN), EBCM (RUN), HDLP LEVELING, IGN 1 AND IGN 3 FUSES
Class 2 Serial Data 2 of 2
Class 2 Serial Data 1 of 2
G402 1 of 2
G307