GM Service Manual Online
For 1990-2009 cars only
Makes
🢒
Cadillac
🢒
2006
🢒
SRX
🢒 Defogger Schematics
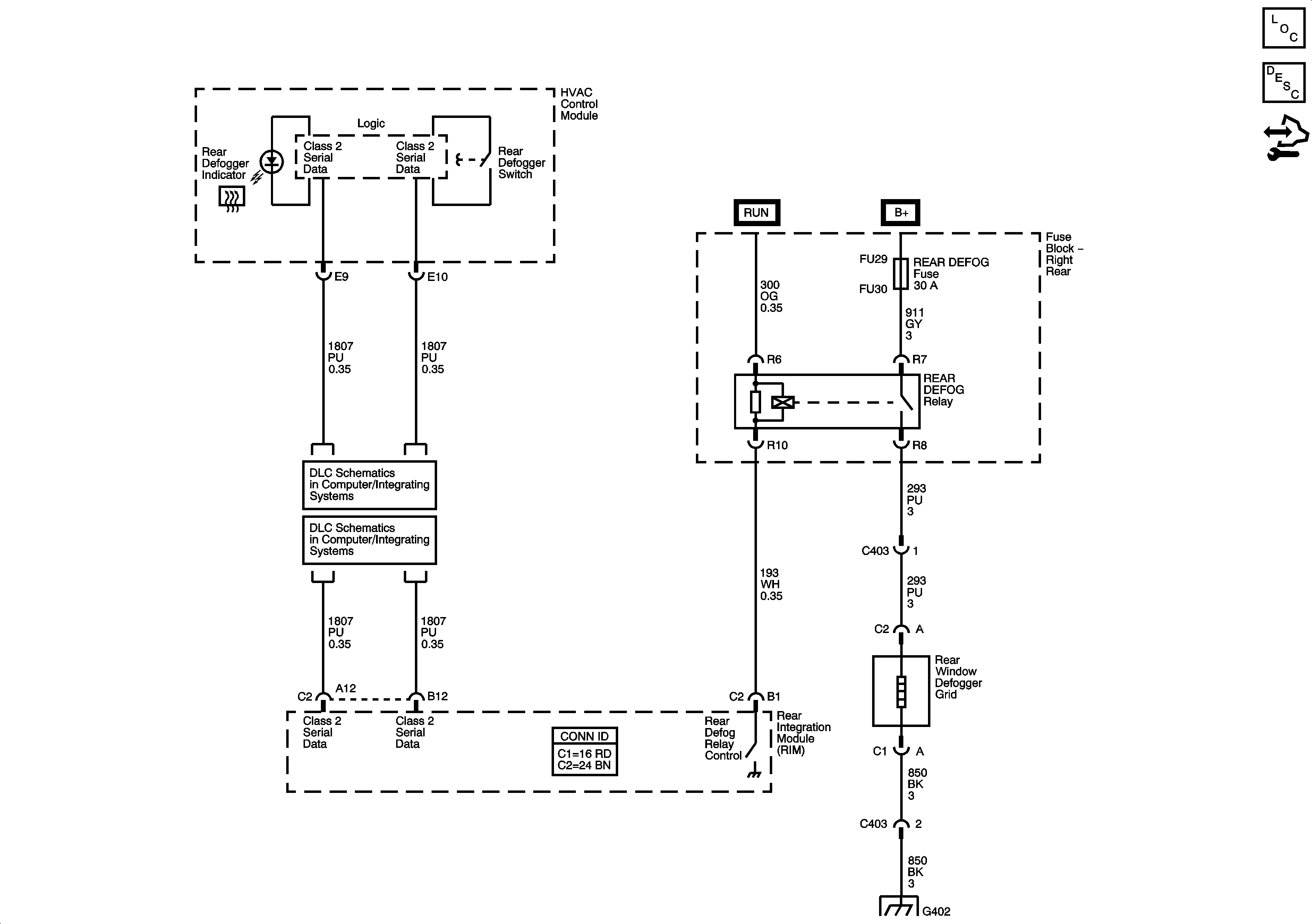
Defogger Schematics
Master Electrical Component List
Rear Window Defogger Description and Operation
Control Module References
Class 2 Serial Data 1 of 2
Class 2 Serial Data 2 of 2
G402 2 of 2