GM Service Manual Online
For 1990-2009 cars only
Makes
🢒
Cadillac
🢒
2006
🢒
SRX
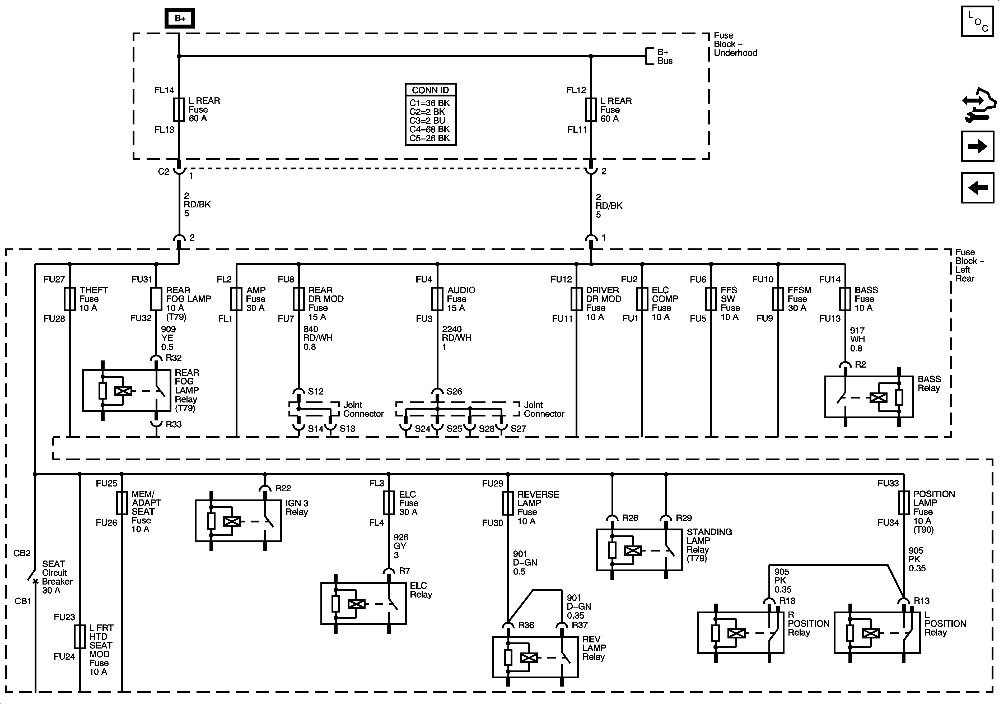
🢒 06 ESUV-Fuse Block Left Rear B+ Bus
06 ESUV-Fuse Block Left Rear B+ Bus
Fuse Block - Left Rear B+ Bus
Master Electrical Component List
Control Module References
IGN SW Fuse and Ignition Switch 1 of 2
Fuse Block Right Rear B+ Bus
Fuse Block Underhood B+ Bus