GM Service Manual Online
For 1990-2009 cars only
Makes
🢒
Cadillac
🢒
2007
🢒
SRX
🢒
Diagnostic Navigation
🢒
Vehicle Diagnostic Information
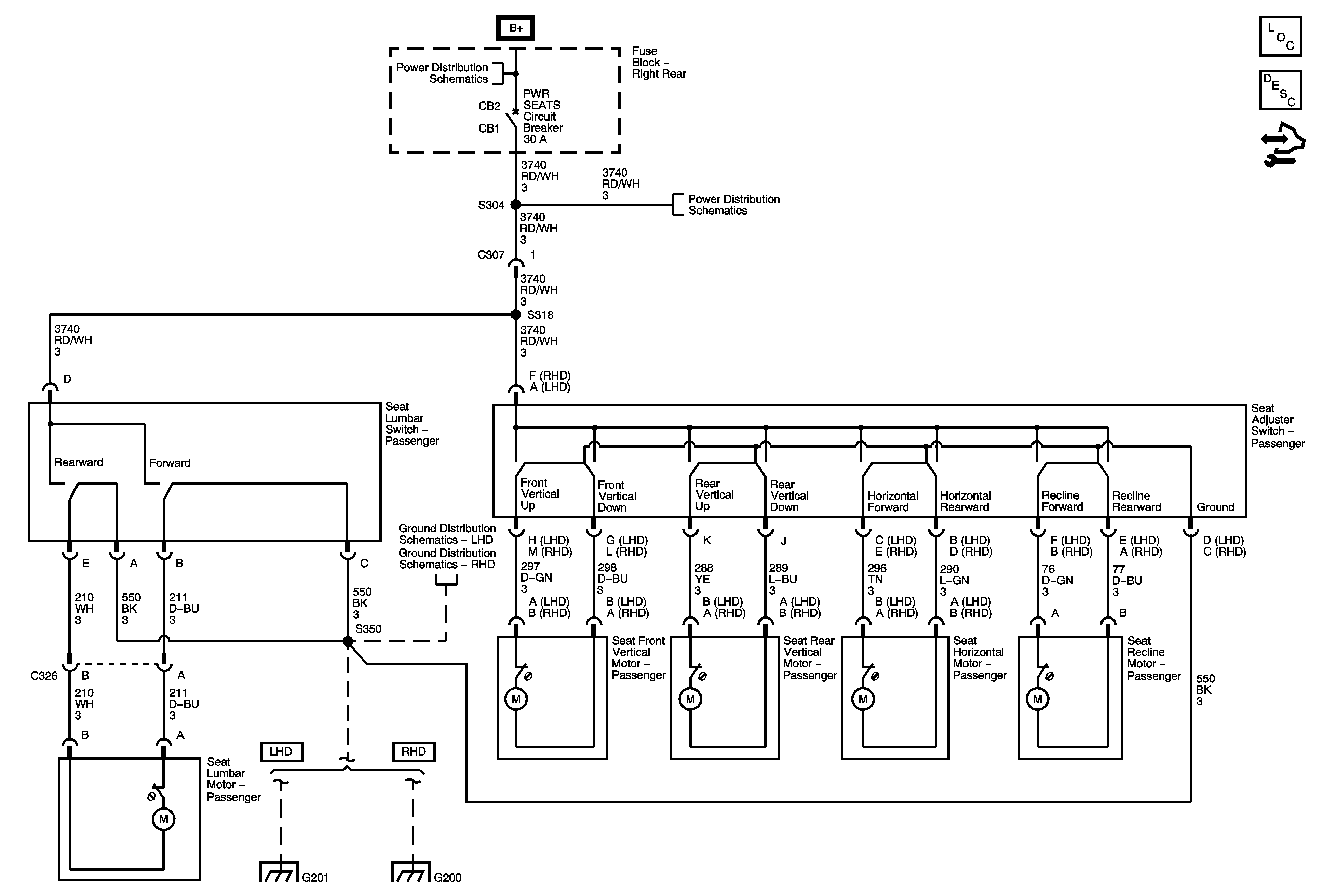
🢒 Passenger Seat Schematics
Power Seat
Master Electrical Component List
Power Seats System Description and Operation (Front Seat)
Control Module References
Right Rear Fuse Block B+ Bus
PWR SEATS Circuit Breaker, SUNROOF MOD Fuse, THEFT VGDO/RFA Fuse
G201 (LHD)
G200 1 OF 2 (RHD)
G201 (LHD)
G200 1 OF 2 (RHD)