GM Service Manual Online
For 1990-2009 cars only
Makes
🢒
Cadillac
🢒
2007
🢒
SRX
🢒
Body Systems
🢒
Mirrors
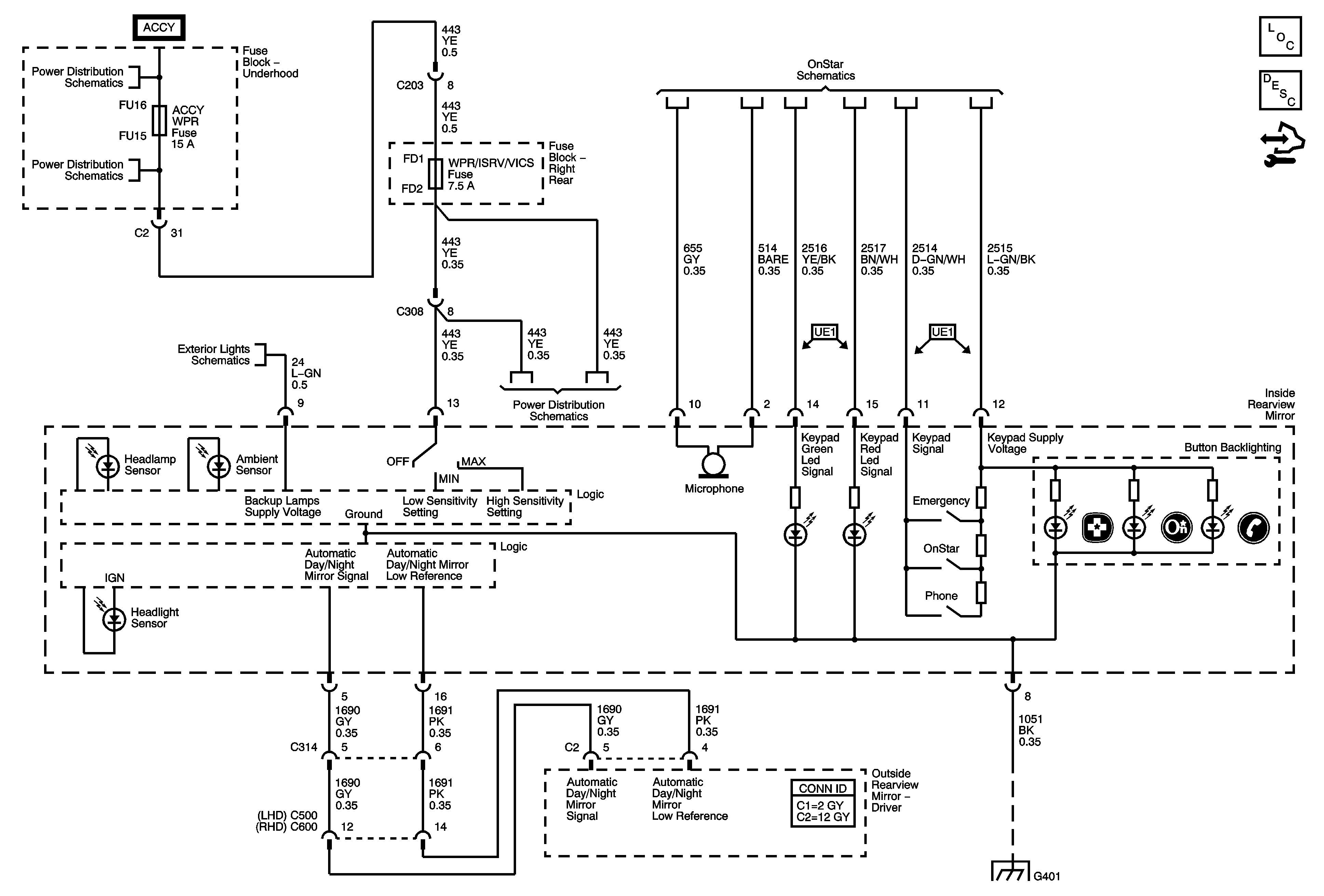
🢒 Inside Rearview Mirror Schematics