GM Service Manual Online
For 1990-2009 cars only
Makes
🢒
Cadillac
🢒
2007
🢒
SRX
🢒
Body Systems
🢒
Fixed and Moveable Windows
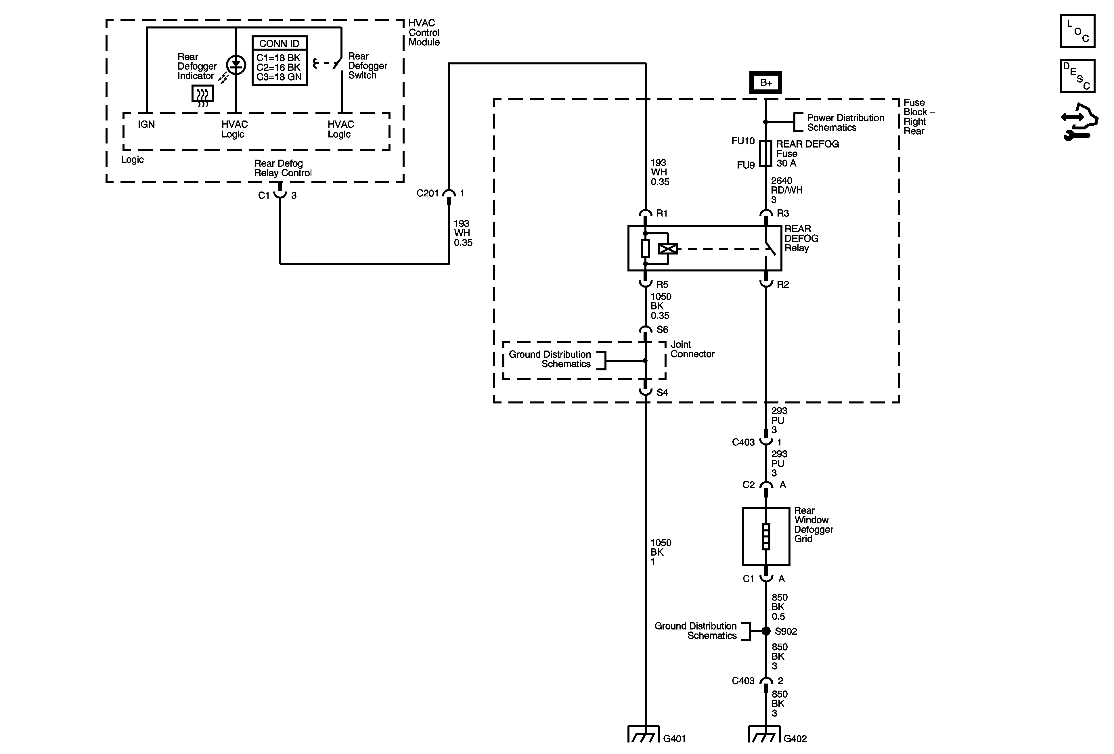
🢒 Defogger Schematics
Master Electrical Component List
Rear Window Defogger Description and Operation
Control Module References
Right Rear Fuse Block B+ Bus
G401 (3 of 3)
G402 (2 of 2)
G401 (3 of 3)
G402 (2 of 2)