GM Service Manual Online
For 1990-2009 cars only

Heater Inlet Hose/Pipe and Heater Outlet Hose/Pipe Replacement Right Hand Drive

Tools Required

J 38185 Hose Clamp Pliers

Removal Procedure

  1. Partially drain the cooling system. Refer to Cooling System Draining and Filling .

  2. Object Number: 1860090  Size: SH
  3. Position J 38185 to the clamp in order to remove the heater inlet/outlet hose (1) from the engine side of heater pipes (2).

  4. Object Number: 1860086  Size: SH
  5. Position J 38185 to the clamp in order to remove the heater inlet/outlet hose (2) from the heater core pipes.
  6. Remove brace from inside of strut tower (1).

  7. Object Number: 1860084  Size: SH
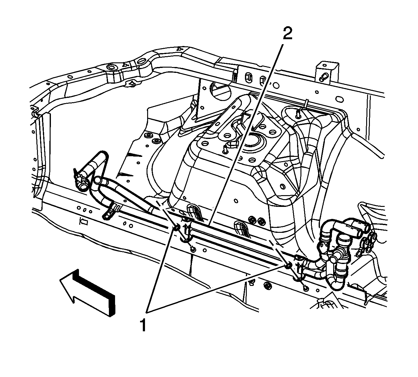
  8. Remove the heater inlet/outlet hose/pipe nuts (1) from the attaching studs and remove the heater inlet/outlet hose/pipe from vehicle.

Installation Procedure

    Notice: Refer to Fastener Notice in the Preface section.


    Object Number: 1860084  Size: SH
  1. Position the heater inlet/outlet hose/pipes (2) and install the heater inlet/outlet hose/pipe nuts (1) to the attaching studs.
  2. Tighten
    Tighten the nuts to 6 N·m (53 lb in).


    Object Number: 1860086  Size: SH
  3. Position J 38185 to the clamp (2) in order to connect the inlet/outlet hose/pipe to the heater core.
  4. Install brace to strut tower to secure heater inlet/outlet hose/pipes (1).

  5. Object Number: 1860090  Size: SH
  6. Position J 38185 to the clamp (1) in order to connect the inlet/outlet hose/pipe to the engine side of pipes (2).
  7. Fill the cooling system. Refer to Cooling System Draining and Filling .